Термостатированный магнитоизмерительный канал
- Authors: Колобов В.В.1, Баранник М.Б.1
-
Affiliations:
- Центр физико-технических проблем энергетики Севера – филиал Федерального государственного бюджетного учреждения науки Федерального исследовательского центра “Кольский научный центр РАН”
- Issue: No 1 (2024)
- Pages: 128-140
- Section: ОБЩАЯ ЭКСПЕРИМЕНТАЛЬНАЯ ТЕХНИКА
- URL: https://journals.rcsi.science/0032-8162/article/view/263966
- DOI: https://doi.org/10.31857/S0032816224010182
- EDN: https://elibrary.ru/EAYMSO
- ID: 263966
Cite item
Full Text
Abstract
Описан канал измерения индукции магнитного поля, выполненный на основе четырех интегральных датчиков Холла (ИДХ). Встроенные цепи динамической компенсации остаточного напряжения и температурной коррекции не устраняют дрейфа магнитной чувствительности ИДХ, обусловленного термомеханическими напряжениями в корпусе датчика и приводящего к нестабильности выходного напряжения. Установка датчиков в термостатированную ячейку, а также конструкционно-схемотехнические решения, связанные с пространственной ориентацией датчиков относительно вектора магнитной индукции и с алгоритмом обработки выходных напряжений ИДХ, позволили минимизировать нестабильность и повысить отношение сигнал/шум входного напряжения аналого-цифрового преобразователя канала. Рассмотрены схема и работа программно-аппаратного пропорционально-интегрального регулятора температуры термостатированной ячейки. Разработанный канал используется для измерения магнитной индукции поля магнитного анализатора масс-спектрометрического комплекса для изотопного анализа инертных газов и обеспечивает следующие основные характеристики: диапазон измерения ±512 мТл, полоса пропускания 0–4 Гц, свободное от шумов разрешение канала 16.3 бита, амплитуда эквивалентного входного магнитного шума в полосе пропускания 0.012 мТл, приведенный к входу долговременный дрейф измерений – не более 0.08 мТл за 48 ч.
Full Text
1. ВВЕДЕНИЕ
Ранее авторами была разработана система регулирования и стабилизации индукции электромагнита на основе недорогого интегрального датчика магнитного поля на эффекте Холла (ИДХ), выпускаемого промышленностью. Сигнал датчика использовался в системе для регулирования индукции, а стабилизация магнитного поля осуществлялась за счет отрицательной обратной связи по току электромагнита. При таком способе исключалось влияние нестабильности выходного напряжения ИДХ на стабильность индукции электромагнита, а дрейфовые и шумовые характеристики системы определялись исключительно параметрами используемого высокостабильного источника опорного напряжения [1].
Однако опытная эксплуатация системы в составе масс-спектрометрического комплекса показала, что такие факторы, как термическая нестабильность параметров электромагнита – магнитной проницаемости, величины воздушного зазора и, соответственно, индукции в зазоре, равно как остаточная индукция и коэрцитивная сила материала магнитной системы – приводят к флуктуациям соотношения силы тока в обмотке Iэм и индукции магнитного поля в межполюсном зазоре электромагнита Bэм.
Таким образом, возникла необходимость в разработке нового канала измерения магнитной индукции, метрологические характеристики которого позволяют оперативно и с высокой точностью корректировать силу тока электромагнита.
Необходимый входной диапазон канала ±512 мТл. Полоса пропускания, ограниченная фильтром нижних частот (ФНЧ) аналого-цифрового преобразователя (АЦП) канала, составляет 0–4 Гц.
2. УСТРОЙСТВО И РАБОТА МАГНИТОИЗМЕРИТЕЛЬНОГО КАНАЛА
2.1. Шумовые и дрейфовые характеристики первичного датчика поля
В качестве датчика магнитного поля в схеме [1] использовался ИДХ с линейной характеристикой преобразования AD22151 [2]. Из-за широкого диапазона измеряемой индукции (±520 мТл при единичном коэффициенте усиления), высокой линейности передаточной характеристики (нелинейность менее ±0.1%), возможности регулировки усиления, а также наличия встроенных цепей коррекции температурного дрейфа чувствительности и динамической компенсации смещения, вызванного остаточным напряжением кремниевой ячейки Холла, такие ИДХ достаточно часто используются при разработке магнитоизмерительных каналов различного назначения [3, 4].
Особенностью микросхемы также является плоская частотная зависимость спектральной плотности напряжения шумов в области фликкер-шума, обусловленная тем, что схема динамической компенсации смещения подавляет также 1/f-шум ячейки Холла [5]. Вместе c тем уровень шума датчика достаточно высок – размах амплитуды напряжения шумов на выходе в полосе частот 0.1–100 Гц при единичном коэффициенте усиления составляет примерно 550 мкВ [2]. По методике, рассмотренной в работе [6], можно оценить шумовое напряжение ИДХ в частотной области фликкер-шума – 175 мкВ от пика до пика в полосе частот 0.1–10 Гц.
Другим недостатком данного магнитного датчика является особенно типичный для ИДХ в пластиковых корпусах дрейф магнитной чувствительности (или дрейф передаточной характеристики), обусловленный термомеханическими напряжениями в корпусе и неравномерным распределением температуры в его объеме [7].
С точки зрения схемотехники измерительного канала важным является то, что дрейф чувствительности и, как следствие, дрейф смещения выходного напряжения датчика не коррелирует напрямую с температурой корпуса ИДХ – он зависит также от длительности температурных циклов, их периодичности и т.д. Кроме того, температурная зависимость этого дрейфа нестабильна по времени [7].
Встроенная схема термокомпенсации ИДХ позволяет уменьшить дрейф чувствительности. Но даже при экспериментальном подборе оптимального номинала резистора, отвечающего за настройку схемы [4], значительная нестабильность выходного напряжения не позволяет использовать ИДХ в составе высокоточного измерительного канала и обуславливает необходимость разработки дополнительных способов минимизации дрейфа передаточной характеристики.
2.2. Структурная схема канала
На основании изложенного выше и с учетом жестких ограничений по конструктивным размерам магнитного датчика, устанавливаемого в межполюсном зазоре электромагнита, были разработаны схема и конструкция канала измерения магнитной индукции, структурная схема которого приведена на рис. 1.
Рис. 1. Структурная схема канала измерения магнитной индукции электромагнита: ИДХ – интегральный датчик Холла, СУ – суммирующий усилитель, ДУ – дифференциальный усилитель, ФНЧ – фильтр нижних частот, АЦП Bэм – аналого-цифровой преобразователь измерения индукции электромагнита, ЦМК – центральный микроконтроллер канала регулирования и стабилизации индукции магнитного поля масс-анализатора, ЖКИ – жидкокристаллический индикатор, ОУИ – органы управления и индикации, МК – микроконтроллер, ДТ – датчик температуры, БУ – буферный усилитель, АЦП t˚ – аналого-цифровой преобразователь измерения температуры ячейки ИДХ, ИОН – источник опорного напряжения, ВМИП – высокостабильный малошумящий источник питания, РИНН – регулируемый источник напряжения нагрева, НЭ – нагревательный элемент, ЦАП – цифро-аналоговый преобразователь.
В схеме используются четыре идентичных магнитных датчика ИДХ1–ИДХ4. Микросхемы датчиков ИДХ1, ИДХ2 и ИДХ3, ИДХ4 смонтированы попарно на противоположных сторонах печатной платы (рис. 2) таким образом, чтобы пары микросхем, расположенные на одной стороне платы, имели минимальное расстояние между корпусами, а пары ИДХ на противоположных сторонах платы имели общие оси, проходящие перпендикулярно центру верхней плоскости микросхемы. Плата магнитных датчиков закрепляется в межполюсном зазоре электромагнита так, чтобы обеспечивалась ортогональность вектора магнитной индукции относительно корпусов ИДХ и, соответственно, плоскости ячейки Холла. При этом, независимо от направления вектора индукции поля, составляющие выходного напряжения пар датчиков ИДХ1, ИДХ2 и ИДХ3, ИДХ4 (Ub), пропорциональные измеряемой индукции, будут иметь разную полярность, а напряжения смещения Uoff, обусловленные дрейфом чувствительности ИДХ, – одинаковую.
Если для направления вектора магнитной индукции, соответствующего положительной полярности выходного напряжения ИДХ1 и ИДХ2, выразить выходные напряжения всех датчиков через сумму двух составляющих Ub и Uoff:
UИДХ1 = UИДХ1b + UИДХ1off ,
UИДХ2 = UИДХ2b + UИДХ2off ,
UИДХ3 = −UИДХ3b + UИДХ3off ,
UИДХ4 = −UИДХ4b + UИДХ4off ,
то выходные напряжения суммирующих усилителей будут определяться следующими формулами:
Uсу1 = UИДХ1b + UИДХ1off + UИДХ2b + UИДХ2off ,
Uсу2 = −UИДХ3b + UИДХ3off −UИДХ4b + UИДХ4off .
Учитывая равенство амплитуд:
UИДХ1b = UИДХ2b = UИДХ3b = UИДХ4b,
и предполагая, что
UИДХ1off = UИДХ2off = UИДХ3off = UИДХ4off ,
запишем выражение для выходного напряжения дифференциального усилителя следующим образом:
UДУ = UИДХ1b + UИДХ1b + UИДХ1b + UИДХ1b +
+ UИДХ1off + UИДХ1off - UИДХ1off - UИДХ1off = 4UИДХ1b.
В действительности, поскольку параметры четырех одинаковых микросхем немного различаются, на выходе дифференциального усилителя будет присутствовать некоторое некомпенсированное смещение ΔUoff:
UДУ =4UИДХ1b + Uoff .
Таким образом, предложенная схема канала позволяет с незначительной погрешностью скомпенсировать смещения, вызванные дрейфом чувствительности ИДХ. Кроме того, поскольку шумы ИДХ являются некоррелированными, сложение сигналов от четырех датчиков позволяет в раз увеличить отношение полезный сигнал/шум на выходе дифференциального усилителя [8].
Напряжение, пропорциональное магнитной индукции, с выхода дифференциального усилителя подается на фильтр нижних частот, а затем – на вход аналого-цифрового преобразователя канала измерения индукции (АЦП Bэм).
Чтобы обеспечить равенство и стабильность температуры корпусов магнитных датчиков и тем самым “синхронизировать” их дрейф чувствительности, часть платы магнитных датчиков (рис. 2) была помещена в магнитопрозрачную термостатированную ячейку, конструкция которой будет рассмотрена ниже. Кроме ИДХ1–ИДХ4 в ячейке также расположены суммирующие усилители, датчик температуры и нагревательный элемент (рис. 1, 2).
Рис. 2. Общий вид участка платы магнитных датчиков, помещаемого в термостатированную ячейку: а – вид снизу, б – вид сверху; 1 – интегральные датчики Холла, 2 – резисторы нагревательного элемента, 3 – суммирующие усилители, 4 – датчик температуры.
Контур регулирования и стабилизации температуры ячейки ИДХ включает (рис. 1) датчик температуры (ДТ) с буферным усилителем (БУ), аналого-цифровой преобразователь измерения температуры (АЦПt˚), микроконтроллер (МК), обеспечивающий необходимый закон регулирования, цифро-аналоговый преобразователь (ЦАП), регулируемый источник напряжения нагрева (РИНН) и нагревательный элемент (НЭ).
Для питания ИДХ и датчика температуры используется высокостабильное с малым уровнем шумов и пульсаций напряжение Ums, формируемое соответствующим источником (ВМИП на рис. 1). В качестве дифференциального, суммирующих и других усилителей канала используются сверхмалошумящие, прецизионные операционные усилители. Пропущенные функциональные элементы структурной схемы будут рассмотрены ниже при описании работы канала.
2.3. Магнитоизмерительный тракт
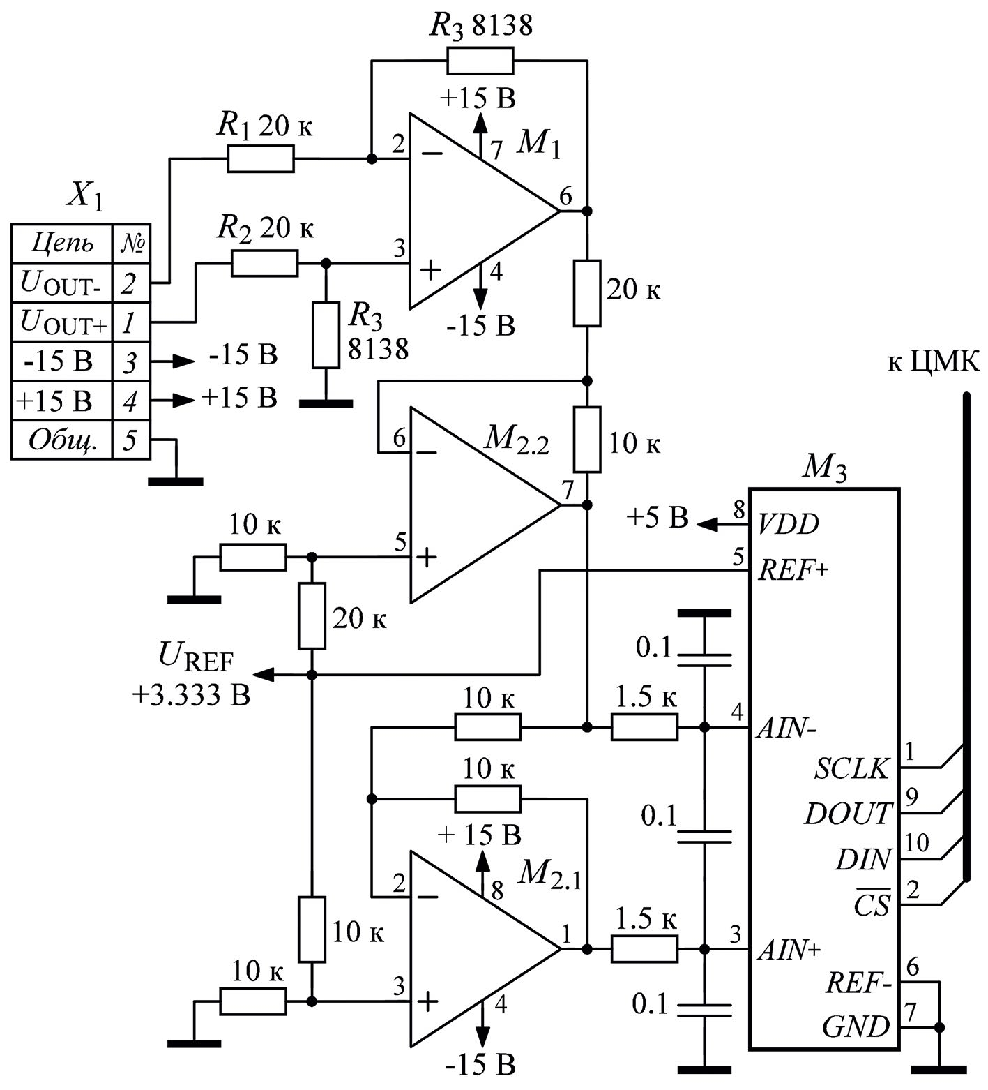
Принципиальная схема разработанного канала измерения магнитной индукции приведена на рис. 3. В состав канала также входят разработанные ранее каскады дифференциального усилителя и АЦП измерения индукции, расположенные в блоке стабилизации тока электромагнита [1]. Поскольку эти функциональные узлы необходимы для понимания работы канала в целом, их принципиальная схема приведена на рис. 4.
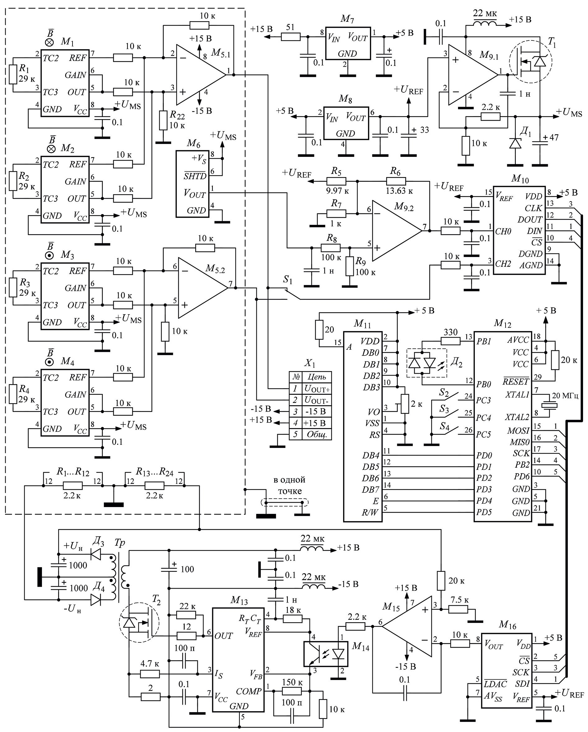
Рис. 3. Принципиальная схема канала измерения магнитной индукции в зазоре электромагнита: M1-M4 – AD22151Y, M5, M9 – ADA4522-2, M6 – TMP36FSZ, M7 – 78L05, M8 – ADR4540B, M10 – MCP3208B, M11 – WH1202A, M12 – ATmege88PA, M13 – UC2843B, M14 – PC817B, M15 – ADA4522-1, M16 – MCP4921, T1 – IRLML6244, T2 – IRFL110, Д1 – BZX84-C5V6, Д2 – L-57EGW, Д3, Д4 – PDS5100.
Рис. 4. Принципиальная схема функциональных узлов канала измерения магнитной индукции, входящих в состав блока стабилизации тока электромагнита: M1 – ADA4522-1, M2 – ADA4522-2, M3 – AD7791.
Датчики M1–M4 включены по схеме с биполярным выходом и единичным коэффициентом усиления. При этом чувствительность ИДХ составляет 4 мВ/мТл, а встроенный буферный усилитель является повторителем напряжения. При Bэм = 0 потенциал выхода “OUT” относительно общей шины равен потенциалу вывода опорного напряжения “REF”, который определяется как Ums/2, где Ums – высокостабильное напряжение +5 В питания магнитных датчиков; таким образом, потенциал вывода опорного напряжения “REF” составляет +2.5 В. Соответственно, диапазону измеряемой магнитной индукции ±512 мТл соответствует диапазон выходных напряжений датчиков (Uидх1–Uидх4) 2.5±2.048 В. Номинал внешнего резистора схемы термокомпенсации дрейфа передаточной характеристики (R1–R4 на рис. 3) выбран в соответствии с рекомендациями, приведенными в документации на ИДХ [2].
Каскады на операционных усилителях M5.1 и M5.2 представляют собой схемы параллельных сумматоров (сумматоров-вычитателей) с единичными весовыми коэффициентами, на суммирующие входы которых подаются выходные напряжения двух пар ИДХ – Uидх1, Uидх2 и Uидх3, Uидх4, а на инвертирующие (вычитающие) – опорные напряжения с выводов “REF” соответствующих датчиков. Такая схема позволяет скомпенсировать постоянную составляющую +2.5 В выходного напряжения ИДХ и получить на выходе суммирующих усилителей M5.1 и M5.2 напряжения (Uout+, Uout- на рис. 3, 4), пропорциональные значению измеряемой магнитной индукции Bma (с учетом смещений, обусловленных дрейфом чувствительности ИДХ), лежащие в диапазоне 0 ± 4.096 В, но имеющие разную полярность.
Напряжения Uout+, Uout- подаются на входы дифференциального усилителя (M1 на рис. 4). Кроме устранения выходных смещений ИДХ, вызванных дрейфом чувствительности, дифференциальный усилитель M1 также позволяет скомпенсировать возможную разность потенциалов между общей шиной канала измерения магнитной индукции и общей шиной платы стабилизации тока электромагнита, конструктивно расположенных в разных блоках, и подавить синфазные помехи, возникающие в соединительном кабеле. Кроме того, операционный усилитель M1 выполняет роль масштабирующего усилителя АЦП канала измерения магнитной индукции (M3 на рис. 4) – соотношение сопротивлений резисторов R1, R2 и R3, R4 обеспечивает приведение диапазона входного дифференциального напряжения усилителя M1 – 0±8.192 В – к диапазону входного напряжения АЦП M3 – от -3.333 В до +3.333 В.
В качестве M3 в схеме используется микросхема AD7791 24-разрядного сигма-дельта АЦП с дифференциальным входом и встроенным задающим генератором [9]. Диапазон входного дифференциального напряжения АЦП 0±3.333 В определяется уровнем +3.333 В опорного напряжения, формируемого прецизионным термостатированным источником [1]. При изменении выходного напряжения усилителя M1 в диапазоне от -3.333 до +3.333 В противофазные напряжения на дифференциальных входах “AIN+” и “AIN-” АЦП должны составлять 0–3.333 В и 3.333–0 В соответственно. Для согласования диапазонов используется буферный каскад [10], выполненный на операционных усилителях M2.1 и M2.2.
АЦП M3 работает на частоте выборки 16.6 Гц с последующим программным усреднением до 10 Гц. При этом АЧХ цифрового фильтра нижних частот, определяющего полосу пропускания всего измерительного канала, имеет частоту среза 4 Гц по уровню –3 дБ и одновременно ее форма обеспечивает режекцию частот, кратных 50/60 Гц [9].
Для связи АЦП M3 c центральным микроконтроллером системы регулирования и стабилизации магнитного поля (ЦМК на рис. 4) используется четырехпроводный интерфейс SPI c линией выбора устройства CS.
В качестве всех усилителей канала измерения магнитной индукции (M5, M9, M15 на рис. 3 и M1, M2 на рис. 4) использованы интегральные усилители, выполненные по топологии модулятор–демодулятор (МДМ-ОУ) и имеющие цепи автоматической коррекции смещения и подавления высокочастотных пульсаций [11]. Частотная зависимость спектральной плотности напряжения шумов таких усилителей не имеет подъема в области фликкер-шума, в результате размах амплитуды выходного напряжения шумов в диапазоне 0.1–10 Гц не превышает 0.12 мкВ. Кроме того, микросхемы имеют сверхмалые напряжения смещения и его температурный дрейф (типовые значения 1 мкВ и 4 нВ/°С соответственно), а также малый – менее 50 пА – ток смещения (все параметры приведены для напряжения питания ±15 В).
Как уже отмечалось, для питания ИДХ M1–M4, а также датчика температуры M6 используется высокостабильное с малым уровнем шумов напряжение Ums амплитудой +5 В. Формирующий напряжение Ums источник (ВМИП на рис. 1) выполнен по схеме линейного стабилизатора с истоковым повторителем (элементы T1, М9.1 на рис. 2). Используемый в качестве регулирующего элемента T1 n-канальный Power MOSFET-транзистор IRLML6244 обладает малым “открывающим” зарядом затвора, что исключает необходимость применения буферного каскада на выходе усилителя ошибки М9.1.
Суммарная нестабильность выходного напряжения источника Ums не зависит от пульсаций и стабильности питающего напряжения +15 В и при использовании в качестве усилителя ошибки М9.1 МДМ-ОУ определяется нестабильностью по дрейфу и шумам опорного напряжения Uref [12].
Для формирования напряжения Uref используется сверхмалошумящий высокостабильный интегральный источник опорного напряжения (ИОН) ADR4540B c выходным напряжением +4.096 В (M8 на рис. 3). Малый шум ИОН обеспечивает с учетом коэффициента усиления 1.22 усилителя ошибки М9.1 размах шумового напряжения в полосе 1/f-шума на выходе источника, формирующего напряжение Ums, не более 3.4 мкВ.
Сразу отметим, что напряжение Uref также используется как опорное для аналого-цифрового и цифро-аналогового преобразователей схемы стабилизации температуры ячейки магнитных датчиков.
2.4. Схема термостабилизации измерительной ячейки
Функциональные элементы M6, M8–M16 на рис. 3 образуют схему термостабилизации ячейки ИДХ.
В качестве датчика температуры М6, установленного в термостатированной ячейке, используется интегральный высокоточный температурный датчик TMP36FSZ, формирующий выходное напряжение, пропорциональное измеряемой температуре в градусах Цельсия. Поскольку в технической документации [13] отсутствуют сведения об устойчивости микросхемы к влиянию магнитного поля, были проведены экспериментальные исследования, показавшие отсутствие влияния магнитного поля различной напряженности на параметры датчика.
Температуре 25 °C соответствует выходное напряжение датчика 0.75 В, а наклон характеристики преобразования в диапазоне температур от −40 до +125 °C составляет 10 мВ/°C. Соответственно, рабочему диапазону температур схемы термостабилизации измерительной ячейки от +20 до +70 °С соответствует диапазон выходного напряжения датчика температуры от +0.7 до +1.2 В.
В канале измерения температуры термостатированной ячейки использован 12-разрядный 8-канальный АЦП последовательного приближения MCP3208B с частотой выборки 10240 Гц [14]. Входы АЦП М10 запрограммированы на работу в несимметричном режиме – диапазон входного однополярного сигнала составляет от 0 до +4.096 В.
Для согласования диапазона изменения выходного напряжения Uдт датчика температуры M6 с входным диапазоном АЦП М10 используется разностный (дифференциальный) каскад на операционном усилителе М9.2, для выходного напряжения которого (c учетом равенства сопротивлений резисторов R8 и R9) будет справедливо выражение
Соответственно, в числовом представлении UM9.2 = 8∙Uдт – 5.6 В. Таким образом, диапазону температур ячейки магнитных датчиков от +20 до +70 °С будет соответствовать диапазон напряжения на входе “СH0” М10 от 0 до +4 В.
Второй канал АЦП используется для контроля значения измеряемой индукции – на вход “СH2” М10 через двухпозиционный переключатель S1 подается напряжение с выхода одного из суммирующих усилителей M5.1 или M5.2. Поскольку выходные напряжения суммирующих усилителей являются разнополярными, независимо от направления вектора магнитной индукции в межполюсном зазоре электромагнита выбором положения переключателя S1 на вход АЦП можно подать напряжение положительной полярности. Поскольку диапазон изменения выходного напряжения суммирующих усилителей совпадает с входным диапазоном АЦП, отсутствует необходимость применения масштабирующего усилителя.
Для обмена данными между АЦП М10 и микроконтроллером схемы термостабилизации М12 используется SPI-интерфейс. Микроконтроллер вычисляет уточненное значение температуры в термостатированной ячейке ИДХ путем усреднения измерительных данных на интервале накопления 0.1 с. Далее это значение используется микропрограммой, реализующей функцию пропорционально-интегрального (ПИ) регулирования температуры Tms ячейки ИДХ. Такой закон регулирования был выбран, так как ПИ-регулятор относительно прост в настройке, характеризуется хорошей устойчивостью и малой чувствительностью к шумам в измерительном канале и позволяет обеспечить нулевую статическую ошибку регулирования. На основе разности текущей температуры термодатчика и заданной температуры ячейки ИДХ ПИ-регулятор формирует необходимое значение электрической мощности, рассеиваемой нагревательным элементом. Далее вычисляется квадратный корень из мощности и формируется требуемое значение напряжения на активном нагревателе. Это значение в цифровом виде подается на вход ЦАП M16, в качестве которого использована микросхема MCP4921 12-разрядного одноканального преобразователя с интерфейсом SPI [15].
Диапазон выходного напряжения ЦАП, определяемый опорным напряжением Uref, составляет 0–4.096 В. Формируемое ЦАП напряжение является опорным для интегрирующего усилителя ошибки M15, входящего в состав регулируемого источника напряжения нагрева (РИНН на рис. 1). Использование интегрирующего усилителя, а также значительная постоянная времени (инерционность) контура регулирования температуры позволяют полностью исключить влияние глитч-импульсов ЦАП M16 на устойчивость работы схемы термостабилизации.
Регулируемый источник напряжения нагрева (элементы M13–M15, T2, Д3, Д4, Tр на рис. 3) выполнен по типовой схеме стабилизированного обратноходового преобразователя с двуполярным выходом, соединенным с нагревательным элементом схемы термостабилизации – резисторы R1–R24. Максимальному напряжению ЦАП 4.096 В соответствуют выходные напряжения источника ±15 В. При этом максимальная активная мощность, рассеиваемая нагревательными элементами, составляет около 2.45 Вт.
Магнитопровод трансформатора Тр выполнен из двух E-образных сердечников B66307G0 типоразмера E16/8/5 на основе Mn-Zn-ферритового материала N87, он имеет магнитный зазор 0.1 мм. Число витков первичной обмотки 40, вторичных полуобмоток – 20. Обмотки намотаны двойным проводом номинальным диаметром 0.2 мм.
Микроконтроллер М12 также обрабатывает сигналы от трехкнопочной клавиатуры S2–S4 и выводит информацию на устройства индикации – символьный жидкокристаллический дисплей M11 (2 строки по 12 символов) и двухцветный статусный индикатор ПИ-регулятора Д2.
В ходе испытаний системы термостабилизации было установлено, что выход на заданную температуру Tms происходит на 10-минутном интервале, а длительность затухающего переходного процесса (время завершения установления) не превышает 20 минут. Стабильность температуры Tms измерительной ячейки в установившемся режиме можно оценить по шумовым характеристикам и динамическим погрешностям преобразователей данных, входящих в аппаратную часть ПИ-регулятора.
Поскольку АЦП M10 и ЦАП M16 имеют одинаковую разрядность и общее опорное напряжение, величина младшего значащего бита (МЗБ) для двух преобразователей будет одинакова – Uref / 212=1 мВ.
Суммарная нестабильность выходного кода АЦП M10 будет определяться входным шумом nnadc в полосе до 10 Гц (ограничена цифровым фильтром программного ПИ-регулятора), шумом (ошибкой) квантования nqadc и нестабильностью опорного напряжения nref.
Выходной 1/f-шум датчика температуры, найденный по кривой спектральной плотности шума [13] в соответствии с работой [6], составляет 53 мкВ от пика до пика. С учетом коэффициента усиления масштабирующего усилителя M9.2 размах напряжения фликкер-шума на входе АЦП составляет 424 мкВ, или, выражая в числе младших значащих битов, – nnadc ≈ 0.42 МЗБ.
Шум квантования АЦП определяется дифференциальной нелинейностью выходного кода [16] и составляет nqadc = 0.5 МЗБ. [14].
Источник опорного напряжения М8 имеет температурный коэффициент напряжения 2 ppm/˚C [17]. Соответственно, дрейф опорного напряжения Uref в температурном диапазоне от +20 до +40 ˚C, определяемом спецификой применения канала измерения индукции, составляет 40 ppm от Uref, что соответствует погрешности кода АЦП nref ≈ 0.16 МЗБ.
Слагаемые нестабильности на выходе ЦАП M16 определяются аналогично: nqadc = 0.2 МЗБ [15]; nref ≈ 0.16 МЗБ. Размах амплитуды выходного 1/f-шума ЦАП составляет 10 мкВ [15], соответственно, nndac = 0.01 МЗБ.
C учетом того, что погрешности nref, вносимые напряжением ИОН, являются коррелируемыми, суммарная нестабильность выходного напряжения ЦАП ΔUdac, определяющая дрейф температуры ΔTms, может быть найдена следующим образом:
и составляет ±0.75 МЗБ, или ±183 ppm от выходного диапазона ЦАП. Соответственно, суммарная нестабильность температуры – ΔTms = ±0.0092 ˚C. Расчетное значение дрейфа температуры измерительной ячейки ΔTms практически совпадает с оценочным – ±0.01 ˚C, полученным экспериментально за несколько часов наблюдений.
Поскольку смещение чувствительности ИДХ термозависимо, оптимальным значением Tms можно считать минимальную температуру, при которой разность между Tms и температурой естественного нагрева ячейки вследствие выделения тепловой энергии активными компонентами схемы обеспечивает стабильную и надежную работу ПИ-регулятора. Оптимальное значение Tms, определенное экспериментально, составляет 35–45 ˚С в зависимости от температуры окружающей среды.
3. КОНСТРУКЦИЯ МАГНИТОИЗМЕРИТЕЛЬНОГО КАНАЛА
Термостатированная ячейка, выполненная из медных пластин, обеспечивает выравнивание температур корпусов электронных компонентов внутри ячейки. С этой же целью нагревательные резисторы (R1–R24 на рис. 3) равномерно распределены по периметру ячейки с двух сторон печатной платы (рис. 2) и имеют малое термическое сопротивление относительно медного корпуса. Для уменьшения тепловых потерь в окружающую среду корпус ячейки покрыт термоизолирующим материалом.
Конструкционно канал измерения магнитной индукции выполнен в виде трех плат – платы магнитных датчиков с термостатированной ячейкой, основной платы и платы органов управления и индикации (рис. 5). На основной плате расположены элементы схемы термостабилизации, источник опорного напряжения, цепи формирования питающих напряжений, а также разъем для подключения кабеля, по которому от блока стабилизации тока электромагнита поступают питающие напряжения -15 В, +15 В, а в обратном направлении, как было рассмотрено выше, передаются выходные напряжения суммирующих усилителей ИДХ – Uout+, Uout-.
Плата магнитных датчиков механически соединена с основной платой канала посредством винтового сочленения (рис. 5), позволяющего регулировать положение измерительной ячейки в зазоре электромагнита по горизонтали.
Рис. 5. Конструкция канала измерения магнитной индукции: 1 – термостатированная измерительная ячейка, 2 – плата магнитных датчиков, 3 – основная плата, 4 – плата органов управления и индикации, 5 – плата магнитных датчиков до монтажа медного корпуса термостатированой ячейки.
При разработке топологии печатной платы магнитных датчиков основное внимание было уделено предотвращению образования токовых петель в плоскости платы, формирующих магнитное поле, направленное так же, как вектор индукции измеряемого поля. Для этого использована такая трассировка печатных проводников, при которой дорожки, проводящие прямой и возвратный токи, располагаются с двух сторон печатной платы строго одна под другой. Такая топология плоскопараллельных симметричных дорожек прямого и возвратного токов, работающая подобно бифилярным проводникам, использована для цепей нагрева, включая чип-резисторы, смонтированные попарно с двух сторон платы. Такой тип трассировки используется также для дифференциальных проводников в пределах термостатированной ячейки – для проводников сигналов Uout+, Uout- и дорожек, идущих от выводов “Vout” и “GND” датчика температуры. Кроме того, измерительные цепи платы магнитных датчиков, цепи нагревательных элементов и схема основной платы канала имеют разные шины нулевого потенциала, соединенные в одной точке.
Общий вид канала измерения магнитной индукции в сборе показан на рис. 6. В режиме измерений на экране отображаются текущие значения индукции магнитного поля и температуры измерительной ячейки. В режиме настроек на дисплей выводится последовательное многостраничное меню, позволяющее изменять параметры ПИ-регулятора. Переключение режимов и выполнение настроек осуществляются с помощью трехкнопочной клавиатуры.
Рис. 6. Общий вид канала измерения магнитной индукции.
4. МЕТРОЛОГИЧЕСКИЕ ХАРАКТЕРИСТИКИ КАНАЛА
Для исследования шумовых характеристик канала были выполнены измерения индукции при отсутствии внешнего магнитного поля (Bэм = 0) и при измерении поля электромагнита с индукцией Bэм = 280 мТл. Были сделано несколько временных выборок длительностью 100 с частотой дискретизации 10 Гц, что с учетом граничной частоты цифрового фильтра АЦП (M3 на рис. 4) соответствует измерению в частотном диапазоне 0.01–4 Гц. Анализ временных зависимостей B(t) и гистограмм распределения амплитуды флуктуаций магнитного поля, построенных по временным выборкам (примеры приведены на рис. 7), показывает отсутствие тенденций к появлению смещения среднего значения флуктуаций индукции на измерительном интервале. Полученные гистограммы соответствуют нормальному закону распределения, характеризующему стационарный стохастический процесс – тепловой шум холловской ячейки. Размах флуктуаций индукции амплитудой 6.6σ составляет 12–13 мкТл в зависимости от выборки.
Рис. 7. Пример записи магнитной индукции на входе канала и соответствующая гистограмма распределения амплитуды флуктуаций: а – при отсутствии поля электромагнита (BЭМ = 0), б – при индукции поля электромагнита BЭМ = 280 мТл.
Значение размаха амплитуды эквивалентного входного магнитного шума – примерно 12.5 мкТл – характеризует разрешающую способность аналоговой части измерительного канала по индукции магнитного поля.
Размах шумового напряжения ИДХ [2], приведенного к полосе частот 0.01–4 Гц [6], составляет около 100 мкВ, а эквивалентный входной магнитный шум одного датчика при единичном усилении (коэффициент преобразования 4 мВ/мТл) – 25 мкТл. Таким образом, разработанная схема канала измерения индукции позволяет в 2 раза снизить эквивалентный входной магнитный шум канала, основными источниками которого в схеме по-прежнему остаются магнитные датчики.
При количестве свободных от шума отсчетов, определяемом отношением рабочего диапазона измерения индукции к размаху амплитуды эквивалентного магнитного шума (2·512 мТл/0.012 мТл = 85333.3), свободное от шумов разрешение всего канала измерения индукции магнитного поля составляет log2(85333.3) =16.3 бит.
Также была выполнена оценка долговременного дрейфа измерительного канала. Для сравнения были выбраны результаты испытаний, проведенных на установке, включающей один ИДХ AD22151 и постоянный магнит с индукцией 254 мТл, помещенные в термостатированную камеру [4]. За время около 70 ч относительный дрейф измеряемой магнитной индукции составил ±1.6·10-3. Для разработанного канала при измерении поля электромагнита с индукцией 324 мТл за аналогичный период времени дрейф показаний индукции составил ±2.5·10-4. Здесь необходимо оговориться, что полученное значение нестабильности является интегральной величиной, включающей дрейф тока электромагнита, дрейф ускоряющего напряжения источника ионов и температурный дрейф характеристик магнитной системы масс-анализатора. С учетом этих составляющих долговременный дрейф показаний индукции поля, определяемый только характеристиками канала, может быть оценен как ±2·10-4 за 70 часов.
5. ЗАКЛЮЧЕНИЕ
Разработанный канал измерения магнитной индукции в межполюсном зазоре электромагнита на протяжении года испытывался в составе системы регулирования и стабилизации поля магнитного анализатора масс-спектрометрического комплекса для определения изотопного состава инертных газов. Опытная эксплуатация подтвердила высокую стабильность индукции магнитного поля масс-анализатора, в частности, при настройке магнитной системы на массовое число изотопа 40Ar отклонение от центра пика масс-спектра составило не более 0.02 а.е.м. за 48 ч.
Поскольку точность и стабильность работы отклоняющей системы в значительной степени определяют аналитические характеристики статических магнитных масс-спектрометров, применение нового канала измерения магнитной индукции совместно с обновленным алгоритмом управления током электромагнита позволило повысить разрешающую способность комплекса при сканировании спектра масс и уменьшить погрешность определения изотопных отношений в режиме накопления.
About the authors
В. В. Колобов
Центр физико-технических проблем энергетики Севера – филиал Федерального государственного бюджетного учреждения науки Федерального исследовательского центра “Кольский научный центр РАН”
Author for correspondence.
Email: 1_i@mail.ru
Russian Federation, 184209, Апатиты, Мурманская обл., ул. Ферсмана, 14
М. Б. Баранник
Центр физико-технических проблем энергетики Севера – филиал Федерального государственного бюджетного учреждения науки Федерального исследовательского центра “Кольский научный центр РАН”
Email: maxbarien@mail.ru
Russian Federation, 184209, Апатиты, Мурманская обл., ул. Ферсмана, 14
References
- Колобов В.В., Баранник М.Б. // ПТЭ. 2019. № 5. С. 58. https://doi.org/10.1134/S0032816219050070.
- AD22151 Data sheet. https://www.analog.com/media/en/technical-documentation/data-sheets/AD22151.pdf
- Araujo J.F.D.F., Junior E.B.M., Mendoza L.A.F. // Appl. Sci. 2022. V. 12. P. 12565. https://doi.org/10.3390/app122412565.
- Malafronte A.A., Martins M.N. // Proceed. of the 2005 IEEE Particle Accelerator Conference. 2005. P. 2833. https://doi.org/10.1109/PAC.2005.1591285
- Popovic D.R., Dimitrijevic S., Blagojevic M., Kejik P., Schurig E., Popovic R.S. // IEEE Transactions on Instrumentation and Measurement. 2007. V. 56. P. 1396. https://doi.org/10.1109/imtc.2006.328256
- Managing Noise in the Signal Chain, Part1. https://www. analog.com/media/en/technical-documentation/tech- articles/managing-noise-in-the-signal-chain-part-1-annoying- semiconductor-noise-preventable-or-inescapable.pdf
- Manic D., Petr J., Popovic R.S. // Proceed. of the 2000 IEEE International Reliability Physics Symposium. 2000. P. 225. https://doi.org/10.1109/relphy.2000.843919.
- Johnson D.H., Dudgeon D.E. Array signal processing: concepts and techniques. Englewood Cliffs, NJ: Prentice-Hall, 1993.
- Low Power, Buffered 24-Bit Sigma-Delta ADC AD7791 Data Sheet. https://www.analog.com/media/en/technical-documentation/data-sheets/AD7791.pdf
- Analog Devices MT-074 Tutorial. Differential Drivers for Precision ADCs. 2009. https://www.analog.com/media/en/training-seminars/tutorials/MT-074.pdf
- ADA4522-2 Data sheet. https://www.analog.com/ media/en/technical-documentation/datasheets/ADA4522- 1_4522-2_4522-4.pdf
- Кузьминов А. // Современная электроника. 2012. № 7. C. 28.
- TMP36 Low Voltage Temperature Sensors Data Sheet https://static.chipdip.ru/lib/537/DOC011537682.pdf
- MCP3204/3208 Data sheet. https://ww1.microchip.com/downloads/aemDocuments/documents/APID/ ProductDocuments/DataSheets/21298e.pdf
- MCP3204/3208 Data sheet. https://ww1.microchip.com/downloads/aemDocuments/documents/APID/ ProductDocuments/DataSheets/21298e.pdf
- Managing Noise in the Signal Chain, Part 2. https:// www.analog.com/media/en/technical-documentation/ tech-articles/managing-noise-in-the-signal-chain-part- 2-noise-and-distortion-in-data-converters.pdf
- ADR4540 Data Sheet. https://www.analog.com/ media/en/technical-documentation/data-sheets/adr4520_ 4525_4530_4533_4540_4550.pdf
Supplementary files









