ЗАМКНУТЫЙ БЕСКОНТАКТНЫЙ МЕТОД ИССЛЕДОВАНИЯ ТЕПЛОФИЗИЧЕСКИХ СВОЙСТВ МЕТАЛЛОВ И СПЛАВОВ В ОБЛАСТИ ТЕМПЕРАТУР 1000–2500 К
- Авторы: Румянцев А.В.1, Пятых И.Н.2
-
Учреждения:
- ФГАОУ ВО “Балтийский федеральный университет имени Иммануила Канта”
- Балтийский федеральный университет им. Иммануила Канта
- Выпуск: № 6 (2023)
- Страницы: 203-211
- Раздел: ЛАБОРАТОРНАЯ ТЕХНИКА
- URL: https://journals.rcsi.science/0032-8162/article/view/233281
- DOI: https://doi.org/10.31857/S0032816223040055
- EDN: https://elibrary.ru/SUMLUE
- ID: 233281
Цитировать
Полный текст
Аннотация
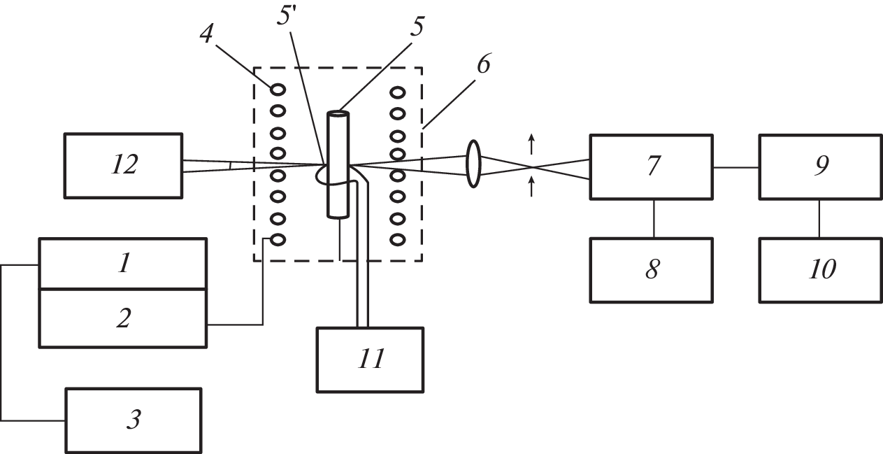
Описан замкнутый бесконтактный метод сходящихся радиальных температурных волн, создаваемых при высокочастотном индукционном модулированном нагреве образца цилиндрической формы. Метод предназначен для исследования теплофизических свойств металлов и сплавов в области высоких температур. Для реализации метода создана экспериментальная установка на базе современной аппаратуры. По данным эксперимента теплофизические параметры определяются со следующими погрешностями: температуропроводность – 2%; теплоемкость – 3%; теплопроводность – 5%; удельное электросопротивление – 1.4%; мощность – 2%. После этого вычисляются плотность, коэффициент объемного теплового расширения, электронная и решеточная теплопроводность, объемная теплоемкость, коэффициент теплоусвоения, монохроматическая и интегральная степени черноты, энтальпия, энтропия, энергия Гиббса. На конкретном примере при исследовании сплава замещения и сплава внедрения показаны преимущества замкнутого метода.
Об авторах
А. В. Румянцев
ФГАОУ ВО “Балтийский федеральный университетимени Иммануила Канта”
Email: albert37@list.ru
Россия, Калининград
И. Н. Пятых
Балтийский федеральный университет им. Иммануила Канта
Автор, ответственный за переписку.
Email: albert37@list.ru
Россия, 236041, Калининград, ул. Александра Невского, 14
Список литературы
- Ивлиев А.Д. // ТВТ. 2009. Т. 47. № 5. С. 771.
- Филиппов Л.П. Измерения теплофизических свойств веществ методом периодического нагрева. М.: Энергоатомиздат, 1984.
- Макаренко И.Н. Дисс. канд. физ.-мат. наук. М.: МГУ, 1970.
- Арутюнов А.В. Дисс. канд. физ.-мат. наук. М.: МГУ, 1970.
- Аталла С.Р. Автореферат дисс. канд. физ.-мат. наук. М.: МГУ, 1971.
- Румянцев А.В., Никишин М.А., Харюков В.Г. // ПТЭ. 2019. № 3. С. 143. https://doi.org/10.1134/S0032816219030091
- Андрианова В.Г., Жук А.З., Зайченко В.Н., Зарецкий Е.Б., Петухов В.А., Чеховcкой В.Я. // ТВТ. 1983. Т. 21. В. 1. С. 80.
Дополнительные файлы







