Исследование работы оптического датчика для регистрации параметров высокоскоростных пылевых частиц
- Авторы: Калаев М.П.1, Родина А.В.2, Телегин А.М.1, Исмагилова Е.В.2
-
Учреждения:
- Самарский национальный исследовательский университет им. акад. С.П. Королева (Самарский университет)
- Самарский национальный исследовательский университет имени акад. С.П. Королева (Самарский университет)
- Выпуск: № 6 (2023)
- Страницы: 142-149
- Раздел: ФИЗИЧЕСКИЕ ПРИБОРЫ ДЛЯ ЭКОЛОГИИ, МЕДИЦИНЫ, БИОЛОГИИ
- URL: https://journals.rcsi.science/0032-8162/article/view/233272
- DOI: https://doi.org/10.31857/S0032816223060022
- EDN: https://elibrary.ru/XVAHTB
- ID: 233272
Цитировать
Полный текст
Аннотация
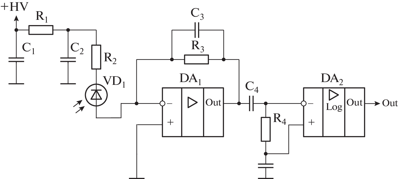
Приведено описание датчика микрометеороидов и частиц космического мусора, основанного на регистрации отраженного и рассеянного лазерного излучения при прохождении частицы через оптический барьер. Предложена конструкция первичного преобразователя датчика, проведен теоретический анализ разрешающей способности, а также описание его схемотехнической реализации. Проведено моделирование с использованием метода трассировки лучей в специализированном программном обеспечении.
Об авторах
М. П. Калаев
Самарский национальный исследовательский университет им. акад. С.П. Королева(Самарский университет)
Email: talex85@mail.ru
Россия, 443086, Самара, Московское шоссе, 34
А. В. Родина
Самарский национальный исследовательский университет имени акад. С.П. Королева(Самарский университет)
Email: talex85@mail.ru
Россия, 443086, Самара, Московское ш., 34
А. М. Телегин
Самарский национальный исследовательский университет им. акад. С.П. Королева(Самарский университет)
Email: talex85@mail.ru
Россия, 443086, Самара, Московское шоссе, 34
Е. В. Исмагилова
Самарский национальный исследовательский университет имени акад. С.П. Королева(Самарский университет)
Автор, ответственный за переписку.
Email: talex85@mail.ru
Россия, 443086, Самара, Московское ш., 34
Список литературы
- Воронов К.Е., Григорьев Д.П., Телегин А.М. // Успехи прикладной физики. 2021. V. 9. № 3. P. 245. https://doi.org/10.51368/2307-4469-2021-9-3-245-265
- Kalaev M.P., Telegin A.M., Voronov K.E., Lixiang J., Jilong J. // Computer Opt. 2019. V. 43. Iss. 5. P. 803. https://doi.org/10.18287/2412-6179-2019-43-5-803-809
- Auer S., Grün E., Srama R., Kemp S., Auera R. // Planetary and Space Science. 2002. V. 50. P. 773. https://doi.org/10.1016/S0032-0633(02)00019-3
- José M. Sánchez-Pena, Marcos C., María Y. Fernández, Zaera R. // Opt. Engineering. 2007. V. 46. Iss. 5. Art. № 051014. https://doi.org/10.1117/1.2740771
- Glasse B., Zerwas A., Guardani R., Fritsching U. // Meas. Sci. Technol. 2014. V. 25. Art. № 035205. https://doi.org/10.1088/0957-0233/25/3/035205
- Bohren C.F., Huffman D.R. Absorption and Scattering of Light by Small Particles. New York: John Wiley & Sons, 1983. P. 533. (Борен К., Хафмен Д. Поглощение и рассеяние света малыми частицами / Пер. с англ. М.: Мир, 1986. P. 664.)
- Van de Hulst H.C. Light Scattering by Small Particles. London: John Wiley and Sons, Inc.; Chapman and Hall, Ltd., 1957. (Ван де Хюлст. Г. Рассеяние света малыми частицами, М.: Издательство иностранной литературы, 1961.)
- Сапронов М.В., Скорнякова Н.М. Труды Международной конференции по компьютерной графике и зрению “Графикон”. 2019. P. 99.
- Deirmendjian D. Electromagnetic scattering on spherical polydispersions. New York: American Elsevier publishing company, Inc., 1969. P. 318. (Дейрменджан Д. Рассеяние электромагнитного излучения сферическими полидисперсными частицами / Пер. с англ. под ред. К.Н. Кондратьева. М.: Мир, 1971. С. 165.)
- Weiner M. Rust, Donnelly T.D. // Am. J. Phys. 2001. V. 69. Iss. 2. P. 129. https://doi.org/10.1119/1.1311785
- Peltoniemi J., Zubko N., Virkki A., Gritsevich M., Moilanen J., Roulet J., Nguyen D., Mitev V., Putzar R., Watson E., Schimmerohn M., Penttila A., Muinonen K., Millinger M. // Adv. Space Research. 2022. V. 70. P. 2961. https://doi.org/10.1016/j.asr.2022.09.022
- Телегин А.М., Пияков А.В. // ПТЭ. 2017. № 6. P. 101. https://doi.org/10.1134/S0020441217060100
Дополнительные файлы












