A Two-Frequency Resonator for Exciting Hyperfine Transitions in a Nitrogen-Vacancy Color Center in Diamond
- Authors: Soshenko V.V.1,2, Smolyaninov A.N.1, Primak E.A.2,3, Vilyuzhanina P.G.4, Drofa S.M.1,3, Kozodaev A.M.1,4, Rubinas O.R.1,2, Bolshedvorskii S.V.1,2, Kozhokaru I.S.1,2,5, Akimov A.V.1,2,5
-
Affiliations:
- Sensor Spin Technologies, Skolkovo Innovation Center
- Lebedev Physical Institute, Russian Academy of Sciences
- Moscow Institute of Physics and Technology (National Research University)
- National Research Nuclear University MEPhI, LaPlaz Institute
- International Center for Quantum Technologies, Skolkovo Innovation Center
- Issue: No 4 (2023)
- Pages: 92-96
- Section: ОБЩАЯ ЭКСПЕРИМЕНТАЛЬНАЯ ТЕХНИКА
- URL: https://journals.rcsi.science/0032-8162/article/view/138432
- DOI: https://doi.org/10.31857/S0032816223030138
- EDN: https://elibrary.ru/IUQXAU
- ID: 138432
Cite item
Full Text
Abstract
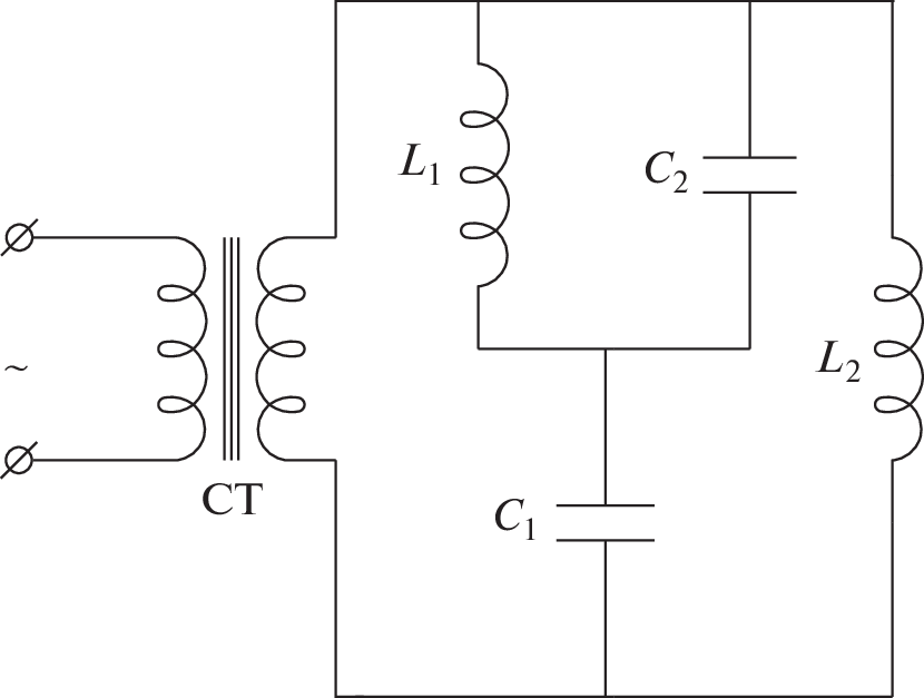
The results of the development of a two-frequency resonator operating at frequencies of 4.95 and 7.1 MHz, which correspond to the frequencies of hyperfine transitions of the ground state of a nitrogen-vacancy color center in diamond, are presented. The efficiency of the resonator has been demonstrated via observation of Rabi oscillations. With a resonator input power of 0.3 W, the amplitude of the alternating magnetic field was 1.6 and 1 mT for field frequencies of 4.95 and 7.1 MHz, respectively.
About the authors
V. V. Soshenko
Sensor Spin Technologies, Skolkovo Innovation Center; Lebedev Physical Institute, Russian Academy of Sciences
Email: soshenko.v@gmail.com
121205, Moscow, Russia; 119991, Moscow, Russia
A. N. Smolyaninov
Sensor Spin Technologies, Skolkovo Innovation Center
Email: ivancojocaruwork@gmail.com
121205, Moscow, Russia
E. A. Primak
Lebedev Physical Institute, Russian Academy of Sciences; Moscow Institute of Physics and Technology (National Research University)
Email: ivancojocaruwork@gmail.com
119991, Moscow, Russia; 141701, Dolgoprudny, Moscow oblast, Russia
P. G. Vilyuzhanina
National Research Nuclear University MEPhI, LaPlaz Institute
Email: ivancojocaruwork@gmail.com
115409, Moscow, Russia
S. M. Drofa
Sensor Spin Technologies, Skolkovo Innovation Center; Moscow Institute of Physics and Technology (National Research University)
Email: ivancojocaruwork@gmail.com
121205, Moscow, Russia; 141701, Dolgoprudny, Moscow oblast, Russia
A. M. Kozodaev
Sensor Spin Technologies, Skolkovo Innovation Center; National Research Nuclear University MEPhI, LaPlaz Institute
Email: ivancojocaruwork@gmail.com
121205, Moscow, Russia; 115409, Moscow, Russia
O. R. Rubinas
Sensor Spin Technologies, Skolkovo Innovation Center; Lebedev Physical Institute, Russian Academy of Sciences
Email: ivancojocaruwork@gmail.com
121205, Moscow, Russia; 119991, Moscow, Russia
S. V. Bolshedvorskii
Sensor Spin Technologies, Skolkovo Innovation Center; Lebedev Physical Institute, Russian Academy of Sciences
Email: ivancojocaruwork@gmail.com
121205, Moscow, Russia; 119991, Moscow, Russia
I. S. Kozhokaru
Sensor Spin Technologies, Skolkovo Innovation Center; Lebedev Physical Institute, Russian Academy of Sciences; International Center for Quantum Technologies, Skolkovo Innovation Center
Email: ivancojocaruwork@gmail.com
121205, Moscow, Russia; 119991, Moscow, Russia; 121205, Moscow, Russia
A. V. Akimov
Sensor Spin Technologies, Skolkovo Innovation Center; Lebedev Physical Institute, Russian Academy of Sciences; International Center for Quantum Technologies, Skolkovo Innovation Center
Author for correspondence.
Email: ivancojocaruwork@gmail.com
121205, Moscow, Russia; 119991, Moscow, Russia; 121205, Moscow, Russia
References
- Schirhagl R., Chang K., Loretz M., Degen C.L. // Annu. Rev. Phys. Chem. 2014. V. 65. P. 83 https://doi.org/10.1146/annurev-physchem-040513-103659
- Acosta V.M., Bauch E., Ledbetter M.P., Waxman A., Bouchard L.-S., Budker D. // Phys. Rev. Let. 2010. V. 104. P. 070801. https://doi.org/10.1103/PhysRevLett.104.070801
- Soshenko V.V., Bolshedvorskii S.V., Rubinas O., Sorokin V.N., Smolyaninov A.N., Vorobyov V.V., Akimov A.V. // Phys. Rev. Let. 2021. V. 126. P. 197702. https://doi.org/10.1103/PhysRevLett.126.197702
- Vorobyov V.V., Soshenko V.V., Bolshedvorskii S.V., Javadzade J., Lebedev N., Smolyaninov A.N., Sorokin V.N., Akimov A.V. // The European Physical Journal D. 2016. V. 70. Article number 269. https://doi.org/10.1140/epjd/e2016-70099-3
- Hirose M., Cappellaro P. // Nature. 2016. V. 532. P. 77. https://doi.org/10.1038/nature17404
- Sangtawesin S., McLellan C.A., Myers B.A., Bleszyn-ski Jayich A.C., Awschalom D.D., Petta J.R. // New J. Phys. 2016. V. 18. P. 083016. https://doi.org/10.1088/1367-2630/18/8/083016
- Soshenko V.V., Vorobyov V.V., Bolshedvorskii S.V., Rubinas O., Cojocaru I., Kudlatsky B., Zeleneev A.I., Sorokin V.N., Smolyaninov A.N., Akimov A.V. // Phys. Rev. B. 2020. V. 102. P. 125133. https://doi.org/10.1103/PhysRevB.102.125133
- Chen M., Hirose M., Cappellaro P. // Phys. Rev. B. 2015. V. 92. P. 020101(R). https://doi.org/10.1103/PhysRevB.92.020101
Supplementary files









