A Scintillating Fiber Hodoscope for the SPASCHARM Experiment at the U-70 Accelerator Complex
- Authors: Ryazantsev A.V.1, Bukreeva S.I.1, Vasiliev A.N.1,2, Gorin A.M.1, Goncharenko Y.M.1, Moiseev V.V.1, Mochalov V.V.1,2, Semenov P.A.1,2
-
Affiliations:
- Institute for High Energy Physics named by A. A. Logunov of National Research Centre “Kurchatov Institute” (NRC “Kurchatov Institute”–IHEP)
- National Research Nuclear University MEPhI (Moscow Engineering Physics Institute)
- Issue: No 4 (2023)
- Pages: 48-54
- Section: ТЕХНИКА ЯДЕРНОГО ЭКСПЕРИМЕНТА
- URL: https://journals.rcsi.science/0032-8162/article/view/138418
- DOI: https://doi.org/10.31857/S0032816223030096
- EDN: https://elibrary.ru/ISFXRQ
- ID: 138418
Cite item
Full Text
Abstract
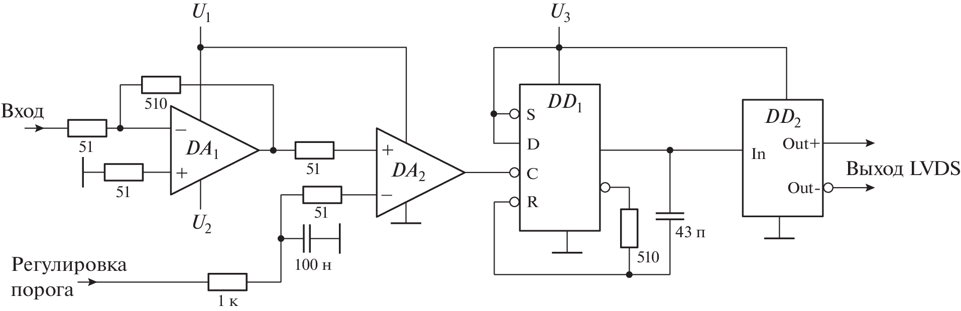
A high-resolution scintillating fiber hodoscope comprising multi-anode photomultiplier tubes is presented. The technologies for manufacturing fiber bundles and mounting them into the detector housing are described in detail. The functional diagram of the anode-signal discriminator and the characteristics of the hodoscope operating as the part of an experimental setup at the beamline 14 of the U-70 accelerator complex are presented.
About the authors
A. V. Ryazantsev
Institute for High Energy Physics named by A. A. Logunov of National Research Centre “Kurchatov Institute” (NRC “Kurchatov Institute”–IHEP)
Email: ryazants@ihep.ru
142281, Protvino, Moscow oblast, Russia
S. I. Bukreeva
Institute for High Energy Physics named by A. A. Logunov of National Research Centre “Kurchatov Institute” (NRC “Kurchatov Institute”–IHEP)
Email: ryazants@ihep.ru
142281, Protvino, Moscow oblast, Russia
A. N. Vasiliev
Institute for High Energy Physics named by A. A. Logunov of National Research Centre “Kurchatov Institute” (NRC “Kurchatov Institute”–IHEP); National Research Nuclear University MEPhI (Moscow Engineering Physics Institute)
Email: ryazants@ihep.ru
142281, Protvino, Moscow oblast, Russia; 115409, Moscow, Russia
A. M. Gorin
Institute for High Energy Physics named by A. A. Logunov of National Research Centre “Kurchatov Institute” (NRC “Kurchatov Institute”–IHEP)
Email: ryazants@ihep.ru
142281, Protvino, Moscow oblast, Russia
Yu. M. Goncharenko
Institute for High Energy Physics named by A. A. Logunov of National Research Centre “Kurchatov Institute” (NRC “Kurchatov Institute”–IHEP)
Email: ryazants@ihep.ru
142281, Protvino, Moscow oblast, Russia
V. V. Moiseev
Institute for High Energy Physics named by A. A. Logunov of National Research Centre “Kurchatov Institute” (NRC “Kurchatov Institute”–IHEP)
Email: ryazants@ihep.ru
142281, Protvino, Moscow oblast, Russia
V. V. Mochalov
Institute for High Energy Physics named by A. A. Logunov of National Research Centre “Kurchatov Institute” (NRC “Kurchatov Institute”–IHEP); National Research Nuclear University MEPhI (Moscow Engineering Physics Institute)
Email: ryazants@ihep.ru
142281, Protvino, Moscow oblast, Russia; 115409, Moscow, Russia
P. A. Semenov
Institute for High Energy Physics named by A. A. Logunov of National Research Centre “Kurchatov Institute” (NRC “Kurchatov Institute”–IHEP); National Research Nuclear University MEPhI (Moscow Engineering Physics Institute)
Author for correspondence.
Email: ryazants@ihep.ru
142281, Protvino, Moscow oblast, Russia; 115409, Moscow, Russia
References
- Abramov V.V., Azhgirey I.L., Borisov A.A., Bukreeva S.I., Vasiliev A.N., Garkusha V.I., Goncharenko Yu.M., Gorin A.M., Derevshchikov A.A., Zapolsky V.N., Isaev A.N., Kalugin N.K., Kachanov V.A., Kozhin A.S., Likhoded A.K. et al. // Physics of Particles and Nuclei. 2023. V. 54. № 1. P. 69. https://doi.org/10.1134/S1063779623010021
- Апокин В.Д., Беликов Н.И., Васильев А.Н., Гончаренко Ю.М., Грачев О.А., Гришин В.Н., Давиденко А.М., Деревщиков А.А., Ильин Ю.А., Кормилицын В.А., Матуленко Ю.А., Медведев В.А., Мельник Ю.М., Мещанин А.П., Михалин Н.Е. и др. // ПТЭ. 1998. № 4. С. 23.
- RD17 – FAROS Collaboration. Agoritsas V. et al. // Nucl. Phys. B (Proc. Suppl.) 1995. V. 44. P. 323. https://doi.org/10.1016/S0920-5632(95)80051-4
- DIRAC Collaboration. Adeva B. et al. // Nucl. Instrum. and Methods. A. 2003. V. 515. P. 467. https://doi.org/10.1016/j.nima.2003.08.114
- Horicawa S., Daito I., Gorin A., Hasegawa T., Horikawa N., Iwata T., Kuroda K., Manuilov I., Matsuda T., Miyachi Y., Riazantsev A., Sidorov A., Takabayashi N., Toeda T. // Nucl. Instrum. and Methods. A. 2004. V. 516. P. 34. https://doi.org/10.1016/j.nima.2003.07.038
- https://www.kuraray.com
- https://www.hamamatsu.com
- Букреева С.И., Емельянов Н.М., Исаев А.Н., Карпеков Ю.Д., Киселев Ю.С., Петров В.С., Сенько В.А., Солдатов М.М., Шаланда Н.А., Якимчук В.И. // ПТЭ. 2014. № 6. С. 23. https://doi.org/10.7868/S003281621405005X
- https://www.caen.it
Supplementary files










