Equipment for Studying Pulsed Microplasma Processes in Aqueous Solutions
- Authors: Mamaev A.I.1, Mamaeva V.A.1, Bespalova Y.N.1, Baranov P.F.2
-
Affiliations:
- National Research Tomsk State University Russia
- National Research Tomsk Polytechnic University Russia
- Issue: No 2 (2023)
- Pages: 87-94
- Section: ОБЩАЯ ЭКСПЕРИМЕНТАЛЬНАЯ ТЕХНИКА
- URL: https://journals.rcsi.science/0032-8162/article/view/138333
- DOI: https://doi.org/10.31857/S0032816223010196
- EDN: https://elibrary.ru/PVRNXB
- ID: 138333
Cite item
Full Text
Abstract
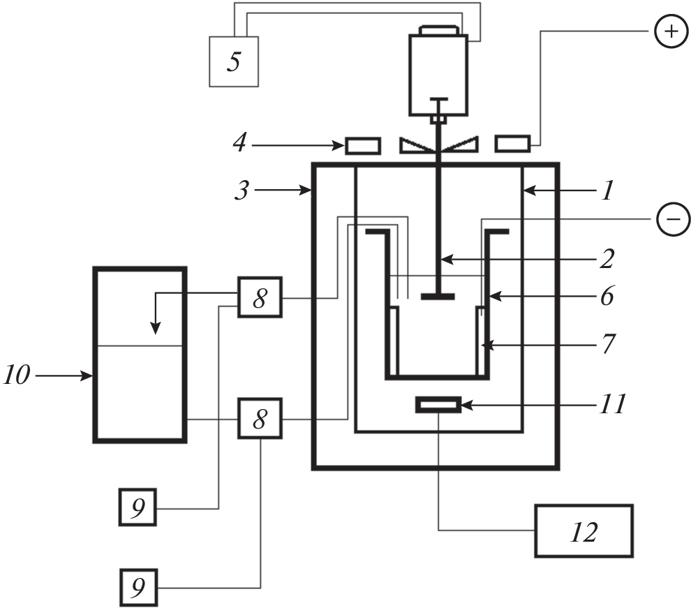
Equipment and software have been developed for carrying out potentiometric, amperometric, and volt-amperometric measurements during pulsed microplasma oxidation in aqueous electrolyte solutions. The complex setup makes it possible to determine the rates of plasma and electrochemical processes in electrolyte solutions, the potentials for ignition and quenching of plasma discharges, the value of the time constant of the transient process, and also to investigate the effect of hydrodynamic factors on microplasma processes to determine the coating thickness and alloy type.
About the authors
A. I. Mamaev
National Research Tomsk State University Russia
Email: aim1953@yandex.ru
634050, Tomsk, Russia
V. A. Mamaeva
National Research Tomsk State University Russia
Email: aim1953@yandex.ru
634050, Tomsk, Russia
Yu. N. Bespalova
National Research Tomsk State University Russia
Email: aim1953@yandex.ru
634050, Tomsk, Russia
P. F. Baranov
National Research Tomsk Polytechnic University Russia
Author for correspondence.
Email: aim1953@yandex.ru
634050, Tomsk, Russia
References
- Мамаев А.И., Мамаева В.А., Бориков В.Н., Дорофеева Т.А. Формирование наноструктурных неметаллических неорганических покрытий путем локализации высокоэнергетических потоков на границе раздела фаз. Томск: Изд-во Томского ун-та, 2010.
- Гордиенко П.С., Хрисанфова О.А., Коркош С.В. Патент РФ № 1788793. Опубл. 27.05.1996.
- Дураджи В.Н., Парсаданян А.С. Нагрев металлов в электролитной плазме. Кишинев: Штиинца, 1988.
- Суминов И.В., Белкин П.Н., Эпельфельд А.В., Людин В.Б., Крит Б.Л., Борисов A.M. Плазменно-электролитическое модифицирование поверхности металлов и сплавов. Т. 2. М.: Техносфера, 2011.
- Мамаев А.И., Мамаева В.А., Выборнова С.Н. Патент РФ № 2126691. Опубл. 27.02.1999.
- Марков Г.А., Белеванцев В.И., Слонова А.И., Терлеева О.Л., Шулепко Е.К., Кириллов В.И. // Трение и износ (ВНТЖ). 1988. Т. 9. Вып. 2. С. 286.
- Muravyov S.V., Borikov V.N., Natalinova N.M. // Measurement and Control. 2009. V. 42. Issue 2. P. 44. https://doi.org/10.1177/002029400904200202
- Golubkov P.E., Pecherskaya E.A., Melnikov O.A., Zinchenko T.O., Kozlov G.V., Antipenko V.V. // Journal of Physics: Conference Series. 2020. 1695. P. 012178. https://doi.org/10.1088/1742-6596/1695/1/012178.
- Дамаскин Б.Б., Петрий О.А. Введение в электрохимическую кинетику. М.: Высшая школа, 1983.
- Феттер К. Электрохимическая кинетика. М.: Химия, 1967.
- Мамаев А.И., Дорофеева Т.И., Бориков В.Н., Мамаева В.А. // Технология металлов. 2006. № 6. С. 37.
- Мамаев А.И., Мамаева В.А., Беспалова Ю.Н. // Журнал технической физики. 2022. № 9. С. 1440. https://doi.org/10.21883/JTF.2022.09.52937.90-22
Supplementary files









