STRUCTURAL FEATURES OF THE RAPIDLY QUENCHED Al–Cu–Fe ALLOY WITH DECAGONAL QUASICRYSTALS
- Authors: Pavlov I.S.1, Bakhteeva N.D.2, Golovin A.L.1, Todorova E.V.2, Chueva T.R.2, Vasiliev A.L.1,3,4
-
Affiliations:
- Shubnikov Institute of Crystallography, Federal Scientific and Research Center “Crystallography and Photonics,”Russian Academy of Sciences, Moscow, 119333 Russia
- Baikov Institute of Metallurgy and Materials Science, Russian Academy of Sciences, Moscow, 119334 Russia
- National Research Centre “Kurchatov Institute,” Moscow, 123098 Russia
- Moscow Institute of Physics and Technology, Moscow oblast, Dolgoprudny, 141701 Russia
- Issue: Vol 68, No 1 (2023)
- Pages: 115-120
- Section: НАНОМАТЕРИАЛЫ, КЕРАМИКА
- URL: https://journals.rcsi.science/0023-4761/article/view/137379
- DOI: https://doi.org/10.31857/S0023476123010186
- EDN: https://elibrary.ru/DQIIFY
- ID: 137379
Cite item
Full Text
Abstract
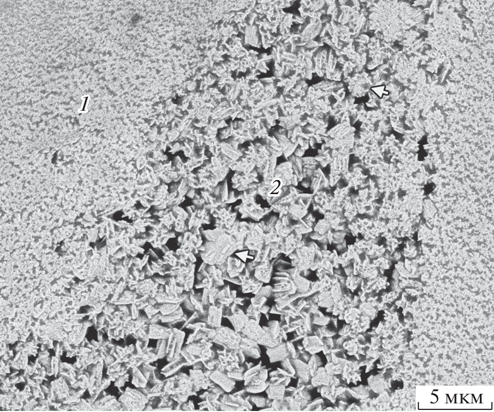
The multiphase alloys with a high Al content and the presence of quasicrystalline phases are promising for aviation and space industry due to their low specific weight, high specific strength, corrosion resistance, and high tribological properties. An Al82Cu7Fe11 alloy ribbon has been obtained by spinning. It is shown by X-ray diffraction analysis that the alloy contains Al (sp. gr. Fm m), Al13Fe4 (sp. gr. С2/m), Al2Cu (sp. gr. I4/mcm), Al23CuFe4 (sp. gr. Cmc21), and decagonal quasicrystals (sp. gr. P105mc). The inhomogeneity of the ribbon surface is revealed by scanning electron microscopy. The presence of Al, Al13Fe4, and decagonal quasicrystals in the ribbon is found by transmission electron microscopy.
Keywords
About the authors
I. S. Pavlov
Shubnikov Institute of Crystallography, Federal Scientific and Research Center “Crystallography and Photonics,”Russian Academy of Sciences, Moscow, 119333 Russia
Email: ispav88@gmail.com
Россия, Москва
N. D. Bakhteeva
Baikov Institute of Metallurgy and Materials Science, Russian Academy of Sciences, Moscow, 119334 Russia
Email: ispav88@gmail.com
Россия, Москва
A. L. Golovin
Shubnikov Institute of Crystallography, Federal Scientific and Research Center “Crystallography and Photonics,”Russian Academy of Sciences, Moscow, 119333 Russia
Email: ispav88@gmail.com
Россия, Москва
E. V. Todorova
Baikov Institute of Metallurgy and Materials Science, Russian Academy of Sciences, Moscow, 119334 Russia
Email: ispav88@gmail.com
Россия, Москва
T. R. Chueva
Baikov Institute of Metallurgy and Materials Science, Russian Academy of Sciences, Moscow, 119334 Russia
Email: ispav88@gmail.com
Россия, Москва
A. L. Vasiliev
Shubnikov Institute of Crystallography, Federal Scientific and Research Center “Crystallography and Photonics,”Russian Academy of Sciences, Moscow, 119333 Russia; National Research Centre “Kurchatov Institute,” Moscow, 123098 Russia; Moscow Institute of Physics and Technology, Moscow oblast, Dolgoprudny, 141701 Russia
Author for correspondence.
Email: ispav88@gmail.com
Россия, Москва; Россия, Москва; Россия, Москва
References
- Shechtman D., Blech I., Gratias D. et al. // Phys. Rev. Lett. 1984. V. 53. P. 1951. https://doi.org/10.1103/PhysRevLett.53.1951
- Tsai A.P., Inoue A., Masumoto T. // Jpn. J. Appl. Phys. 1987. V. 26. P. L1505. https://doi.org/10.1143/JJAP.26.L1505
- Audier M., Bréchet Y., De Boissieu M. et al. // Philos. Mag. B. 1991 V. 63. P. 1375. https://doi.org/10.1080/13642819108205568
- Zhang Z., Li N.C., Urban K. // J. Mater. Res. 1991. V. 6. P. 366. https://doi.org/10.1557/JMR.1991.0366
- Ishimasa T., Fukano Y., Tsuchimori M. // Philos. Mag. Lett. 1988. V. 58. P. 157. https://doi.org/10.1080/09500838808214748
- Wang N., Chen H., Kuo K.H. // Phys. Rev. Lett. 1987. V. 59. P. 1010. https://doi.org/10.1103/PhysRevLett.59.1010
- Bendersky L. // Phys. Rev. Lett. 1985. V. 55. P. 1461. https://doi.org/10.1103/PhysRevLett.55.1461
- Ishimasa T., Nissen H.U., Fukano Y. // Phys. Rev. Lett. 1985. V. 55. P. 511. https://doi.org/10.1103/PhysRevLett.55.511
- Chattopadhyay K., Lele S., Ranganathan S. // Curr. Sci. 1985. V. 54. P. 895.
- Fung K.K., Yang C.Y., Zhou Y.Q. et al. // Phys. Rev. Lett. 1986. V. 56. P. 2060. https://doi.org/10.1103/PhysRevLett.56.2060
- Zou X.D., Fung K.K., Kuo K.H. // Phys. Rev. B. 1987. V. 35. P. 4526. https://doi.org/10.1103/PhysRevB.35.4526
- He L.X., Wu Y.K., Kuo K.H. // J. Mater. Sci. Lett. 1988. V. 7. P. 1284. https://doi.org/10.1007/BF00719959
- Singh A., Ranganathan S. // Acta Met. Mater. 1995. V. 43. P. 3553. https://doi.org/10.1016/0956-7151(95)00025-Q
- Cheng Y.F., Hui M.J., Li F.H. // Philos. Mag. Lett. 1991. V. 64. P. 129. https://doi.org/10.1080/09500839108214678
- Ebalard S., Spaepen F. // J. Mater. Res. 1990. V. 5. P. 62. https://doi.org/10.1557/JMR.1990.0062
- Menon J., Suryanarayana C. // Phys. Status Solidi. 1988. V. 107. P. 693. https://doi.org/10.1002/pssa.2211070224
- Шалаева В.В., Прекул Е.В., Назарова А.Ф. и др. // ФТТ. 2012. Т. 54. С. 657.
- Шалаева С.В., Чернышев Е.В., Смирнова Ю.В. и др. // ФТТ. 2013. Т. 55. С. 2095.
- Кузей А. Структурно-фазовые превращения в быстрозакаленных алюминиевых сплавах. М.: Беларуская навука, 2011. 399 с.
- Неумержицкая Е.Ю. Дис. “Структура и микротвердость сплавов алюминия с 3d-переходными металлами, полученных сверхбыстрой закалкой из расплава”… канд. физ.-мат. наук. М.: БГУ, 2006.
- Чугунов Л.Л., Осипов Д.Б., Калмыков А.К. и др. // Вестн. МГУ. Сер. 2. Химия. 2015. Т. 56. С. 98.
- Menguy N., Audier M., Guyot P. et al. // Philos. Mag. B. 1993. V. 68. P. 595. https://doi.org/10.1080/13642819308220145
- Векилов Ю.Х. // СОЖ. Сер. Физика. 1997. Т. 4. С. 87.
- Leonard H.R., Rommel S., Li M.X. et al. // Mater. Sci. Eng. A. 2020. V. 788. P. 139487. https://doi.org/10.1016/j.msea.2020.139487
- Watson T.J., Gordillo M.A., Cernatescu I. et al. // Scr. Mater. 2016. V. 123 P. 51. https://doi.org/10.1016/j.scriptamat.2016.05.037
- Watson T.J., Gordillo M.A., Ernst A.T. et al. // Corros. Sci. 2017. V. 121. P. 133. https://doi.org/10.1016/j.corsci.2017.03.010
- Watson T.J., Nardi A., Ernst A.T. et al. // Surf. Coatings Technol. 2017. V. 324. P. 57. https://doi.org/10.1016/j.surfcoat.2017.05.049
- Теплов А.А., Белоусов С.И., Головкова Е.А. и др. // Кристаллография. 2022. Т. 67. № 2. С. 170. https://doi.org/10.31857/S0023476122020254
- Клюева М.В. Дис. “Особенности синтеза и электронного транспорта монокристаллов квазикристаллических фаз и аппроксимант системы Al–Co–Cu–Fe”… канд. физ.-мат. наук. М.: МИСиС, 2016.
- Yamamoto A. // Acta Cryst. A. 1996. V. 52. P. 509. https://doi.org/10.1107/S0108767396000967
- Koopmans B., Schurer P.J., Van der Woude F. et al. // Phys. Rev. B. 1987. V. 35. P. 3005. https://doi.org/10.1103/PhysRevB.35.3005
- Fitz Gerald J.D., Withers R.L., Stewart A.M. et al. // Philos. Mag. B. 1988. V. 58. P. 15. https://doi.org/10.1080/13642818808211241
- Thangaraj N., Subbanna G.N., Ranganathan S. et al. // J. Microsc. 1987. V. 146. P. 287. https://doi.org/10.1111/j.1365-2818.1987.tb01351.x
- Singh A., Ranganathan S. // Philos. Mag. A. Phys. Condens. Matter, Struct. Defects Mech. Prop. 1996. V. 74. P. 821. https://doi.org/10.1080/01418619608242163
- de Wolff P.M. // Acta Cryst. A. 1974. V. 30. P. 777. https://doi.org/10.1107/S0567739474010710
- Janner A., Janssen T. // Phys. Rev. B. 1977. V. 15. P. 643. https://doi.org/10.1103/PhysRevB.15.643
- Janner A., Janssen T. // Physica. A. 1979. V. 99. P. 47. https://doi.org/10.1016/0378-4371(79)90124-9
- Yamamoto A., Ishihara K.N. // Acta Cryst. A. 1988. V. 44. P. 707. https://doi.org/10.1107/S010876738800296X
- Steurer W. // Z. Krist. 2004. B. 219. S. 391. https://doi.org/10.1524/zkri.219.7.391.35643
- Henley C.L. // J. Non. Cryst. Solids. 1985. V. 75. P. 91. https://doi.org/10.1016/0022-3093(85)90208-X
Supplementary files







