Ignition of anthracite microparticles by continuous laser radiation with wavelengths of 450 and 808 nm
- Authors: Aduyev B.P.1, Belokurov G.M.1, Liskov I.Y.1, Nurmukhametov D.R.1
-
Affiliations:
- FSBSC The Federal Research Center of Coal and Coal-Chemistry of Siberian Branch of the Russian Academy of Sciences (FRC CCC SB RAS)
- Issue: No 3 (2024)
- Pages: 40-48
- Section: Articles
- URL: https://journals.rcsi.science/0023-1177/article/view/266906
- DOI: https://doi.org/10.31857/S0023117724030069
- EDN: https://elibrary.ru/NCBCJL
- ID: 266906
Cite item
Full Text
Abstract
The energy and spectral-kinetic characteristics of ignition of anthracite microparticle powders with a bulk density of 0.5 g/cm3 were measured when exposed to continuous laser radiation at wavelengths λ = 450 and 808 nm with an exposure time of 1 second. Ignition delay times were measured depending on the radiation power density and critical values of the ignition energy density of anthracite samples were determined. The energy cost of igniting anthracite for radiation with λ = 450 nm is less than for radiation with λ = 808 nm. In the emission spectra of anthracite resulting from the absorption of laser radiation, there is a glow associated with the release and ignition of volatile substances (flame CO, glow of excited molecules CO, C2 and H2O) and thermal glow associated mainly with the heated surface of the samples, as well as the flight of incandescent carbon particles.
Keywords
Full Text
Введение
Ископаемые угли – основные материалы, применяемыми в энергетике. Важной задачей является совершенствование методов сжигания углей с наибольшей эффективностью и наименьшим ущербом для окружающей среды. В связи с этим актуальна разработка методов безмазутного розжига топлива в угольных котлах, поскольку мазут приводит к ускоренной коррозии конструкционных материалов и наносит вред окружающей среде [1].
В этом направлении перспективна разработка физических методов розжига угольного топлива. В настоящее время для этой цели разработаны и начинают получать применение для розжига пылеугольного топлива плазмотроны [2–5].
Большой интерес представляет применение лазерного излучения. В настоящее время ведутся такие разработки, в частности имеется патент на розжиг пылеугольного топлива в воздушном потоке лазерным излучением [6]. Для разработки методов лазерного розжига угольного топлива любого состава необходимо исследовать механизмы лазерного зажигания углей. Такие работы ведутся с использованием неодимового и CO2-лазеров [7–14].
Наибольшую информацию о механизме лазерного зажигания можно получить, используя импульсные лазеры в сочетании с регистрирующей аппаратурой, имеющей высокое временное разрешение [15–20].
Тем не менее для практического применения необходимо исследовать зажигание угольного топлива с использованием относительно дешевых полупроводниковых лазеров непрерывного действия. В наших работах [21, 22] исследовано зажигание угольных микрочастиц с использованием образцов насыпной плотности марок Б (бурый), ДГ (длиннопламенный газовый), Г (газовый), Ж (жирный) и К (коксовый) при воздействии полупроводниковых лазеров непрерывного действия с длинами волн λ = 450 и 808 нм, и дана интерпретация полученных результатов с помощью представлений, полученных при использовании импульсного лазерного зажигания микрочастиц углей [15–20].
Таблица 1. Результаты технического анализа аналитических проб антрацита
Марка угля | Технический анализ, ٪ | |||
Wa | Ad | Vdaf | C, % | |
А | 0.4 | 3.6 | 7.7 | 89.6 |
Показатель Wa – влага аналитическая, Ad – зольность, Vdaf – показатель выхода летучих веществ, C – содержание углерода.
Исследование зажигания угля марки А (антрацит), наиболее зрелого в ряду метаморфизма, является продолжением работ [21, 22].
Образцы и методика
В экспериментах использовались образцы насыпной плотности с ρ = 0.5 г/см3 угля марки А (антрацит, разрез Бунгурский Кузнецкого угольного бассейна). Проводился помол углей на шаровой мельнице АГО-2 и рассеивание через сито с ячейкой 63 мкм. Просеянный порошок собирался в специальной посуде, закрытой для доступа воздуха. Результат технического анализа порошков углей, измеренный согласно ГОСТ Р.53357-2013 представлен в табл. 1.
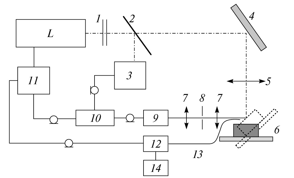
Измерение распределения частиц по размерам производилось с помощью лазерного дифрактометра Fritsch Analysette 22 comfort. Частицы занимают диапазон от 0.5 до 63 мкм с максимумом распределения при 20 мкм. Порошок угля помещался в медный капсюль диаметром 5 мм и глубиной 2 мм. Функциональная схема экспериментальной установки для измерения кинетических, энергетических и спектральных характеристик представлена на рис. 1.
Рис. 1. Функциональная схема экспериментальной установки для измерения кинетических, энергетических и спектральных характеристик: 1 – стеклянные нейтральные светофильтры, 2 – прозрачная стеклянная пластина, 3 – фотодиод, 4 – поворотное зеркало, 5 –линза, 6 – образец, 7 – линза, 8 – щель (0.1 × 3 мм), 9 – фотоумножитель, 10 – осциллограф, 11 – генератор импульсов, 12 – спектрометр, 13 – световод, 14 – компьютер.
Зажигание углей осуществлялось с помощью полупроводниковых лазеров (L) непрерывного действия на длинах волн λ = 808 нм, либо λ = 450 нм, с регулируемой мощностью излучения до 10 и 20 Вт соответственно. Мощность излучения регулировалась с помощью стеклянных нейтральных светофильтров 1 с известными коэффициентами ослабления. Для контроля мощности часть излучения (8%) отводилась прозрачной стеклянной пластиной 2 на калиброванный фотодиод 3. С помощью поворотного зеркала 4 и фокусирующей линзы 5 с фокусным расстоянием F = 25 см излучение направлялось на образец 6. Площадь лазерного пятна на образце S = 0.03 см2. Образец можно располагать под углом 45° к лазерному излучению и оптической оси схемы регистрации при измерении кинетических и спектральных характеристик поверхностного свечения.
Для регистрации свечения пламени образец располагался перпендикулярно лазерному лучу и параллельно оптической оси регистрирующего тракта. Излучение образца собиралось линзой 7, передавалось на щель 8 высотой 0.1 мм и длиной 3 мм. Свечение, проходящее через щель, передавалось линзой 7 на фотокатод фотоэлектронного умножителя Hamamatsu H10721-20 9, сигнал которого регистрировался осциллографом LeCroy WaveJet WJ332A 10. Синхронный запуск лазера и развертки осциллографа осуществлялся с помощью генератора импульсов Г5-56 11. Время экспозиции лазерного излучения задавалось импульсным генератором 11 с максимальным значением t = 1 с.
Во втором канале установки производилось измерение спектров свечения образца в различные моменты времени от начала облучения при помощи спектрометра Optosky ATP2000H 12. Свечение от образца к спектрометру передавалось при помощи световода диаметром 0.6 мм 13. Сигнал со спектрометра передавался для обработки в компьютер 14. Спектральный диапазон измерения составлял Δλ = 200–890 нм, спектральное разрешение 1.2 нм, минимальное время экспозиции 10 мкс. Синхронизация запуска лазера 1 и спектрометра 12 осуществляется с помощью генератора 11.
Экспериментальные результаты
Проведено измерение кинетических характеристик зажигания микрочастиц антрацита насыпной плотности ρ = 0.5 г/см3 во время воздействия лазерного излучения длительностью 1 с на длинах волн λ = 450 и 808 нм.
В первом случае образец располагался под углом 45° к лазерному лучу и оптической оси измерительного тракта (рис. 1). Типичная осциллограмма, зарегистрированная с помощью фотоумножителя 9 и осциллографа 10 (рис.1) при воздействии излучения с λ = 808 нм представлены на рис. 2, а.
Измерение времени задержки зажигания tz проведены в другой геометрии. Поверхность образца располагалась перпендикулярно лучу лазера и параллельно оптической оси измерительного тракта, на 1 мм ниже оси. В этом случае регистрируется свечение пламени, которое появляется после зажигания, что позволяет более корректно определить tz. Типичная осциллограмма при воздействии излучения с λ = 808 нм представлена на рис. 2, б. Осциллограммы, полученные с использованием излучения с λ = 450 нм имеют качественно аналогичный характер.
При определении характеристик зажигания в зависимости от плотности мощности лазерного излучения следует использовать не экспозиционную плотность мощности We, а плотность мощности излучения Wp, поглощаемого образцом. Поскольку уголь считается серым телом, то
(1)
где R – коэффициент отражения образцов соответствующей марки угля.
Было проведено измерение коэффициента отражения образцов антрацита для излучения с λ = 808 и 450 нм с использованием фотометрического шара, аналогично работам [23, 24]. Для λ = 450 нм R = 0.063, для λ = 808 нм R = 0.084.
Из рис. 2, б видно, что зажигание образцов начинается через определенное время экспозиции tz, которое далее называем временем задержки зажигания. Как показано в работе [22], время tz для каменных углей имеет статический характер при фиксированной мощности излучения.
Рис. 2. Типичные осциллограммы зависимости интенсивности свечения образцов антрацита от времени: приповерхностное свечение (а), свечение пламени на расстоянии 1 мм от поверхности образца (б) при лазерном воздействии λ = 808 нм плотностью мощности We = 130 Вт/см2.
Для антрацита наблюдается аналогичная закономерность. В связи с этим, на каждой фиксированной мощности излучения производились эксперименты до появления пяти вспышек. Далее вычислялось среднее значение tz и доверительный интервал Δtz по методу Стьюдента. Аналогичные измерения проводились в широком диапазоне мощностей с использованием лазерного излучения с λ = 808 и 450 нм.
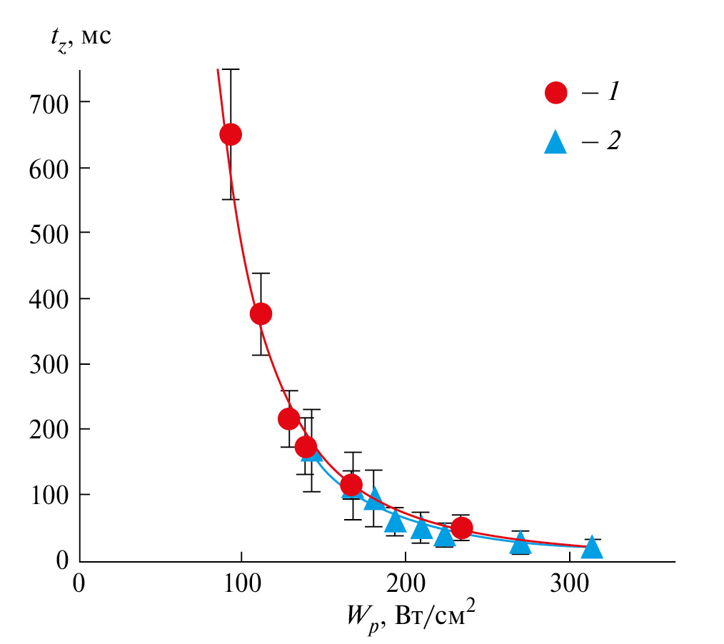
На рис. 3. представлена зависимость времени задержки зажигания tz с доверительными интервалами Δtz от плотности мощности лазерного излучения Wp для λ = 808 и 450 нм. С ростом плотности мощности излучения время tz монотонно уменьшается, как и для каменных углей [22] при воздействии обоих видов излучения. При совпадающих значениях Wp времена задержки зажигания совпадают в приделах Δtz для обоих видов излучений.
Рис. 3. Зависимость времени задержки зажигания tz от плотности мощности лазерного излучения Wp, поглощенного образцами антрацита: 1 – λ = 808 нм; 2 – λ = 450 нм.
В следующей серии экспериментов измерялась вероятность зажигания образцов антрацита в зависимости от плотности мощности лазерного излучения с λ = 808 и 450 нм. При фиксированной плотности мощности облучалось N = 10 образцов излучением с длительностью экспозиции 1 с определялось число вспышек n по осциллограммам типа рис. 2, б.
Определяли вероятность зажигания:
(2)
Эксперимент проводился в широком диапазоне плотностей мощности. Зависимости вероятности зажигания P от плотности мощности излучения Wp, поглощенного образцами антрацита представлены на рис. 4 для обоих видов излучения.
Рис. 4. Зависимости вероятности зажигания P от плотности мощности излучения Wp, поглощенного образцами антрацита (а); зависимости вероятности зажигания P от числа поглощенных фотонов n в единицу времени на единичной площади для образцов антрацита: 1 – λ = 808 нм; 2 – λ = 450 нм (б).
Экспериментальные точки на рис. 4, а аппроксимированы интегралом вероятности
(3)
где Wcr – критическая плотность мощности лазерного излучения, соответствующая 50% вероятности появления вспышки, ∆W – среднеквадратичное отклонение.
Для λ = 450 нм Wpcr ± ΔW = 200 ± 10 Вт/см2, λ = 808 нм Wpcr ± ΔW = 110 ± 13 Вт/см2.
В следующей серии экспериментов производилось измерение спектров свечения образцов антрацита при воздействии излучения с λ = 808 нм с использованием спектрометра Optosky ATP2000H в фиксированные моменты времени от начала облучения.
Некоторые результаты представлены на рис. 5. Время интегрирования спектрометра составляло texp=100 мс. На рис. 5, а представлен спектр свечения образца, интегральный по времени в интервале Δt = 0–100 мс от начала лазерного облучения. На рис. 5, б представлен спектр свечения образца интегральный по времени в интервале Δt = 900–1000 мс от начала лазерного облучения.
Рис. 5. Спектр свечения образца интегральный по времени в интервале Δt = 0–100 мс от начала лазерного облучения (а); спектр свечения образца интегральный по времени в интервале Δt = 900–1000 мс от начала лазерного облучения (б).
Обсуждение результатов
При расположении образца под углом 45° к оптической оси измерительного тракта регистрируется суммарное свечение нагретой в результате поглощения лазерного излучения поверхности и приповерхностное свечение пламени, возникающего в результате зажигания образца (рис. 2, а). В отличие от бурого и каменных углей [21, 22] свечение начинается практически сразу после начала облучения, при этом его интенсивность почти всегда увеличивается с увеличением времени облучения. Этот результат позволяет сделать вывод, что у антрацита в данной геометрии преобладает свечение нагретой поверхности, что затрудняет измерение времени задержки зажигания tz. В связи с этим, время задержки зажигания измерялось в другой геометрии, описанной в предыдущем разделе. Фиксировался момент времени появления пламени над образцом в зависимости от плотности мощности лазерного излучения. Пламя, возникающее при зажигании антрацита имеет характер вспышек и сопровождается сильным искрением, что определяет вид осциллограмм рис. 2, б. Такую же структуру пламени антрацита наблюдали в работе [25] при зажигании образцов импульсами CO2-лазера. В отличие от антрацита для каменных углей не наблюдалось искрение при зажигании образцов, а свечение нагретой поверхности до начала зажигания незначительно [22].
Для образцов антрацита насыпной плотности, как и для других углей [21, 22] горение заканчивается вместе с окончанием лазерного облучения, т.е. отсутствует переход к стационарному горению.
Проведем оценку значения критической плотности энергии излучения поглощенного образцами антрацита, затраченной для их зажигания с вероятностью P = 0.5 для λ = 450 и 808 нм по формуле:
(4)
где Wcr и t0.5 –критическая плотность поглощенной энергии и время задержки для вероятности зажигания P = 0.5 соответственно.
Значение Wcr приведены в предыдущем разделе, значения t0.5 можно определить из экспериментальных данных для tz, приведенных на рис. 3 при советующих Wcr. В результате вычислений получим: для λ = 450 нм Ecr = 12 Дж/см2, для λ = 808 нм Ecr = 42 Дж/см2. Из этих результатов следует, что при практическом применении лазерного излучения для зажигания антрацита более экономично использовать излучение с λ = 450 нм, как и для каменных углей [22].
Проанализируем результаты для зависимости вероятности зажигания P от плотности мощности лазерного излучения Wp поглощенного образцами (рис. 4).
(5)
где n – число поглощенных фотонов в единицу времени на единице поверхности.
(6)
– энергия фотонов, где h – постоянная Планка, c – скорость света, λ – длина волны излучения.
Преобразуем зависимость P(Wp) (рис. 4, а) в зависимость P(n), пользуясь выражениями (5) и (6). Результат представлен на рис. 4, б. Как следует из рис. 4, б зависимость P(n) для обеих видов излучения с учетом среднеквадратичного отклонения ΔW практически совпадают. Аналогичные результаты получены ранее для бурого и каменных углей [21, 22]. Таким образом, при зажигании антрацита в единицу времени поглощается одинаковое число фотонов для обоих видов излучения (рис. 4, б) как и для других углей. Определим общее число фотонов Hcr необходимых для нагрева образцов антрацита до температуры воспламенения с вероятностью P = 0.5 пользуясь выражением:
(7)
Получили для λ = 450 нм ncr = 2.7 × 1019 1/см2, для λ = 808 нм ncr = 17 × 1019 1/см2. Отсюда следует, что несмотря на то, что в единицу времени поглощается одинаковое число фотонов, нагрев угля до температуры вспышки осуществляется при меньшем числе поглощенных фотонов для излучения с λ = 450 нм.
Рассмотрим результаты спектральных измерений, представленные на рис. 5. В первом случае измерение производилось вначале (рис. 5, а), а во втором в конце лазерного облучения (рис. 5, б). В обоих случаях можно выделить составляющие с тепловым спектром, которые на рис. 5 показаны пунктиром и связаны со свечением нагретой поверхности и горячих углеродных частиц, вылетающих при воспламенении образцов, как и при импульсном зажигании [18–20]. Как видно из рис. 5, а и б, интенсивность теплового свечения возрастает в течении длительности лазерного излучения. Анализ последних результатов, совместно с рассмотренным выше результатами измерения интегрального по спектру приповерхностного свечения (рис. 2, а) позволяет предполагать, что тепловое свечение связано преимущественно с нагревом поверхности угольных частиц. Измерение спектров теплового свечения с экспозицией 20 мс с временным сдвигом во время облучения позволило после обработки с использованием формулы Планка определить температуру нагрева поверхности в различные моменты времени. Результат, представленный в табл. 2, качественно коррелирует с нарастанием интенсивности интегрального по спектру свечения на рис. 2, а во временном интервале Δt = 0–1000 мс.
Кроме тепловой составляющей на рис. 5 наблюдается свечение, связанное с выходом и воспламенением летучих веществ. Измерения показали, что увеличение интенсивности свечения летучих веществ наблюдается во временном интервале Δt = 0–100 мс. Далее интенсивность свечения летучих веществ незначительно уменьшается во временном интервале Δt = 100–1000 мс в отличие от теплового свечения, интенсивность которого увеличивается.
Спектры, представленные на рис. 5, позволяют провести идентификацию составляющих, которые дают вклад в свечение летучих веществ. Сплошной спектр в интервале Δλ = 300–500 нм (рис. 5, а) связан с пламенем окиси углерода CO [26]. Аналогичное свечение в данном спектральном интервале наблюдалось при воздействии импульсного излучения (λ = 1064 нм, τ = 120 мкс) на образцы углей [15–20]. В диапазоне длин волн Δλ = 500–700 нм наблюдаются полосы свечения, ширина которых превышает спектральное разрешение спектрометра (1.2 нм).
Таблица 2. Температура поверхности образцов антрацита насыпной плотности в различные моменты времени после начала лазерного излучения с λ = 808 нм
t, мс | 50 | 100 | 200 | 400 | 600 | 1000 |
T, К | 1300 | 1500 | 1700 | 1800 | 1900 | 2100 |
Полосы с максимумами при λ = 512 и 543.3 нм связаны со свечением молекул диуглерода из серии Свана [26]. В полосу с максимумом при λ = 586.7 нм могут давать вклад свечение линий CO (λ = 574.9; 586.6 нм), C2 (λ = 589.9; 595.8 нм) [26]. Последняя полоса переходит в широкую полосу свечения до 700 нм. Наиболее вероятно, это свечение связано с вращательно-колебательным спектром молекулы воды, который имеет диапазон длин волн λ = 568–692 нм 22 линии [26]. Спектральное разрешение нашей аппаратуры не позволяет выделение отдельных линий. Эту полосу свечения мы наблюдали при зажигании углей лазерными импульсами (λ = 1064 нм, 120 мкс) [15–20]. Интенсивная полоса свечения (λmax = 808 нм) связана с рассеянным излучением лазера.
Заключение
В результате поглощения лазерного излучения происходит нагрев поверхности микрочастиц антрацита с увеличением температуры до T ≥ 2000 K за время 1 с.
Воспламенение микрочастиц антрацита после начала облучения происходит с задержкой; величина которой уменьшается с ростом плотности облучения. Пламя, возникающее при зажигании микрочастиц антрацита, имеет характер вспышек и сопровождается сильным искрением.
Процесс лазерного зажигания микрочастиц антрацита имеет статистический характер. Это проявляется как в статистике времени задержки зажигания образцов tz на фиксированной мощности излучения, так и в вероятностном характере критической плотности мощности лазерного излучения Wcr, необходимого для зажигания образцов.
Критическая плотность энергии зажигания микрочастиц антрацита для образцов насыпной плотности составляет: для излучения с λ = 450 нм Ecr = 12 Дж/см2; для излучения с λ = 808 нм Ecr = 43 Дж/см2. Следовательно, энергетические затраты для зажигания пылеугольного топлива на основе антрацита меньше при использовании излучения с λ = 450 нм, чем излучения с λ = 808 нм.
В спектрах излучения образцов антрацита, возникающего в результате поглощения лазерного излучения, наблюдается свечение, связанное с выходом и воспламенением летучих веществ (пламя CO, свечение возбужденных молекул CO, C2 и H2O) и тепловое излучение, связанное преимущественно со свечением нагретой поверхности, а также свечением вылетающих раскаленных углеродных частиц.
Благодарности
Авторы выражают благодарность А.Н. Заостровскому за предоставленные образцы углей; Н.И. Федоровой за проведение технического анализа углей. Исследования проведены с использованием оборудования Центра коллективного пользования ФИЦ УУХ СО РАН.
Финансирование работы
Исследование выполнено за счет гранта Российского научного фонда № 22-13-20041, https://rscf.ru/project/22-13-20041/ и за счет гранта Кемеровской области – Кузбасса (соглашение с № 2 от 22.03.2022)
Конфликт интересов
Авторы данной работы заявляют, что у них нет конфликта интересов.
About the authors
B. P. Aduyev
FSBSC The Federal Research Center of Coal and Coal-Chemistry of Siberian Branch of the Russian Academy of Sciences (FRC CCC SB RAS)
Author for correspondence.
Email: lesinko-iuxm@yandex.ru
Russian Federation, Kemerovo, 650000
G. M. Belokurov
FSBSC The Federal Research Center of Coal and Coal-Chemistry of Siberian Branch of the Russian Academy of Sciences (FRC CCC SB RAS)
Email: lesinko-iuxm@yandex.ru
Russian Federation, Kemerovo, 650000
I. Y. Liskov
FSBSC The Federal Research Center of Coal and Coal-Chemistry of Siberian Branch of the Russian Academy of Sciences (FRC CCC SB RAS)
Email: lesinko-iuxm@yandex.ru
Russian Federation, Kemerovo, 650000
D. R. Nurmukhametov
FSBSC The Federal Research Center of Coal and Coal-Chemistry of Siberian Branch of the Russian Academy of Sciences (FRC CCC SB RAS)
Email: lesinko-iuxm@yandex.ru
Russian Federation, Kemerovo, 650000
References
- Paul L.D., Seeley R.R. // Corrosion. 1991. V. 47. № 2. P. 152–159. https://doi.org/10.5006/1.3585231
- Askarova A.S., Karpenko E.I., Lavrishcheva Y.I., Messerle V.E., Ustimenko A.B. // IEEE Transactions on Plasma Science. 2007. V. 35. P. 1607https://doi.org/10.1109/TPS.2007.910142
- Masserle V.E., Karpenko E.I., Ustimenko A.B., Lavrichshev O.A. // Fuel Processing Technology. 2013. V. 107. P. 93.https://doi.org/10.1016/j.fuproc.2012.07.001
- Туктакиев Г.С., Лайко Л.Л. Способ сжигания пылевидного топлива RU 2557967 C1 // Б.И. 2015. № 21. С. 11
- Туктакиев Г.С., Лайко Л.Л. Способ сжигания пылевидного топлива RU 2559658 C1 // Б.И. 2015. № 22. С. 11
- Vartak S.D., Gubba S.R., Narayanan K.L., Sridharan A.K., Maheshwari A, Ristic D., Subramaniyan M. System and method for laser ignition of fuel in a coal-fired burner WO2022/126074 A1 // 2022. P. 37.
- Chen J.C., Taniguchi M., Narato K., Ito K. // Combustion and Flame. 1994. V. 97. № 1. P. 107–117.https://doi.org/10.1016/0010- 2180(94)90119-8
- Глова A.Ф., Лысиков A.Ю., Зверев М.М. // Квантовая электроника. 2009. Т. 39. № 6. С. 537–540. [Quantum Electron. 2009, vol. 39, no. 6, p. 537–540.https://doi.org/10.1070/QE2009v039n06ABEH013906]
- Taniguchi M., Kobayashi H., Kiyama K., Shimogori Y. // Fuel. 2009. V. 88. № 8. P. 1478–1484.https://doi.org/10.1016/j.fuel.2009.02.009
- Boiko V.M., Volan’skii P., Klimkin V.F. // Combust. Explos. Shock. Waves. 1981. V. 17. № 5. P. 545.https://doi.org/10.1007/BF00798143
- Phuoc T.X., Mathur M.P., Ekmann J.M. // Combustion and Flame. 1993. V. 93. № 1–2. P. 19–30.https://doi.org/10.1016/0010- 2180(93)90081-D
- Погодаев В.А. // Физика горения и взрыва. 1984. Т. 20. №. 1. С. 51–55; [Combustion, Explosion, and Shock Waves. 1984, vol. 20, no. 1, p. 46–50.https://doi.org/10.1007/BF00749917].
- Kuzikovskii A.V., Pogodaev V.A. // Combust. Explos. Shock. Waves. 1977. V. 13. № 5. P. 666.https://doi.org/10.1007/BF00742231
- Phuoc T.X., Mathur M.P., Ekmann J.M. // Combustion and Flame. 1993. V. 94. № 4. P. 349–362.https://doi.org/10.1016/0010- 2180(93)90119-Ng
- Адуев Б.П., Нурмухаметов Д.Р., Нелюбина Н.В., Ковалев Р.Ю., Заостровский А.Н., Исмагилов З.Р. // Химическая физика. 2016. Т. 35. № 12. С. 47–49. https://doi.org/10.7868/S0207401X16120025[Russ. J. Phys. Chem. B. 2016, vol. 10, p. 963–965.https://doi.org/10.1134/S1990793116060154].
- Адуев Б.П., Нурмухаметов Д.Р., Ковалев Р.Ю., Крафт Я.В., Заостровский А.Н., Гудилин А.В., Исмагилов З.P. // Оптика и спектроскопия. 2018. Т. 125. № 2. С. 277–283.https://doi.org/10.1134/S0030400X18080039[Opt. Spectrosc. 2018, vol. 125, p. 293–299.https://doi.org/10.1134/S0030400X18080039].
- Адуев Б.П., Нурмухаметов Д.Р., Крафт Я.В., Исмагилов З.P. // Химия в интересах устойчивого развития. 2020. Т. 28. № 6. С. 535–543.https://doi.org/10.15372/KhUR2020260[Chem. Sustain. Dev. 2020, vol. 28, p. 518–526.https://doi.org/10.15372/CSD2020260].
- Адуев Б.П., Нурмухаметов Д.Р., Крафт Я.В., Исмагилов З.P. // Оптика и спектроскопия. 2020. Т. 128. № 3. С. 442–448.https://doi.org/10.21883/OS.2020.03.49073.302-19[Opt. Spectrosc. 2020, vol. 128, p. 429–435.https://doi.org/10.1134/S0030400X20030029].
- Адуев Б.П., Нурмухаметов Д.Р., Крафт Я.В., Исмагилов З.Р. // Химическая физика. 2022. Т. 41. № 3. С. 13–21.https://doi.org/10.31857/S0207401X22030025[Russ. Phys. Chem. B. 2022, vol. 16, p. 227–235.https://doi.org/10.1134/S1990793122020026].
- Aduev B.P., Kraft Y.V., NurmukhametovD.R., Ismagilov Z.R. // Combustion Science and Technologythis. 2024. V. 196. № 2. P.274–288.https://doi.org/10.1080/00102202.2022.2075699
- Aduev B.P., Belokurov G.M., Liskov I.Yu., Nurmukhametov D.R., Ismagilov Z.R. // Eurasian Chem.-Technol. J. 2022. V. 24. № 2. P. 93–101.https://doi.org/10.18321/ectj1321
- Адуев Б.П., Белокуров Г.М., Лисков И.Ю., Исмагилов З.Р. Зажигание каменных углей лазерами непрерывного действия с длинами волн 450 и 808 нм // ХТТ. 2023. № 4. С. 31–38.https://doi.org/10.31857/S0023117723040023[Solid Fuel Chemistry. 2023, vol. 57, no. 3, p. 170–177https://doi.org/10.3103/S036152192304002X].
- Адуев Б.П., Нурмухаметов Д.Р., Белокуров Г.М., Звеков А.А., Каленский А.В., Никитин А.П., Лисков И.Ю. // Журнал технической физики. 2014. Т. 84. № 9. С. 126–131. [Technical Physics. 2014, vol. 59. no. 9, p. 1387–1392.https://doi.org/10.1134/S1063784214090023].
- Адуев Б.П., Нурмухаметов Д.Р., Звеков А.А., Никитин А.П., Нелюбина Н.В., Белокуров Г.М., Каленский А.В. // Приборы и техника эксперимента. 2015. № 6. С. 60–66https://doi.org/10.7868/S0032816215050018[Instruments and Experimental Techniques. 2015,vol. 58, p. 765–770.https://doi.org/10.1134/S0020441215050012].
- Слюсарский К.В. Исследование процессов термического окисления и зажигания твердых топлив: Дис. ... канд. физ.-мат. наук. Национальный исследовательский Томский политехнический университет. 2018. 166 с.
- Пирс Р., Гейдон А. Отождествление молекулярных спектров (пер. англ., под ред. Мандельштама С.Л., Аленцева М.Н.). М.: “Издательство иностранной литературы”. 1949. 240 с.
Supplementary files







