Active faults of the northern Central Mongolia, their correlation with neotectonics and deep structure of the region
- Authors: Trifonov V.G.1, Sokolov S.A.1,2, Ovsyuchenko A.N.1,3, Sokolov S.Y.1, Batsaikhan T.4, Demberel S.4, Butanaev Y.V.5, Koshevoy N.G.3
-
Affiliations:
- Geological Institute of the RAS
- Russian State Geological Prospecting University named after Sergo Ordzhonikidze (MGRI)
- Schmidt Institute of Physics of the Earth of the RAS
- Institute of Astronomy and Geophysics of Mongolian Academy of Sciences
- Tuvinian Institute for Exploration of Natural Resources, Siberian Branch, Russian Academy of Sciences
- Issue: No 2 (2024)
- Pages: 3-33
- Section: Articles
- URL: https://journals.rcsi.science/0016-853X/article/view/263819
- DOI: https://doi.org/10.31857/S0016853X24020019
- EDN: https://elibrary.ru/EBFJFF
- ID: 263819
Cite item
Full Text
Abstract
Active tectonics of the northern Central Mongolia is studied between two largest W–E-trending left lateral fault zones – the Khangai Fault and the Tunka-Mondy zone. These strike-slip zones are parts of a single ensemble of active faults in the Mongol-Baikal region, formed under conditions of the maximum northeastern compression and the maximum northwestern extension. Between them, the ENE-trending Erzin-Agardag and Tsetserleg faults with dominant left lateral component of movements extend. A raw of the N-trending graben-shaped basins (Busiyngol, Darkhat, and Hubhugul) are situated between the eastern end of the Erzin-Agardag strike-slip fault and the western part of the Tunka-Mondy strike-slip zone. The basins form a zone of left lateral deformation, which is kinematically similar with the strike-slip faults continuing it. In contrast to the largest boundary strike-slip faults, this structural paragenesis was formed under conditions of N–S-trending relative compression and W–E-trending extension. A change in the orientation of the axes of the principal normal stress may be caused by the rotation of the block between the boundary faults. The area of graben-shaped basins is located above the uplift of the roof of a vast volume of low-velocity mantle, which we identify as the Khangai plume. Above this rise, the lithospheric mantle is reduced, and the remaining part of the lithosphere is heated and softened. The large active strike-slip faults are located above areas of lowering of the low-velocity mantle roof. Our trenching of the active faults showed that strong earthquakes repeated in the area of graben-shaped basins more often than in the large strike-slip zones, but were characterized by lower magnitudes.
Full Text
ВВЕДЕНИЕ
Исследуемый регион охватывает север Центральной Монголии и соседние районы юга России – Хангайское нагорье, горные системы Восточной Тувы и Прихубсугулья, южные склоны Восточного Саяна, Тункинскую и Убсунурскую впадины и Котловину Больших Озер (рис. 1).
Рис. 1. Топографическая карта Западной и Центральной Монголии и соседней части юга Сибири.
Высоты рельефа колеблются от 4000 м на юге Хангайского нагорья до 700–750 м в Тункинской и Убсунурской впалинах. При этом, на значительной части территории, кроме юга Сибири и Монгольского Алтая, рельеф не является контрастным из-за его сравнительно слабой расчлененности.
На западе Хангайского нагорья доминируют выходы докембрийского фундамента, подвергшиеся раннепалеозойской тектоно-магматической переработке, а восточнее – раннепалеозойские складчато-надвиговые комплексы. Они представляют собой реликты Палеоазиатского океана, который развивался с позднего докембрия до раннего палеозоя [22]. Кора была консолидирована примерно на рубеже силура и девона и на востоке нагорья испытала позднепалеозойское и раннемезозойское тектоно-магматическое воздействие располагавшегося восточнее Монголо-Охотского океана.
Континентальные условия установились в рассматриваемом регионе, начиная с позднего палеозоя. В юрское и раннемеловое время здесь существовал тектонический рельеф, образование которого на востоке региона можно связать с закрытием Монголо-Охотского океана. Хангайское нагорье служило источником сноса обломочного материала, начиная с юрского времени. Об этом свидетельствуют грубообломочные юрские отложения пролювиального типа в хребте Хан-Хухийн севернее оз. Хиргис-Нур. На снос материала с Хангайского нагорья в юрское и раннемеловое время указывает и состав отложений ранних грабенов Забайкалья [2].
Поздний мел и палеоген до раннего олигоцена были временем планации и относительно слабых тектонических движений; возникший пенеплен частично покрылся корой выветривания [17, 21]. В рассматриваемом регионе сформировался денудационный пенеплен с реликтами более древнего рельефа, тогда как южнее, в области Гобийского Алтая и соседних депрессий и равнин, развивался аккумулятивный пенеплен с тонким чехлом флювиальных и озерных отложений [8, 9]. Тогда же началось интенсивное погружение впадин Южного и Центрального Байкала [16, 35].
С позднего олигоцена и в течение неогена оформились главные черты неотектоники региона (рис. 2).
Рис. 2. Карта новейшей тектоники севера Центральной Азии.
Активные разломы: Би ‒ Бидж, Бо ‒ Богд, Гб ‒ Гурван-Булаг, Гс ‒ Главный Саянский, Дд ‒ Дзун-Джиргалант, Ко ‒ Кобдинский, Об ‒ Обручевский, Ст ‒ Саяно-Тувинский, Те ‒ Терегтийнский, Ух ‒ Умусин-Хайрханский, Ха ‒ Хангайский, Цш ‒ Цаган-Шибетинский, Цэ ‒ Цэцэрлэгский, Ша ‒ Шаптальский, Эа ‒ Эрзин-Агардагский, Эр ‒ Эртайский, Ют ‒ Южно-Таннуольский;
зоны разломов: Го ‒ Гоби-Алтайская, Ка ‒ Каахемская, Тм ‒ Тункино-Мондинская;
грабены: Бг ‒ Бусийнгольский и Белинский, Да ‒ Дархатский, Ху ‒ Хубсугульский.
1 – вершинная поверхность фундамента на поднятиях и подошвы чехла во впадинах (м); 2 – осадочное и вулканическое заполнение кайнозойских впадин и грабенов; 3 – границы линейных прогибов, Селенгино-Витимского и Юго-Восточной Монголии; 4–8 – активные разломы: 4 – крупные разломы со скоростями движения ≥1 мм/год: а ‒ достоверные, б ‒ предполагаемые; 5 – прочие разломы со скоростями движения <1 мм/год: а ‒ достоверные, б ‒ предполагаемые; 6 – сбросы; 7 – надвиги и взбросы; 8 – сдвиги; 9 ‒ эпицентры землетрясений с магнитудами: а ‒ Ms = 7–7.9, б ‒ Ms ≥ 8
Происходил рост Хангайского нагорья как изометричного свода, удлиненного в меридиональном направлении, наиболее поднятого на юге и понижающегося к Прихубсугулью на севере. Вокруг свода возник С-образный пояс межгорных впадин, который образуют Тункинская и Тувинская впадины на севере, Убсунурская впадина и Котловина Больших Озер на западе и Долина Озер на юге. Мощности накопившихся с верхнего олигоцена кайнозойских осадков возрастают к северу от 370 м в Долине Озер, 500 м в Котловине Больших Озер и 700–800 м в Убсунурской впадине до 2400–2500 м в Тункинской впадине [8, 20, 25, 65].
С внешней стороны пояса впадин росли линейные складчато-глыбовые поднятия Восточного Саяна, Тувы, Монгольского и Гобийского Алтая. Линейные поднятия меньшего размера развивались между впадинами пояса ‒ хребет Танну-Ола между Тувинской и Убсунурской впадинами и хребет Хан-Хухийн между Убсунурской впадиной и Котловиной Больших Озер. Большое сходство разрезов верхнего миоцена северных склонов Убсунурской впадины и Котловины Больших Озер позволяет предположить, что они отлагались в едином бассейне седиментации, т.е. протяженного поднятия хребта Хан-Хухийн между ними еще не существовало. Он сформировался в плиоцен‒четвертичное время.
На возрастающую в плиоцене контрастность рельефа указывает и появление более грубообломочных флювиальных фаций в краевых частях озерного бассейна Котловины Больших Озер [8]. О плиоцен‒четвертичном поднятии Хангайского нагорья свидетельствует также лестница террас высотой до 250 м рек Селенга, Чулуту и Орхон, врезанных в северо-восточный склон нагорья.
В плиоцен‒четвертичное время оформляется сеть активных разломов Центральной Монголии [31, 32, 37, 46]. Большинство разломов, демонстрирующих признаки позднеплейстоцен-голоценовой активности, структурно взаимосвязаны и могут интерпретироваться как элементы единой системы деформаций, обусловленной взаимодействием блоков литосферы. Отдельные элементы этой системы унаследованы от более ранних этапов развития вплоть до палеозоя, но как целостная система разломы проявляются только с начала плейстоцена. Активные разломы ограничивают и рассекают различные элементы новейшей структуры. Общей особенностью системы разломов является доминирование сдвиговой компоненты смещений.
Северная часть Центральной Монголии, рассматриваемая в статье, ограничена двумя крупнейшими широтными зонами левых сдвигов – Хангайской на юге и Тункино-Мондинской на севере (см. рис. 2). Между ними протягиваются Эрзин-Агардагский и Цэцэрлэгский активные разломы. На севере региона расположены три меридиональные грабенообразные впадины – с запада на восток Бусийнгольская, продолжающаяся на север Белинской, Дархатская и Хубсугульская, краевые разломы которых также обнаруживают признаки позднечетвертичной активизации.
Цель статьи – охарактеризовать крупные активные разломы региона между Хангайской и Тункино-Мондинской зонами активных левых сдвигов, определить их взаимосвязи и соотношения с новейшей структурой и глубинным строением региона.
МАТЕРИАЛЫ И МЕТОДЫ
Для определения расположения, структурного рисунка и кинематических параметров активных разломов и разломных зон опубликованные данные, в том числе представленные в [51], были уточнены с применением дистанционных материалов и созданных на их основе детальных моделей рельефа. Более точные данные о части известных разломов были получены и новые разломы были выявлены в ходе проведения полевых работ с применением беспилотных летательных аппаратов (квадрокоптеров) типа DJI Mavic Air Pro-2.
В полевых условиях определялись свежие сейсморазрывы, связанные с землетрясениями XX–XXI веков, амплитуды и направления более ранних смещений по разломам, геологическая и геоморфологическая позиция смещений.
Для изучения структуры сейсморазрывов, возникших в результате землетрясений XX–XXI веков, а также для выявления и параметризации палеоземлетрясений, был выполнен тренчинг в зонах Цэцэрлэгского и Западно-Хубсугульского разломов и на юге Дархатско-Хубсугульской межвпадинной перемычки в долине р. Бэлэмийн-Гол. Были также переинтерпретированы данные о палеоземлетрясениях зоны Хангайского разлома, полученные ранее [30].
В Лаборатории геохимии изотопов и геохронологии Геологического института РАН (г. Москва, Россия) (аналитик ‒ М.М. Певзнер) было выполнено 16 радиоуглеродных определений возраста образцов углеродсодержащих отложений, отобранных в зоне разлома. Калибровка (перевод лабораторных дат в календарные) осуществлялась в программном обеспечении OxCal [48] на основе калибровочной кривой IntCal13 [60]. Образцы углеродсодержащих пород, отобранные в ходе полевых работ 2021–2022 гг., были определены в лаборатории Института археологии и этнографии СО РАН (г. Новосибирск, Россия). Их калибровка выполнялась на основе калибровочной кривой IntCal20 [61].
Структурная карта кровли Хангайского плюма построена по изоповерхности δVp = –0.5% на основе скоростной модели MITP08 [55].
АКТИВНЫЕ РАЗЛОМЫ РЕГИОНА ИССЛЕДОВАНИЯ
Зона Хангайского (Болнайского) разлома
Эта зона протягивается более, чем на 500 км, пересекая Хангайское нагорье и продолжаясь на запад вдоль хребта Хан-Хухийн (см. рис. 2). На западе зона разлома примыкает к Цаган-Шибетинскому правому взбросо-сдвигу север-северо-западного простирания – северному в восточной зоне активных разломов Монгольского Алтая. По Хангайскому разлому выявлены многочисленные четвертичные левосдвиговые смещения форм рельефа амплитудой от нескольких метров до 4 км [32].
От Хангайского разлома на юго-восток отходит сопряженный Хан-Хухийнский (Терегтийнский, по [64]) правый сдвиг длиной 80 км со взбросовой компонентой смещений. Сопряженный Баян-Дунганский правый сдвиг следует от области наибольшего сближения Хангайского разлома с Цэцэрлэгским на север и далее на северо-северо-восток и прослежен на 34 км.
В зоне Хангайского разлома произошло сильнейшее Болнайское землетрясение 23.07.1905 г. (Ms ≥ 8) [23, 36, 37]. Эпицентр землетрясения располагался вблизи причленения Терегтийнского разлома к Хангайскому, сейсмогенное перемещение распространялось вдоль Хангайского разлома билатерально, более к востоку, чем к западу [64] (рис. 3).
Рис. 3. Фрагмент Хангайского левого сдвига, активизированного при землетрясении 1905 г.
Оперяющие разломы: Бд ‒ Баян-Дунганский, Те ‒ Терегтийнский, Цэ ‒ Цэцэрлэгский.
1 – участки Хангайского и оперяющих разломов, активизированные в 1905 г.: а ‒ достоверные, б ‒ предполагаемые; 2 – прочие разломы Хангайской зоны: а ‒ достоверные, б ‒ предполагаемые по результатам анализа космических изображений и модели рельефа; 3 – положение шурфов и их номера
При Болнайском землетрясении произошли левосдвиговые смещения амплитудой до 5–6 м [6]. Активизированная часть зоны разлома была детально изучена на протяжении 375 км [32]. Сейсмогенный разрыв обычно совпадает с зоной активного новейшего разлома или отклоняется от нее на расстояние до 20 м, отклонение возрастает до 0.7 км возле оз. Буст-Нур и до 1.7 км возле оз. Уртын-Нур.
Сейсморазрыв выражен либо компактным нарушением со сдвиговым смещением, либо кулисным рядом рвов растяжения северо-восточного простирания длиной до первых десятков метров, либо зигзагообразым сочетанием таких рвов растяжения с буграми и валами выдавливания северо-западного простирания.
По данным [32], самые западные признаки сейсмогенного разрыва 1905 г. обнаружены возле с. Цаган-Хайрхан. Амплитуда сдвига быстро нарастает к востоку до 2–2.5 м и выдерживается до сочленения с Терегтийнским разломом возле с. Ундэр-Хангай.
К востоку от сочленения амплитуда сдвига резко возрастает до 3.5–4 м возле с. Дзун-Хангай. Восточнее она достигает 5.5 ± 0.5 м и выдерживается на протяжении 200 км до пересечения разлома с долиной р. Джарантайн-Гол.
Далее на восток амплитуда сдвига падает к оз. Сангийн-Далай-Нур, и в 20 км восточнее озера сейсморазрыв затухает. Вертикальные смещения переменны и существенно меньше сдвиговых. Наиболее часто поднято южное крыло. Сейсморазрывы вертикальны или наклонены в сторону поднятого крыла не положе 75°, что указывает на взбросовую природу вертикального смещения. Анализ детальных космических изображений показал, что общая длина активизированной в 1905 г. части разлома достигает 388 км [50].
Одновременно с Хангайским разломом в 1905 г. активизировался Терегтийнский разлом. По нему произошли правосдвиговые смещения до 1.5–2 м. Вертикальная компонента смещения знакопеременна, но чаще поднято северо-восточное крыло на 0.2–0.5 м. Разлом наклонен под углами 65°–75° на северо-восток, что указывает на взбросовую природу вертикального смещения. Подвижка 1905 г. наследовала более ранние смещения того же типа.
Баян-Дунганский разлом выражен на четвертичной аккумулятивной равнине зигзагообразным сочетанием непротяженных бугров выдавливания и рвов растяжения, заполненных молодыми наносами (рис. 4).
Рис. 4. Баян-Дунганский сейсморазрыв 1905 г. (аэрофото с квадрокоптера).
Хорошая сохранность этих образований заставляет предположить, что он также был активизирован сейсмическими событиями 1905 г. Измеренная амплитуда правого сдвига 1905 г. – 0.3 м. Выявлены также более ранние сдвиговые смещения на 3.5–4 м, что указывает на неоднократность подвижек.
Первая попытка определения средней скорости голоценового сдвига по Хангайскому разлому была предпринята в работе [30]. Ревизия этих материалов позволила пересмотреть оценки средней скорости позднеголоценовых сдвиговых перемещений и их соотношений с сильными землетрясениями.
Для выявления палеосейсмических событий использован способ, предложенный Р. Уоллесом [67] для идентификации смещений по разлому Сан-Андреас при Калифорнийском землетрясении 1857 г. Р. Уоллес показал, что среди общего количества смещенных по разлому мелких водотоков выделяется максимум смещений 9–12 м, связанный с этим землетрясением. Большие по величине максимумы смещений могут быть результатом суммирования подвижек при Калифорнийском и предыдущих сильных землетрясениях.
Для реализации такого подхода были детально исследованы отрезки Хангайского разлома юго-восточнее с. Дзун-Хангай на протяжении 10 км и на северном склоне хребта Даган-Дэл на протяжении 15 км, где смещенные водотоки и другие формы рельефа особенно многочисленны (см. рис. 3).
На этих отрезках Хангайского разлома измерено 106 форм рельефа, смещенных на величину до 52 м. Выявлена неравномерность распределения величин смещений, 38 форм смещены на 5–6 м, очевидно, при землетрясении 1905 г. Выделено еще шесть максимумов смещений, кратных этой величине:
- ~11 м (3 формы рельефа);
- 16–17 м (22 формы);
- ~22 м (3 формы);
- 28–29 м (7 форм);
- ~33 м (5 форм);
- ~39 м (5 форм).
Мы интерпретировали их как последовательное наращивание общего смещения подвижкой при еще одном предыдущем сейсмическом событии. Общее смещение при семи выявленных событиях достигает ~39 м.
Прослеживание подвижки 1905 г. вдоль Хангайского разлома показало, что сейсморазрывы расположены эшелонированно друг относительно друга, и между ними возникли небольшие депрессии типа пулл-апарт, заполняемые озерно-болотными отложениями. К сходному эффекту приводило подпруживание мелких водотоков в результате сейсмогенного сдвига. Мы предположили, что такие локальные депрессии возникали или углублялись при сильных землетрясениях. В восьми шурфах, вырытых в депрессиях, были обнаружены горизонты торфа (шурф 1) или суглинка, обогащенного органикой типа сапропеля (остальные шурфы), которые накапливались в озерно-болотных условиях, вероятно, после очередного углубления депрессий при сильных землетрясениях (рис. 5).
Рис. 5. Схематизированные разрезы шурфов в зоне Хангайского разлома (по данным [30], с изменениями и дополнениями).
Положение шурфов ‒ см. рис. 3.
1 – современная почва; 2 – песчано-глинистые отложения; 3 – то же с галькой и щебнем; 4 – щебень; 5 – корреляция слоев: а – достоверная, б – предполагаемая; 6 – места отбора и номера радиоуглеродных проб
В промежутках времени между накоплением этих углеродсодержащих отложений депрессии заполнялись склоновыми и делювиальными обломочными отложениями, а проточные впадины – также аллювиальными. Получено 16 радиоуглеродных определений возраста углеродсодержащих отложений (табл. 1).
Таблица 1. Результаты радиоуглеродного датирования в годах углеродсодержащих горизонтов в разрезах шурфов в зоне Хангайского разлома
№ шурфа | № пробы ГИН РАН | Лабораторная дата (годы ее получения) | Календарная дата, рассчитанная в 2023 г. | |
Дата | Интервалы даты | |||
7 | 3264 | 920 ± 60 (1983 г.) | 836 ± 60 | 776–896 |
8 | 3033 | 1090 ± 50 (1982 г.) | 1012 ± 58 | 954–1070 |
5 | 3266 | 1300 ± 250 (1983 г.) | 1230 ± 255 | 975–1485 |
2 | 3288 | 1400 ± 100 (1983 г.) | 1318 ± 105 | 1213–1423 |
2 | 3290 | 1780 ± 200 (1983 г.) | 2020 ± 920 | 1100–2940 |
1 | 3293 | 2360 ± 100 (1983 г.) | 2443 ± 156 | 2287–2599 |
8 | 3262 | 2370 ± 80 (1983 г.) | 2461 ± 136 | 2325–2597 |
8 | 3032 | 2690 ± 110 (1982 г.) | 2809 ± 147 | 2662–2956 |
6 | 3297 | 2950 ± 150 (1983 г.) | 3118 ± 179 | 2939–3297 |
8 | 3265 | 2990 ± 90 (1983 г.) | 3160 ± 123 | 3037–3283 |
6 | 3296 | 3280 ± 180 (1983 г.) | 3526 ± 230 | 3296–3756 |
7 | 3034 | 3720 ± 160 (1982 г.) | 4094 ± 223 | 3871–4317 |
2 | 3291 | 3870 ± 180 (1983 г.) | 4298 ± 255 | 4043–4553 |
3 | 3274 | 4210 ± 80 (1983 г.) | 4726 ± 110 | 4616–4836 |
4 | 3035 | 4280 ± 250 (1982 г.) | 4865 ± 343 | 4522–5208 |
2 | 3295 | 4340 ± 20 (1983 г.) | 4902 ± 37 | 4865–4939 |
В случаях, когда близкие по возрасту календарные даты были получены, как минимум, в двух шурфах, мы интерпретировали охваченные этими датами интервалы времени как верхние пределы возраста палеосейсмических событий, вызвавших углубление депрессий. Две полученные даты пришлось исключить из рассмотрения:
- № 3290 в шурфе 2 из-за слишком большого интервала неопределенности;
- № 3296 в шурфе 6, поскольку дата не повторялась в других шурфах.
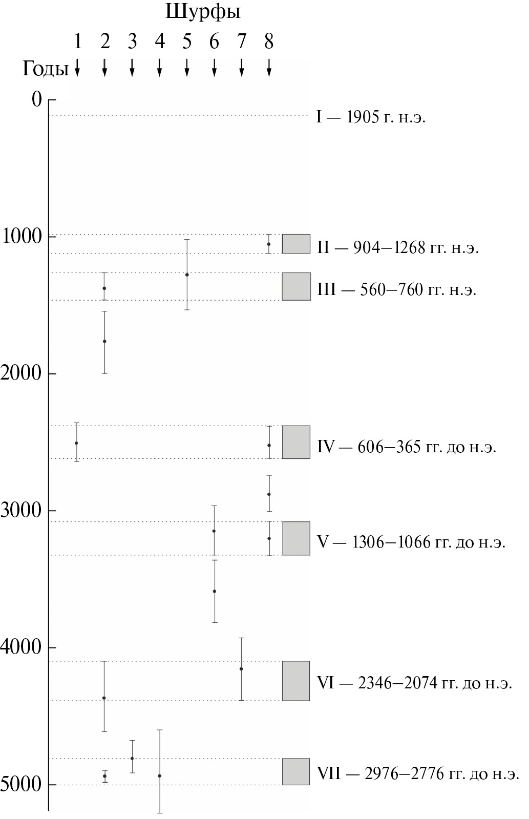
В итоге выделено шесть временных интервалов, которые характеризуют сильные палеосейсмические события, вызвавшие углубление депрессий (рис. 6).
Рис. 6. Временны́е интервалы сильных палеоземлетрясений II–VII, выделенные на основе радиоуглеродного датирования отложений в шурфах зоны Хангайского разлома.
Номера шурфов – см. рис. 5.
Показано: временна́я шкала от современности (слева); доверительные интервалы (арабские цифры) сейсмических событий в календарных датах (справа).
При оценке возраста этих событий принималось во внимание место отбора радиоуглеродной пробы в пределах углеродсодержащего горизонта. Для события II были получены определения из двух проб (см. табл. 1):
- 836 ± 60 BP в пробе № 3264 шурфа № 7;
- 1012 ± 58 в пробе № 3033 шурфа № 8.
Второе определение получено из пробы, взятой ближе к основанию горизонта, поэтому этой пробе было отдано предпочтение при проведении анализа. Из шурфа № 8 не учитывалась проба № 3032, взятая из верхней части углеродсодержащего горизонта.
В результате комплексного анализа полученных данных выявлено семь сильных сейсмических событий, включая Болнайское землетрясение 1905 г. Возраста палеоземлетрясений могут быть немного древнее радиоуглеродных определений, поскольку не во всех случаях проба отбиралась в самом основании углеродсодержащего горизонта. Полагаем, однако, что эти отличия невелики.
Интервалы времени между землетрясениями варьировали (см. табл. 1):
- ~250 лет (между событиями II и III);
- ~700 лет (между событиями IV и V и событиями VI и VII);
- ~900 лет (между событиями I и II);
- ~1000 лет (между событиями V и VI);
- ~1200 лет (между событиями III и IV).
Заметим, что большие интервалы времени предшествовали событиям, выраженным наибольшим количеством смещенных форм рельефа, т.е. проявившимся на значительном протяжении разломной зоны. Средний интервал повторяемости сильных землетрясений составляет ~800 лет. За последние ~5000 лет накопилось левосдвиговое смещение на ~39 м, что дает среднюю скорость сдвига 7–8 мм/год.
Позднее скорость сдвига была определена в 2.5 мм/год 10Be методом для более длительного временного интервала [63].
Тункино-Мондинская зона разломов
Эта зона ограничивает с севера цепь Тункинских впадин: с запада на восток Мондинскую, Хойтогольскую, Тункинскую, Торскую и Быстринскую (рис. 7).
Рис. 7. Тункино-Мондинская зона разломов и Тункинская система впадин (по данным [45], с изменениями и дополнениями).
Фокальный механизм Мондинского землетрясения 1950 г. в проекции нижней полусферы (по [52]); кинематика разломов (по [40, 41, 62]).
Впадины: Мон – Мондинская, Хой – Хойтогольская, Тун – Тункинская, Тор – Торская, Быс – Быстринская; перемычки: ХП – Хара-Дабанская, БП – Быстринская; отроги: НО – Ниловский, ЕО – Еловский.
Обозначены (арабские цифры) палеосейсмодислокации: 1 – Аршанская; 2 – Торская; 3 – Восточно-Саянская.
1 – сбросы; 2 – надвиги и взбросы; 3 – сдвиги
Впадины разделены перемычками, а Быстринская впадина отделена Култукской перемычкой от западного окончания Южной впадины Байкала. Судя по вулканогенно-осадочному разрезу крупнейшей Тункинской впадины, пояс впадин развивался с позднего олигоцена до современности. Геологические и геоморфологические данные свидетельствуют об асимметрии впадин и длительном развитии на северном борту пояса впадин зоны разломов со сбросовой компонентой смещений и опущенным южным крылом [17]. Возможно, длительно развивавшаяся зона разломов имела левосдвиговую компоненту движений. Активная Тункино-Мондинская зона разломов наследует эту более древнюю зону.
Вдоль Тункино-Мондинской зоны активных разломов обнаружены многочисленные левосдвиговые смещения. Зона разломов сегментирована. Ее западный сегмент представлен Мондинским разломом, западная часть которого является северной границей Хубсугульского грабена. На западе Хойтогольской впадины Мондинский разлом кулисно подставляется с севера Тункинским разломом, который на востоке примыкает к юго-восточному сегменту Главного Саянского разлома. Общая длина зоны активных разломов превышает 400 км. На востоке она смыкается с активными разломами Южного Байкала.
Скорость сдвига по Мондинскому разлому была определена в 1.1–1.5 мм/год при скорости взброса ~1 мм/год [4, 42, 49]. Последующие детальные работы в Мондинской впадине [45] подтвердили поднятие южного крыла разлома и наклон сместителя на юг под углами 65°–75°, т.е. наличие взбросовой компоненты смещений, противоположной вертикальному смещению на более ранних стадиях развития.
Скорость левого сдвига определена в ~1.1 мм/год, скорость поднятия южного крыла ~1.0 мм/год, и скорость в направлении вектора движения ~1.5 мм/год за последние 13 тыс. лет.
По Тункинскому разлому скорость сдвига возрастает до 1.5 мм/год при скорости вертикальной компоненты 1 мм/год [43]. В наиболее активной юго-восточной части Главного Саянского разлома скорость сдвига достигает 1.4 ± 0.1 мм/год и уменьшается северо-западнее сочленения с Тункинским разломом, переходя к последнему [62].
В зоне Мондинского разлома произошло Мондинское землетрясение 04.04.1950 г. с магнитудой Mw = 6.9. На западе Мондинского разлома предположительно идентифицированы следы трех палеосейсмических событий с интервалом повторяемости 4.1–4.6 тыс. лет, а на востоке Мондинского разлома – следы четырех событий с интервалом повторяемости 3.9–4.3 тыс. лет [45].
Вдоль Тункинского разлома и на юго-востоке Главного Саянского разлома найдены следы сильных палеоземлетрясений [26, 41]:
- Аршанская палеосейсмодислокация (севернее Тункинской впадины);
- Торская палеосейсмодислокация (севернее Торской впадины);
- Восточно-Саянская палеосейсмодислокация (на юго-востоке Главного Саянского разлома).
В Торской и Восточно-Саянской палеосейсмодислокациях выявлены признаки четырех сильных сейсмических событий с интервалом повторяемости 3.9–4.2 тыс. лет [62]. Сопоставление палеосейсмических событий в разных частях зоны разломов показывает, что в пределах точности определений они близки по возрасту. Это позволяет предполагать, что в течение последних 13–14 тыс. лет Тункино-Мондинская зона активизировалась на всем протяжении в эпохи общих сейсмических кластеров [45].
Цэцэрлэгский левый сдвиг
Хотя структурное положение Цэцэрлэгского разлома определяет его как оперяющий относительно Хангайского разлома, непосредственного сочленения двух разломов не наблюдается. Выраженный на земной поверхности Цэцэрлэгский разлом начинается в 21 км северо-восточнее оз. Ойгон-Нур и следует на северо-восток и далее на восток, пересекая Хангайское нагорье и образуя выпуклую на северо-запад дугу (рис. 8).
Рис. 8. Активные разломы, эпицентры сильных землетрясений после 1900 г. и механизмы очагов землетрясений между Хангайской и Тункино-Мондинской зонами активных сдвигов (по данным [51, 55, 59, 68], с изменениями).
Основные разломы: Х – Хангайский; Ц – Цэцэрлэгский; Э-А – Эрзин-Агардагский; Ка – Каахемский; К – Кызылхемский; Бе – Белинский; Бу – Бусийнгольский; З-Бу – Западно-Бусийнгольский; К – Кунгуртугский: Ш – Шишхидгольский; ЮД – Южно-Дархатский; СД – Северо-Дархатский; З-Х – Западно-Хубсугульский; Т-М – Тункино-Мондинский.
Выделены (прямоугольники) участки проведения детальных полевых работ.
1 – эпицентры землетрясений с магнитудами: а ‒ ≥8, б – 7.5–7.9, в – 6.5–7.0, г ‒ <6.5; 2 – активные разломы: а – крупнейшие (со средними скоростями перемещений ≥1 мм/год), б – крупные (со средними скоростями перемещений <1 мм/год), в – мелкие
Разлом состоит из трех сегментов. Каждый более восточный сегмент кулисно подставляет более западный сегмент с юга. Подставление юго-западного сегмента центральным происходит на правом (северном) борту долины р. Тэсийн-Гол (Тес-Хем), где окончания сегментов отстоят одно от другого на 0.6–0.8 км. В зоне разлома произошло Цэцэрлэгское землетрясение 09.07.1905 г. По данным [64], его магнитуда Mw = 8.0, эпицентр находился на юго-западе центрального сегмента, и сейсмогенные разрывы и смещения распространились на 190 км в большей мере на восток, чем на юго-запад.
Нами исследована 130-километровая западная часть зоны сейсморазрывов 1905 г., охватывающая юго-западный и частично центральный сегменты зоны разлома. Юго-западный сегмент простирается в направлении 50°–60° СВ. Главный сейсморазрыв представлен чаще всего кулисным рядом рвов растяжения, простирающихся по азимутам 20°–30° СВ, или зигзагообразным сочетанием рвов с буграми и валами выдавливания, направленными по азимутам 285°–290° ЗСЗ [32].
Амплитуда левого сдвига достигает 3–3.3 м на северо-восточном берегу р. Тэсийн-Гол, где плоскость разлома вертикальна. Корни старых лиственниц, оказавшихся на сейсморазрыве, разорваны и смещены при землетрясении. Более молодые лиственницы не испытали подобной деформации, что свидетельствует об отсутствии значительных движений после 1905 г.
В центральном сегменте амплитуда левого сдвига 1905 г. близка к 2.5 м [37]. В обоих сегментах сдвиг сопровождается поднятием северных крыльев сейсморазрывов, которое в юго-западном сегменте не превышает 0.6 м, а в центральном сегменте достигает 1.5–2 м. В области кулисного подставления сегментов вертикальное смещение переменно, и местами подняты южные крылья сейсморазрывов, а южнее окончания центрального сегмента возникли короткие кулисные ряды трещин растяжения.
В центральном сегменте Цэцэрлэгского разлома обнаружены левосдвиговые смещения форм рельефа амплитудой до 124 м, очевидно связанные с более ранними подвижками по разлому. На крайнем востоке обследованной части разлома (гора Ихэ-Богдо-Ула и ее окрестности) сейсмогенный разрыв разделяется на ряд малоамплитудных уступов и трещин растяжения и теряет свою выразительность.
Максимальное левое смещение выявлено в 2022 г. на пересечении разлома с долиной р. Тэсийн-Гол, где юго-западный сегмент разлома кулисно подставляется центральным сегментом. Накопленное смещение выражено двумя коленообразными изгибами русла р. Тэсийн-Гол вдоль двух указанных сегментов (рис. 9, а).
Рис. 9. Цэцэрлэгский разлом в районе его пересечения с долиной р. Тэсийн-Гол (Тес-Хем).
(а) – схема строения Цэцэрлэгского разлома (прямоугольником обозначено место тренчинга); (б) – Цэцэрлэгский разлом на участке проведения тренчинга; (в) – общий вид траншей Т-1 и Т-2.
1 – выход плоскости разлома на дневную поверхность; 2 – следы землетрясения 1905 г.; 3–5 – сейсмодислокации землетрясения 1905 г.: 3 – сейсморов сдвиг, 4 – взбросовый уступ, 5 – трещины растяжения; 6 – пойма; 7 – древний тектонический уступ; 8 – тальвег временного водного потока, смещенный разломом; 9 – положение траншей; 10 – дорога
Общая амплитуда смещения достигает 6.75 км. Юго-западнее левый приток р. Тэсийн-Гол на пересечении с Цэцэрлэгским разломом коленообразно изогнут влево на ~4 км. Выше пересечения долина существенно расширяется с признаками подпруживания.
На пойме правого берега р. Тэсийн-Гол проявления Цэцэрлэгского разлома частично затушеваны современными речными эрозионно-аккумулятивными и мерзлотными процессами и наносами правого притока Тэсийн-Гола – р. Шаварын-Гол. Разлом трассируется по немногочисленным эшелонированным трещинам, расположенным на его простирании сухим руслам и старицам и небольшим заболоченным участкам, приуроченным к областям растяжения в местах смещения линии разлома влево.
За пределами поймы сейсморазрыв 1905 г. выражен более четко системой трещин растяжения и валов сжатия, отражающих левосдвиговую кинематику разлома. На открытых пространствах трещины заполнены почвенным материалом и покрыты относительно густой растительностью. В залесенных участках, на склонах северо-восточной экспозиции, трещины до сих пор сохранили свежий облик зияющих рытвин.
На левом, юго-западном, берегу р. Тэсийн-Гол Цэцэрлэгский разлом рассекает надпойменную террасу, плоская поверхность которой плавно погружается на север-северо-восток к высокой пойме реки (см. рис. 9, б).
Чехол террасы сложен склоновыми и пойменными песчано-гравийными отложениями. В северо-восточной части террасы разлом протягивается вдоль ее тылового шва, располагаясь в основании более крутого склона эрозионной природы, повышающегося к юго-востоку. Сухие русла временных водотоков, врезанные в поверхность террасы, смещены влево по линии тылового шва относительно своих верховий. Максимальное смещение достигает 124 м, отражая накопленное смещение по разлому. Минимальное смещение 4.8 м, вероятно, соответствует амплитуде смещения во время землетрясения 1905 г.
Геоморфологические признаки этого землетрясения хорошо сохранились. Они выражены комплексом характерных форм рельефа, отражающих левосдвиговую кинематику разлома. Вдоль тылового шва террасы выстраивается эшелонированный ряд трещин растяжения, кулисно подставляющих друг друга справа. Трещины формируют относительно узкую зону (~15 м), простирающуюся вдоль Цэцэрлегского разлома на северо-восток по азимуту 55°–60°. Трещины простираются по азимутам 30°–50°, т.е. под углами от 5°–10° до 30° к линии разлома. Длина трещин достигает 35 м, глубина – 1 м.
Юго-западнее полоса трещин продолжается на пологую поверхность террасы, отдаляясь от ее тылового шва, который утрачивает четкую выраженность. Здесь ширина пояса трещин увеличивается до 40–45 м, а их длина возрастает, достигая в некоторых случаях 50–60 м. Ориентировка трещин становится более выдержанной в направлении 30° СВ.
На этом участке вдоль разлома (по азимуту 60°) протягивается ров глубиной до 0.5 м, прослеженный на 430 м. Своим юго-западным концом ров упирается в субширотный (азимут 85°) взбросовый уступ. У него поднято северное крыло, противоположное общему северному уклону поверхности террасы. Высота уступа достигает 1 м.
К северу от взбросового уступа поверхность осложнена многочисленными трещинами растяжения, протяженность которых увеличивается и может достигать 120 м. В нарушенной зоне выделяются также бугры выжимания небольшой высоты.
Юго-восточнее, на эрозионном склоне, выделен сглаженный уступ северо-восточного простирания со слабо поднятым северо-западным крылом. Его плохая сохранность может свидетельствовать о более древнем возрасте и указывать на более раннее сейсмическое событие.
В 2022 г. на Цэцэрлегском разломе нами были пройдены две канавы с целью выявления следов палеоземлетрясений (см. рис. 9, в).
Место проведения тренчинга приурочено к тыловому шву надпойменной террасы на левом берегу р. Тэсийн-Гол, примерно в 30 км к юго-западу от предполагаемого эпицентра землетрясения 1905 г. согласно работе [64]. Канавы заложены вкрест простирания двух рвов, выраженных в рельефе.
Первая канава (Т-1) была пройдена через свежий ров 1905 г. В разрезе разрыв имеет форму симметричного мини-грабена шириной около 1.5 м, заполненного современной почвой мощностью до 0.7 м. Следов предыдущих смещений не обнаружено.
Второй канавой (Т-2) вскрыт разрез более древнего рва, представленного в рельефе линейным понижением глубиной 20–30 см, и уступом высотой ~20 см. Канава пройдена в 2.5 м выше по склону от рва 1905 г. (см. рис. 9, в). Средний уклон поверхности увеличивается от 15° (линейное понижение) до 20° (уступ) и 25° (ров 1905 г.). Возможно, это отражает возрастные соотношения структур с тремя эпизодами разрывообразования.
Линейное понижение вскрыто в юго-восточной части канавы. Оно образовано ступенчатой системой сбросов, имеющих встречное падение (рис. 10).
Рис. 10. Траншея Т-2, выработанная вкрест простирания древнего рва в зоне Цэцэрлэгского разлома.
(а) ‒ Фото траншеи; (б) ‒ разрез траншеи.
Показано: разрывы (красные линии); слоистость в аллювии (штрих-линии черным); место отбора образца на радиоуглеродное датирование (GV-4283).
Обозначено (цифры в кружках): 1 – песчаный степной бурозем (гумусовый горизонт), 1а – погребенный фрагмент палеопочвы; 2 – светло-коричневые пылеватые супеси с линзами гравийно-дресвяного материала и редким щебнем (склоновые отложения), 2а – переотложенные супеси из того же горизонта; 3 – косослоистое чередование хорошо сортированных пылеватых песков с линзами грубо сортированного песчано-гравийного материала (пойменный аллювий)
По сбросам происходит ступенчатое опускание всех слоев видимого разреза. В грабене между сбросами наблюдается опускание подошвы современного степного бурозема, ниже которой залегает погребенный песком фрагмент гумусового горизонта палеопочвы 1а (см. рис. 10). Из погребенной линзы почвенного гумуса отобран образец на радиоуглеродное датирование. По гуминовым кислотам получен калиброванный возраст палеопочвы – 3319–3506 лет назад (радиоуглеродная дата – 3164 ± 35 лет назад, лабораторный код образца GV-4283).
Можно полагать, что захоронение палеопочвы произошло в результате сейсмотектонической подвижки, которая привела к образованию наблюдаемого в рельефе линейного понижения после отложения почвенного слоя с возрастом 3319–3506 лет.
Более молодой уступ в северо-западной части канавы образован ступенчатыми сбросами – бортами асимметричного грабена. Его противоположный борт выражен не столь отчетливо, однако и здесь наблюдается изгибающийся разрыв с вертикальным смещением подошвы склоновых отложений. В верхней части разреза наблюдается опускание подошвы современного степного бурозема. При этом часть бурозема оказалась захоронена переотложенными склоновыми супесями 2а, выше которых накопился дерновый горизонт современной почвы (см. рис. 10).
Можно полагать, что здесь зафиксированы следы еще одной подвижки, последовавшей за первым смещением. Таким образом, в разрезе канавы вскрыты следы двух разновозрастных одноактных смещений, произошедших за последние 3319–3506 лет и предшествовавших подвижке 1905 г.
Эрзин-Агардагский левый взбросо-сдвиг
В 240 км к западу от Цэцэрлэгского разлома, в пределах Убсунурской впадины, протягивается Эрзин-Агардагский разлом (см. рис. 8). Он берет свое начало в северных предгорьях хр. Хан-Хухийн и пересекает Убсунурскую впадину в северо-восточном направлении по азимуту примерно 60°, совпадая с простиранием Цэцэрлэгского разрыва. В пределах впадины разлом прослежен на 240 км, он сечет ее северо-восточную границу, оконтуривая с северо-запада хр. Остроконечный. Далее разлом приобретает субширотное простирание и прослеживается до южного окончания Терехольской впадины, смыкающейся с Бусийнгольской зоной грабенов [1].
Новейшая активность, скорость движения и цикличность сейсмособытий вдоль Эрзин-Агардагского разлома до настоящего момента изучены слабо, несмотря на ряд проведенных здесь работ [1, 27]. На всем своем протяжении разлом демонстрирует признаки левого сдвига со взбросовой компонентой на отдельных участках. Левосдвиговые деформации уверенно устанавливаются по смещениям постоянных и временных водотоков вдоль выхода сместителя на поверхность.
Минимальные установленные амплитуды смещений русел водотоков, выявленные в районе горы Хайракан, составляют от 5 до 7 м, что близко к разовым смещениям при землетрясении. Накопленные сдвиговые смещения фиксируются на северо-востоке Убсунурской впадины, по коленообразному изгибу р. Тэсийн-Гол (Тес-Хем) и отторженному склону горы Хайракан и составляют от 280 м до 1.5 км [1, 27].
К настоящему времени Эрзин-Агардагский разлом вскрыт траншеями в двух местах, на разных его сегментах.
Первая траншея пройдена на юго-западе разлома в пределах Хиргиснурской впадины [1].
Вторая траншея пройдена на северо-востоке Убсунурской впадины в подножье горы Хайракан [27].
В обеих траншеях обнаружены признаки сейсмособытий и локальные незначительные вертикальные смещения. Основная компонента смещения горизонтальная. Вторая траншея вскрыла сложную “цветковую” структуру, характерную для сдвиговой кинематики разлома, в разрезе траншеи установлено несколько разновозрастных сейсмособытий.
Сухой климат региона не способствует накоплению горизонтов, обогащенных органическим веществом. Поэтому датирование палеоземлетрясений затруднено, и информации для периодизации сейсмичности и оценки скорости движения по разлому пока недостаточно.
Бусийнгольский, Дархатский и Хубсугульский грабены
Грабены Прихубсугулья образуют субширотную систему меридионально ориентированных впадин, разделенных крутыми и высокими горными массивами (см. рис. 8). Эти структурные формы очень контрастны: глубина оз. Хубсугул достигает 262 м, а горные массивы круто поднимаются на 1500–2000 м над впадинами и представляют собой типичное высокогорье, нередко с альпинотипными формами рельефа. Основу знаний об осадочном чехле этих впадин составляют данные гравиметрической съемки, сейсмоакустических исследований и бурения [15, 34, 54, 57]. Впадины Прихубсугулья выполнены фациально изменчивыми озерными, аллювиальными, пролювиальными, ледниковыми, водно-ледниковыми и эоловыми отложениями. Самая глубокая скважина вскрыла разрез позднеплиоцен-четвертичных озерных отложений в Дархатской впадине до глубины 211 м [15].
Мощность осадков, размеры и морфологическая выразительность впадин Прихубсугулья убывают с востока на запад, по мере удаления от Байкальской впадины. Мощность осадочного чехла во впадинах достигает:
Бусийнгольский и расположенный севернее Белинский грабены почти не заполнен осадками. Формирование осадков оз. Хубсугул, начиная с 5.5–6 млн лет, маркирует начало современного (позднеорогенного) тектонического этапа [34]. Озерные осадки этого возраста перекрывают аллювиальные отложения и базальты возрастом 9.5 млн лет [58].
Спорово-пыльцевая датировка древнее 4 млн лет также дает представление о нижнем возрастном ограничении начального этапа новейшей активизации в Прихубсугулье, когда существовавший режим осадконакопления был нарушен, а толщи плиоценовых осадков, выведенные на поверхность, стали объектом денудации [10].
Начало позднеорогенного тектонического этапа фиксируется наиболее молодой эпохой излияния базальтовых лав вокруг оз. Хубсугул (5–4 млн лет), которой предшествовали стадии вулканической активности 8–12, 12–16 и 18–22 млн лет назад [58]. Возраст “долинных” базальтов – ранний плиоцен (4.93‒4.18 млн лет), наряду с возрастом лавовых комплексов небольших щитовых построек (5.84‒5.10 млн лет), позволяет предположительно определить возрастной рубеж начала формирования Дархатской впадины позднемиоцен‒раннеплиоценовым временем [38].
Бусийнгольский и продолжающий его к северу Белинский грабены рассматриваются в качестве главной магмоконтролирующей структуры в новейшей вулканической истории Восточной Тувы [28]. Эта структура определяет размещение практически всех вулканических центров Восточно-Тувинского лавового нагорья. Возраст базальтовых лав здесь самый молодой для Прихубсугульской системы впадин – 2.8–2.1, 1.6, 1.2, 0.76–0.725, 0.6–0.56, 0.35–0.29 и 0.048 млн лет [28].
В западном борту Дархатской впадины базальты заполнили долину р. Шишхид-Гол и сформировали прекрасно выраженную террасу. Во впадине высота базальтовой террасы составляет всего несколько метров, тогда как в пределах прилегающего с запада горного массива ее высота постепенно повышается до 80–90 м [10], фиксируя отсутствие значимых разрывных смещений в западном борту впадины. Аналогичное строение имеет низкий, слабо деформированный восточный борт Хубсугульской впадины, образованный миоценовым базальтовым плато [58]. Такая морфология определяет ярко выраженную асимметрию Хубсугульской и Дархатской впадин.
Менее четко выраженное асимметричное строение имеет Бусийнгольская впадина, где восточные притоки р. Бусийн-Гол, в отличие от западных, на выходе из горного массива испытывают резкий перегиб, сопровождаемый тектоническими уступами висячих долин [5]. Западный борт впадины не имеет такой резкой границы, как восточный, что и определяет ее асимметрию. Разрывы вдоль западного борта по дистанционным данным имеют меньшие величины новейших смещений и образуют серию относительно коротких (10–15 км) сегментов, секущих ледниковые формы рельефа и голоценовые речные террасы.
Белинский грабен охарактеризован В.В. Вдовиным [5] как более узкий двусторонний грабен. Причиной его отличия от Бусийнгольского грабена мог быть разделяющий эти грабены активный разлом субширотного простирания, трассируемый вдоль долин рек Кызыл-Хем и Шишхид-Гол [5]. В качестве следов сильных землетрясений были отмечены многочисленные отседания и обвалы склонов.
Бусийнгольская впадина. Вдоль восточного борта Бусийнгольской впадины по аэрофотоснимкам была закартирована система сбросовых уступов, разрывающих молодые конусы и моренные отложения, длиной не менее 20 км [37].
В горном обрамлении к востоку от этой впадины 27.12.1991 г. произошло Бусийнгольское землетрясение с магнитудой Ms = 6.5, после которого возникла уникальная по длительности и пульсирующему режиму сейсмическая активизация [11]. Механизм очага – сдвиг, правый по плоскости север-северо-западного простирания или левый по более вероятной плоскости восток-северо-восточного простирания.
Судя по распределению афтершоков, очаговая зона приурочена к оперяющему разлому восток-северо-восточной ориентировки, под острым углом примыкающему к Бусийнгольской впадине. Этот разлом кулисно продолжает к северу Кунгуртугский активный разлом в северном борту одноименной впадины, связующей Белино-Бусийнгольскую зону грабенов и Эрзин-Агардагский разлом.
Дархатская впадина. За последние 100–110 лет Дархатская впадина является наименее сейсмически активной среди впадин Прихубсугулья. На инструментальном этапе сейсмологических наблюдений здесь были зафиксированы лишь слабые землетрясения с магнитудой Mw < 5 [59]. Вдоль восточного борта Дархатской впадины протягивается одноименная зона разломов, которая по морфологии разделяется на два участка.
В зоне Северо-Дархатского разлома была обнаружена Джарагольская система сбросовых уступов высотой 1.0–2.5 м и минимальной длиной ~5 км [15, 37]. Морфотектонические и палеосейсмологические исследования последних лет позволили определить скорость вертикальных (сбросовых) смещений по Северо-Дархатскому разлому – 0.3–0.6 мм/год за последние ~8.4 тыс. лет, и параметризовать два палеоземлетрясения с магнитудами Mw = 7 и средним периодом повторяемости 3.5 тыс. лет [44]. Определенный с использованием полученных скоростей возраст Дархатской впадины (6.5–3.3 млн лет) в целом соответствует другим данным.
Хубсугульская впадина. В западном борту Хубсугульской впадины, вдоль зоны Западно-Хубсугульского разлома, четко проявлены треугольные тектонически фасеты. Наиболее полно фасеты развиты в северо-западной части впадины. В южном направлении фасеты снижаются, а в самой южной части впадины речные долины врезаны уже в верхний уровень рельефа межвпадинной перемычки, бронированный миоценовыми базальтами.
Это свидетельствует о снижении тектонической активности в южном направлении. Активность сброса на северо-западном участке подчеркивается уступом, у подножия которого зафиксированы позднеголоценовые обвалы и рвы с возрастом не менее 1 тыс. лет. Отчетливых признаков более позднего сейсмотектонического вспарывания не было обнаружено [15]. Помимо ярко выраженной вертикальной компоненты, вдоль зоны Хубсугульского разлома дистанционными методами выявлены правосторонние смещения долин на 30–50 и 100 м по сегментам северо-западной ориентировки, параллельным берегу озера [3]. По сегментам северо-восточного простирания выявлены левосдвиговые смещения долин и скальных грив до 50 и 300–400 м.
В северо-западной части впадины 12.01.2021 г. произошло Хубсугульское землетрясение с Mw = 6.7 и расчетной интенсивностью Iо = 9 баллов [12]. В результате полевых сейсмотектонических исследований с использованием шкалы ESI-2007, по параметрам вторичных нарушений, локализована эпицентральная зона с интенсивностью сотрясений Iо = 8 баллов [24].
В месте сгущения вторичных нарушений был обнаружен выход очага землетрясения на поверхность – сейсмотектонический разрыв, ориентированный в направлении 340°–350° ССЗ и диагностированный как правый сбросо-сдвиг со смещением до 20 см в вертикальном и столько же в горизонтальном направлении.
Эпицентр землетрясения зарегистрирован в 18–19 км к юго-востоку от обнаруженного выхода очага на поверхность, в акватории оз. Хубсугул [12]. Выход очага на поверхность соответствует линии с резкой сменой интерференционной картины по данным спутниковой радарной интерферометрии [29, 47, 56].
Обобщенная модель разрыва по этим данным представлена плоскостью с простиранием 340°–350° СЗ и углом падения 45°–54° в восточном направлении (т.е. в сторону гипоцентра), которая достигает глубины 18–24 км, с вертикальным смещением на поверхности до 20 см. Небольшая длина прослеженного разрыва (~250 м), по-видимому, обусловлена малой величиной смещения, в результате чего он сохранился только на центральном участке. Несмотря на это, удалось идентифицировать сглаженный тектонический уступ высотой ~1 м, сформированный предыдущими подвижками и обновленный при землетрясении 2021 г. (рис. 11).
Рис. 11. Сейсморазрыв Хубсугульского землетрясения 2021 г.
(а)‒(б) ‒ северная стенка траншеи: (а) ‒ разрез, (б) ‒ фотопанорама; (в) – реконструкция последовательности подвижек; (г) – схема расположения сейсмотектонического разрыва в очаге Хубсугульского землетрясения, канавы и тектонических уступов.
На (а)‒(б) ‒ обозначено (цифры в кружках): 1 – дерновый горизонт современного почвенного профиля; 2 – погребенные торфянистые горизонты палеопочв; 3 – рыхлые пылеватые суглинки с щебнем и дресвой (склоновые отложения), 3а – то же, с глыбами (коллювий), 3б – то же, плотные, комковатые, оглеенные; 4 – серо-зеленые супеси с редким щебнем и дресвой (тонкодисперсная кора выветривания); 5 – щебень, глыбы с супесчаным заполнителем (обломочная кора выветривания); 6 – ультраосновные, сильнотрещиноватые коренные породы, 6а – те же породы, выветрелые до глины.
На (в) ‒ обозначена последовательность сейсмотектонических смещений (римские цифры).
1 – трещиноватость в коренных породах; 2 – разрывы; 3 – положение опущенных фрагментов древней земной поверхности (цифрами указаны амплитуды смещений ‒ см. рис. 8)
В разрезе пройденной канавы уступу четко соответствует сброс с падением под углом 50°–70° на восток. На бровке уступа разрыв смещает современную земную поверхность и почву на 10–15 см. В основании уступа вскрыты разрывы предыдущих землетрясений, которые последовательно вовлекали в опускание все новые участки со стороны хребта. В разрезе таким участкам соответствуют два погребенных торфянистых горизонта палеопочв (смещения на 25 и 20 см) и расщепление на 15 см дернового горизонта современной почвы линзой склонового материала.
Эти горизонты маркируют деформированные фрагменты древней поверхности. Они ограничены разновозрастными разрывами и захоронены склоновым материалом, переотложенным с поднятого крыла. Это указывает на одноактное сейсмотектоническое образование каждого разрыва. Более молодой разрыв возникал западнее предыдущего, т.е. ближе к горному массиву. Таким образом, происходила экспансия впадины с последовательным вовлечением в опускание прилегающей части горного поднятия.
Из образцов, отобранных на радиоуглеродный анализ, датировка по углю получена только для самого нижнего из вскрытых канавой слоя торфянистой палеопочвы. Ее калиброванный возраст – 958–1176 лет (радиоуглеродная дата – 1139 ± 33 лет назад, лабораторный код образца GV-4280) (см. рис. 11).
По гуминовым кислотам датировка существенно моложе – 836 ± 33 лет назад. Датированная по углю палеопочва была захоронена в результате второй по древности из вскрытых подвижек. После этой подвижки (II) произошло еще три события – смещение и захоронение двух палеопочв и обновление уже существовавшего разрыва в 2021 г. (см. рис. 11).
Следовательно, за последние 958–1176 лет произошли четыре разрывообразующих землетрясения со средней повторяемостью 240–250 лет. Общее вертикальное смещение, составившее 70 см, произошло со средней скоростью 0.6–0.7 мм/год за последние 958–1176 лет. Эта оценка несколько выше скорости вертикальных смещений по Северо-Дархатскому разлому (0.3–0.6 мм/год за последние ~8.4 тыс. лет [44]), что может быть связано с меньшим периодом осреднения и/или нарастанием скорости смещений со временем.
Сейсмотектонический разрыв 2021 г. входит в систему тектонических уступов, закартированных в подножии горного массива на северо-западе Хубсугульской впадины. Уступы имеют позднеголоценовый возраст. В речных долинах они нарушают поверхности речных террас, морен и ледниковых трогов последнего мощного оледенения, а между ними выражены прерывистой цепочкой треугольных тектонических фасет. Пока остается неясным, какие участки зоны разлома охватывали предыдущие разрывы, выявленные в канаве, что затрудняет определение магнитуд палеоземлетрясений.
Хубсугульско-Дархатская межвпадинная перемычка. В северной части Хубсугульско-Дархатской межвпадинной перемычки Н.В. Лукина [18] интерпретировала протяженный каньонообразный эрозионный врез р. Малый Енисей с притоком р. Кызыл-Хем как проявление активного Каахемского (Кызылхемского, по [51]) разлома, являющегося западным, кулисно смещенным к северу структурным продолжением Шишхидгольского разлома и продолжающего с кулисным смещением к югу Тункино-Мондинскую зону активных разломов.
В южной части Хубсугульско-Дархатской межвпадинной перемычки, наиболее яркие проявления активной тектоники обнаружены к востоку от окончания Южно-Дархатского разлома, от которого в восточном направлении ответвляется разломная зона в целом субширотного простирания, представленная несколькими ветвями. Вдоль основной, наиболее протяженной, ветви на всем отрезке между Дархатской впадиной и долиной р. Бэлтэсийн-Гол прослеживается извилистый тектонический уступ (рис. 12).
Рис. 12. Схема активных разломов между Дархатской впадиной и долиной р. Бэлтэсийн-Гол.
Обозначено: разломы с установленными смещениями молодых форм рельефа (сплошные линии); разломы, предполагаемые по дистанционным данным (пунктир); пункты с установленными деформациями молодых форм рельефа (кружочки красным цветом с арабскими цифрами).
В правом борту долины р. Бэлтэсийн-Гол, в разрезе коренных пород он представлен взбросо-надвигом (падение под углом 25о–30о в СЗ направлении) с уступом на поверхности 1-й надпойменной террасы высотой 12 м (рис. 13, а, б).
Рис. 13. Тектонические деформации молодых форм рельефа в долине и окрестностях р. Бэлтэсийн-Гол.
Обозначены (красные штрих-линии) активные разломы.
(а)‒(б) – правый борт долины р. Бэлтэсийн-Гол (т. 14 ‒ см. рис. 12): (а) – цифровая модель рельефа по полученным данным аэрофотосъемки, (б) – общий вид (фото) и профиль уступа по результатам измерений на местности и данным цифровой модели рельефа;
(в)‒(г) – тектоническая дамба и правый сдвиг сухого русла (т. 13 ‒ см. рис. 12): (в) – аэрофотоплан с квадрокоптера, (г) – цифровая модель рельефа.
Можно полагать, что высота уступа напрямую отражает величину вертикальной компоненты смещений по разлому, однако суммарное смещение, учитывая пологое падение сместителя, гораздо больше. К востоку от долины р. Бэлтэсийн-Гол, уступ с тем же знаком подпруживает небольшую водосборную воронку – заболоченную котловину в истоке ручья (см. рис. 13, в, г). Простирание уступа на этом участке –300°–310° ЗСЗ.
Молодой возраст смещения подтверждает вал, полностью перегораживающий разорванную долину, которая с момента последней подвижки не успела размыть тектоническую дамбу и выработать новое русло. Кроме вертикальной, наблюдается правосдвиговая компонента смещений – 36 м по сдвигу брошенного русла в водосборной воронке.
Южнее изучен дугообразный, очень пологий, асимметричный вал с крутым южным склоном. Вал имеет ширину до 300 м и отделяет с юга предгорный пьедестал – наклонную равнину, сложенную молодыми пролювиальными отложениями, обрамляющую подножие горного массива и вовлеченную в молодое тектоническое поднятие. Строение южного, крутого склона вала изучено в специально пройденной расчистке во врезе временного ручья (рис. 14).
Рис. 14. Фото (а) и зарисовка (б) надвига в правом борту долины р. Бэлтэсийн-Гол в пункте 10 с установленными деформациями молодых форм рельефа.
Положение пункта 10 ‒ см. рис. 12.
Обозначено (арабские цифры в кружках): 1 – гумусовой горизонт современного почвенного профиля; 2 – грубоокатанные гальки, валуны с песчано-гравийным заполнителем (пролювиально-аллювиальные отложения); 3 – слоистый щебень, редкие глыбы, иногда грубоокатанные, с буровато-серым супесчаным заполнителем (пролювиально-склоновые отложения); 4 – слоистый щебень (преимущественно сланцы) с бурым супесчаным заполнителем (склоновые отложения); 5 – плоский щебень, реже глыбы разнообразных пород с буровато-коричневым суглинистым заполнителем (склоновые отложения); 6 – галька, щебень с суглинисто-песчано-гравийным заполнителем (пролювиально-коллювиальные отложения, выполняющие эрозионный врез или трещину растяжения); 7 – щебень, глыбы коренных диабазов (переотложенная обломочная кора выветривания), 7а – то же, с супесчаным заполнителем; 8 – выветрелые, сильно трещиноватые глинистые сланцы, залегающие в виде крупных фрагментов в пестроцветных суглинках; 9 – пестроцветные (бурые, с серыми пятнами) комковатые суглинки с щебнем и редкими глыбами разнообразных пород (кора выветривания); 10 – щебень, дресва (выветрелые, сильно трещиноватые глинистые сланцы); 11 – темно-серые глинистые сланцы, брекчированные, милонитизированные; 12 – сильнотрещиноватые, раздробленные диабазы; 13 – темно-зеленая глинка трения с щебнем и дресвой коренных пород.
1 – разрывы; 2 – трещиноватость вдоль слоистости в диабазах; 3 – стратиграфические контакты; 4 – разрывы
В основании разреза вскрыта серия линз-чешуй, ограниченных субгоризонтальными надвигами, по которым проиcходило последовательное надвигание коренных сланцев и диабазов на пестроцветную кору выветривания. В более позднее надвигание вовлечены и молодые склоновые отложения. Важно отметить изгиб аллювиально-пролювиальной толщи (2), конформный принадвиговой антиклинальной складке в диабазах, слагающих висячее крыло надвига, и изгибу поверхности I надпойменной террасы (см. рис. 14). Можно полагать, что дугообразный вал образован принадвиговым складчатым изгибом молодых отложений.
СООТНОШЕНИЕ АКТИВНЫХ РАЗЛОМОВ, НОВЕЙШЕЙ СТРУКТУРЫ И ГЛУБИННОГО СТРОЕНИЯ РЕГИОНА ИССЛЕДОВАНИЯ
Система активных разломов как структурный парагенез
Рассматриваемый регион ограничен двумя широтными левосдвиговыми зонами – Хангайской на юге и Тункино-Мондинской на севере. Эрзин-Агардагский и Цэцэрлэгский левые взбросо-сдвиги оперяют Хангайский разлом с севера и простираются на север-северо-восток. Кулисный ряд грабенов Бусийнгол, Дархат и Хубсугул расположен на восток-северо-восточном продолжении Эрзин-Агардагского разлома, который причленяется на северо-востоке к южному окончанию Бусийнгольского грабена – западного члена кулисного ряда.
Северное окончание Хубсугульского грабена, восточного члена кулисного ряда, смыкается с западным окончанием Тункино-Мондинской зоны. Сбросы западного ограничения Хубсугульского грабена прослеживаются на юг почти до Цэцэрлэгского разлома. К востоку от области их сближения проявления активности Цэцэрлэгского разлома ослабевают, и через ~100 км следы разлома исчезают. Таким образом, активные разломы региона образуют взаимосвязанную систему.
С субмеридиональными сбросами кулисного ряда грабенов на юге сочетаются активные надвиги, взбросы и небольшие приразломные складчатые изгибы осадочных толщ широтного и северо-западного простирания. Они обнаружены между южными окончаниями Дархатской и Хубсугульской грабенообразных впадин на восточном простирании окончания Эрзин-Агардагского разлома.
Такое сочетание сбросов как проявлений растяжения с надвигами, взбросами и приразломными складками как проявлениями горизонтального сжатия характерно для зон сдвиговой деформации. В данном случае они образуют зону левосдвиговой деформации, расположенную между окончаниями двух левых сдвигов – Эрзин-Агардагского разлома и Тункино-Мондинской зоны – и выполняющую ту же кинематическую роль.
Для понимания геодинамических условий возникновения описанного структурного парагенеза важно выяснить происхождение Хангайской и Тункино-Мондинской субширотных левосдвиговых зон.
Р. Фройнд [53] разделил сдвиги на трансформные и транскуррентные. Обращая внимание на кинематические особенности, мы выделили сдвиги перемещения и сдвиги вращения, близкие по характеристикам, соответственно к трансформным и транскуррентным сдвигам Р. Фройнда [53] и дополнили эти два типа сдвигами выжимания, образующимися при выдавливании залегающих между двумя зонами разломов горных пород в сторону меньшего горизонтального сжатия [31].
Сдвиг перемещения отличается выдержанностью простирания и амплитуды смещений и наличием компенсирующих структур сжатия или растяжения на окончаниях разлома. Он возникает при большом радиусе вращения крыльев разлома с центром, выходящим за пределы нарушаемой сдвигом тектонической области, и в ее пределах воспринимается как результат поступательного перемещения одного крыла относительно другого.
Смещения вдоль сдвига вращения менее выдержаны и вырождаются к его окончаниям. Сдвиг образуется при наличии вращательной компоненты в перемещении горных пород, причем центр вращения расположен близко к разлому. Исследование природных сдвигов показывает, что признаки указанных типов нередко совмещаются.
Хангайская и Тункино-Мондинская левосдвиговые зоны являются частями более обширной системы парагенетически связанных активных разломов Монголии и юга Сибири и потому могут рассматриваться как сдвиги перемещения [33]. Эта система характеризуется ориентировкой относительного горизонтального сжатия с юго-запада на северо-восток и растяжения – с северо-запада на юго-восток, причем на западе и в центре Монголии и прилегающей части юга Сибири доминирует сжатие, а на северо-востоке региона, в Байкальной рифтовой зоне и Забайкалье, растяжение.
Вместе с тем, в строении Хангайской зоны присутствуют черты сдвига вращения. Они проявляются в том, что на востоке зона вырождается, не передавая амплитуду сдвига компенсирующим структурам, а на западе амплитуда сдвига падает, и зона разделяется на несколько ветвей, непосредственного сочленения которых с разломами Монгольского Алтая не наблюдается. Это позволяет предположить, что при наличии поперечного сжатия сдвиг по Хангайской и Тункино-Мондинской зонам разломов частично обусловлен вращением расположенного между ними блока по часовой стрелке.
Вращение межразломного блока изменило положение в нем осей главных нормальных напряжений. Относительное сжатие стало субмеридиональным, а растяжение – субширотным, что проявилось в восток-северо-восточном простирании Эрзин-Агардагского и Цэцэрлэгского сдвигов и меридиональной ориентировке грабенов кулисного ряда.
Сопоставление активных разломов с элементами новейшей структуры
Рассматриваемый регион охватывает два крупных элемента новейшей структуры: Хангайское сводовое поднятие и западную и северную части обрамляющего поднятие С-образного пояса межгорных впадин. Исследуемая часть С-образного пояса включает в себя на севере Тункинскую впадину, а на западе Убсунурскую впадину и поднятие хребта Хан-Хухийн между этой впадиной и расположенной южнее Котловиной Больших Озер. Южная часть Хангайского свода, поднятая на высоту до 4000 м, выше его северной части, поднятой до 3000 м, и отделена от нее сглаженным тектоническим уступом высотой до 500–700 м [33].
Северная часть свода смыкается на севере с горными поднятиями Восточной Тувы. Крупных новейших разломов на границе Хангайского свода и пояса впадин не обнаружено. Они присутствуют на внешних границах впадин пояса ‒ Тункинской на границе с Восточным Саяном и Тункинскими Гольцами, Котловины Больших Озер и Долины Озер на границах с Монгольским и Гобийским Алтаем.
Временем начала формирования новейшей структуры региона можно считать поздний олигоцен, когда заложились впадины С-образного пояса вокруг Хангайского свода, хотя сам свод начал подниматься раньше [33]. Контрастность вертикальных движений свода и соседних впадин возрастала со временем.
Структурный рисунок, образуемый указанными элементами новейшей структуры и их разломными ограничениями, отличается от структурного рисунка, образованного активными разломами. Вместе с тем, некоторые крупные активные разломы частично наследуют элементы новейшего структурного плана. Это относится, прежде всего, к разломам восточного фронта Монгольского Алтая [9].
Менее определенной представляется история Хангайского разлома. Его западная часть простирается вдоль северного склона поднятия хребта Хан-Хухийн, заложенного не позднее плиоцена, а восточная часть разлома следует вдоль тектонического уступа, отделяющего более поднятую южную часть Хангайского свода от ее северной части.
В обеих частях разлома вертикальная компонента позднечетвертичных подвижек совпадает с вертикальной компонентой более ранних движений. В течение позднечетвертичного этапа вертикальная компонента многократно уступает сдвиговой компоненте движений. Для более ранних этапов развития нет оснований предполагать столь же значительные сдвиговые перемещения. Тункино-Мондинская зона активных разломов наследует зону разломов, ограничивающих с севера цепь Тункинских впадин. Однако направление вертикальных движений по активным разломам противоположно перемещениям на границах впадин в эпоху осадконакопления [43]. Неясны масштабы сдвиговых перемещений той эпохи.
Активные разломы между Хангайской и Тункино-Мондинской сдвиговыми зонами (Эрзин-Агардигский и Цэцэрлэгский разломы, грабены кулисного ряда) дискордантны относительно элементов новейшей структуры и представляются осложнившими ее новообразованиями. Относительное опускание южного крыла Цэцэрлэгского активного разлома согласуется с понижением поверхности Хангайского свода между Хангайским и Цэцэрлэгским разломами. Плоская Мурэнская впадина, приуроченная к этому понижению, заполнена верхнеплиоцен-четвертичными осадками мощностью до 100 м [15].
На бортах Дархатской и Хубсугульской впадин вскрыты отложения разных ярусов плейстоцена и вероятные аналоги верхнеплиоцеовой охристой свиты Тункинской впадины. По-видимому, грабенообразные впадины Прихубсугулья заложились в плиоцене.
Таким образом, наряду с признаками унаследованности активных разломов намечаются признаки структурной перестройки ранних элементов новейшей структуры, приведшей к образованию современной сети активных разломов региона. Первые признаки новообразований, связанных с парагенезом активных разломов, относятся к позднему плиоцену. Погружение Тункинской впадины и, соответственно, опускание южного крыла Тункино-Мондинской зоны продолжалось до раннего плейстоцена и завершилось не раньше излияния базальта с возрастом ~1.6 млн лет в верхней половине песчаной толщи, венчающей разрез впадины [25, 65].
Следовательно, изменения направления вертикальных движений в этой зоне произошло позднее, т.е. перестройка новейшей структуры, приведшая к окончательному оформлению системы активных разломов, завершилась не раньше конца раннего плейстоцена. Это не исключает того, что элементы структурного парагенеза, выраженного активными разломами, и парагенеза, представленного Хангайским сводом и обрамляющим поясом впадин, могли развиваться одновременно, будучи связаны с разными геодинамическими источниками [33].
Сопоставление активных разломов со строением земной коры и верхней мантии
Мощность земной коры региона была оценена по гравиметрическим данным [13–15]. Выполненные расчеты показали, что под Сибирской платформой толщина коры составляет 39–43 км. Она увеличивается до 44–45 км под Котловиной Больших Озер и 46–52 км под Восточным Саяном и Прихубсугульем, понижаясь на 5–6 км под Дархатской и Хубсугульской грабенообразными впадинами, и достигает 60 км под Южным Хангаем и Монгольским Алтаем.
Интерпретация гравиметрических данных выявила существование под Монголией и Забайкальем больших объемов аномальной (разуплотненной) мантии, кровля которой может подниматься до глубин 40–50 км, частично или полностью замещая мантийную часть литосферы и достигая местами подошвы земной коры [13, 14].
Использование сейсмотомографической модели MITP08 [55], показывающей величины отклонения скоростей продольных волн от средних для соответствующих глубин значений, позволило уточнить распределение разноскоростных объемов в верхней мантии региона и выделить и очертить сложно построенный Хангайский плюм, восходящий с глубины ~1300 км [33].
Нами представлена структурная карта кровли Хангайского плюма по изоповерхности δVp = –0.5%, построенная на основе указанной скоростной модели (рис. 15).
Рис. 15. Сопоставление активных разломов Западной и Центральной Монголии и смежной части юга Сибири с положением кровли низкоскоростной мантии по изоповерхности δVp = –0.5% (на основе скоростной модели MITP08 [55]).
1 – активные разломы; 2 – государственная граница
Над основным телом плюма кровля низкоскоростной мантии поднята на глубины менее 67 км. Это поднятие кровли низкоскоростной мантии протягивается от гор Бэйшаня на север, охватывая восточные гряды Тянь-Шаня, Гобийский Алтай, Долину Озер, Котловину Больших Озер и поднятие Южного Хангая до Хангайского разлома.
Севернее находится меньшая по размеру область подъема низкоскоростной мантии, приходящаяся на Дархатскую и Хубсугульскую грабенообразные впадины и их горные обрамления. Ее отделяет от основного поднятия Мурэнская перемычка, ограниченная Цэцэрлэгским разломом и восточной частью Хангайского разлома. На перемычке кровля низкоскоростной мантии погружена, как минимум, до 100 км.
Поднятия кровли низкоскоростной (разуплотненной и, вероятно, аномально разогретой) мантии окружены областями, где кровля понижается. Особенно резко и контрастно она опускается, достигая глубин 250 км, в северной части региона на границах с Монгольским Алтаем, Убсунурской впадиной, горными сооружениями Восточной Тувы, Восточного Саяна и Хамар-Дабана и восточным склоном Хангайского свода. Под Сибирской платформой высокоскоростная мантия прослеживается от подошвы земной коры до глубины 1100 км, и признаки плюма отсутствуют.
Все крупные зоны активных сдвигов либо находятся в областях опущенной кровли плюма, либо, чаще, на границах выступов мантийного плюма, где его кровля понижается. Так, сдвиги и взбросо-сдвиги Монгольского Алтая простираются вдоль западной границы главного выступа низкоскоростной мантии.
Зона Хангайского сдвига в западной части приходится на северную границу главного выступа, а в восточной части образует южную границу перемычки между главным выступом низкоскоростной мантии и малым выступом Прихубсугулья. Цэцэрлэгский сдвиг образует северную границу этой перемычки. Эрзин-Агардагский взбросо-сдвиг и Тункино-Мондинская сдвиговая зона расположены в областях понижения кровли мантийного плюма. В отличие от них сбросы Дархатской и Хубсугульской грабенообразных впадин расположены внутри малого выступа низкоскоростной мантии.
ОБСУЖДЕНИЕ РЕЗУЛЬТАТОВ
Сопоставление активных разломов с положением кровли низкоскоростной мантии по изоповерхности δVp = –0.5% показало, что все разломы с доминирующей сдвиговой компонентой смещений расположены в тех частях региона, где кровля низкоскоростной мантии погружена настолько, что над ней сохранилась значительная часть литосферной мантии. Утверждая это, мы отдаем себе отчет в том, что изоповерхность δVp = –0.5% ограничивает область мантии с заведомо пониженными скоростями Р-волн, где прочность пород понижена. Выше нее могут находиться объемы мантийных пород с менее пониженными скоростями Р-волн, также разупрочненные.
В областях, где изоповерхность –0.5% расположена не глубже 67 км, мантийная часть литосферы региона существенно редуцирована или отсутствует, и земная кора подвержена воздействию аномальной мантии. Возможно, именно поэтому над выступом низкоскоростной мантии Эрзин-Агардагский сдвиг и Тункино-Мондинская сдвиговая зона замещаются расположенной между ними зоной сдвиговых деформаций, представленной рядом грабенов. На существенное растяжение земной коры грабенов, соизмеримое с величиной сдвига, указывает уменьшение мощности коры под грабенами на 5–6 км [15].
В рассматриваемом регионе эпицентры и очаговые зоны сильнейших землетрясений, Болнайского с магнитудой Mw ≥ 8 и Цэцэрлэгского с магнитудой Mw = 8, охватили разные элементы новейшей структуры. Так, эпицентр Болнайского землетрясения находился в хребте Хан-Хухийн между Котловиной Больших озер и Убсунурской впадиной, т.е. в пределах С-образного пояса впадин, а очаговая зона протяженностью не менее 375 км, маркируемая возникшими сейсморазрывами вдоль Хангайского и сопряженных разломов, распространилась от эпицентра как на запад, так и на восток, в пределы Хангайского свода.
Эпицентр Цэцэрлэгского землетрясения и его очаговая зона протяженностью 190 км расположены в северной части Хангайского свода. Учитывая столь большие размеры очаговых зон обоих землетрясений, резонно предположить, что они не ограничивались сейсмогенерирующим верхнекоровым слоем, но охватывали и более глубокие слои литосферы вплоть до ее мантийной части.
Показано, что очаговые зоны обоих землетрясений расположены в областях, где кровля низкоскоростной мантии опущена и допускает сохранение (как минимум, частичное) мантийной части литосферы, что вполне согласуется с распространением очага до этих глубин (см. рис. 15).
В отличие от этих сильнейших землетрясений, очаг Хубсугульского землетрясения 12.01.2021 г. с магнитудой Mw = 6.7 расположен над выступом низкоскоростной мантии, где мантийная часть литосферы крайне редуцирована или отсутствует. Это ограничило глубину очаговой областью верхнекоровым слоем, с чем согласуется глубина очага 18–24 км, рассчитанная сопоставлением сейсморазрывов на земной поверхности, наклона сейсмогенерирующего разлома и положения эпицентра [29, 47, 56].
Приведенные представления о зависимости латеральных размеров очаговой области и магнитуды землетрясения от глубины, на которую распространяется очаговая зона, вступают в противоречие с данными о Гоби-Алтайском землетрясении 1957 г., при котором был активизирован 180-километровый Долиноозерский сегмент (разлом Богд) Гоби-Алтайской зоны активных левых взбросо-сдвигов. Амплитуда сейсмогенного сдвига составила 5 м, локально до 8 м [7, 19, 32]. Магнитуда землетрясения Ms = 8.
При этом очаговая зона землетрясения, маркируемая сейсморазрывами, полностью находится над выступом низкоскоростной мантии Хангайского плюма, где мантийная часть литосферы крайне редуцирована или отсутствует, а нижняя часть земной коры могла быть размягчена воздействием плюма. Таким образом, очаговая область не выходила за пределы верхнекорового сейсмогенерирующего слоя.
Объяснить возникновение сильнейшего землетрясения с неглубокой очаговой областью можно, допустив временную неоднородность поля напряжений с периодическим или непериодическим их возрастанием, при котором могут подвергнуться одновременному разрушению обширные объемы земной коры активных зон.
Возможность такого возрастания напряжений с их одновременной переориентировкой была показана на примерах северного сегмента Эль-Габ Трансформы Мертвого моря и Таласо-Ферганского разлома [66]. Возможно, с Гоби-Алтайским сейсмическим событием сходно Восточно-Анатолийское землетрясение 06.02.2023 с магнитудой Mw = 7.8, очаговая зона которого распространилась, судя по возникшим сейсморазрывам, на 361 км вдоль Восточно-Анатолийской левосдвиговой зоны при глубине гипоцентра ~10 км [39].
ЗАКЛЮЧЕНИЕ
Активная тектоника севера Центральной Монголии и сопряженной части юга Сибири определяется перемещениями по двум субширотным зонам левых сдвигов – Хангайскому разлому и Тункино-Мондинской зоне. Скорость сдвига по Хангайскому разлому составляет несколько миллиметров в год, а по Тункино-Мондинской зоне – 1.1–1.5 мм/год. Эти сдвиги являются частью единого ансамбля крупнейших активных разломов Монголо-Байкальского региона, сформировавшихся в условиях северо-восточного наибольшего сжатия и северо-западного наибольшего растяжения.
Между двумя указанными разломными зонами протягиваются Эрзин-Агардагский и Цэцэрлэгский разломы восток-северо-восточного простирания с доминирующей левосдвиговой компонентой перемещений, оперяющие Хангайский разлом. Между восточным окончанием Эрзин-Агардагского сдвига и западной частью Тункино-Мондинской сдвиговой зоны расположен ряд субмеридиональных асимметричных грабенообразных впадин – Бусийнгольская, Дархатская и Хубсугульская, которые образуют зону левосдвиговых деформаций, выполняющую ту же кинематическую роль, что и сдвиги на продолжении ряда.
Разломы, расположенные между Хангайским разломом и Тункино-Мондинской зоной, образуют структурный парагенез, геодинамические параметры которого отличаются от параметров главных пограничных разломов и указывают на его формирование в условиях субмеридионального относительного сжатия и субширотного растяжения. Изменение ориентировки осей главных нормальных напряжений может быть связано с вращением блока между пограничными разломами по часовой стрелке.
В мантии под рассматриваемым регионом находится область пониженных скоростей сейсмических волн, выделяемая нами как Хангайский плюм. Понижение скоростей может отражать разогрев и разуплотнение мантийных пород. Над осевой частью плюма кровля значительно разуплотненной мантии расположена выше глубины 67 км, что отражает утонение (местами до полного исчезновения) мантийной части литосферы и может обусловливать разупрочнение ее сохранившейся части. Активные сдвиги региона расположены по периферии поднятия низкоскоростной мантии, где мощность прочной литосферы возрастает. В осевой части поднятия сдвиги замещаются зоной сдвиговых деформаций, представленной грабенообразными впадинами. Как показал выполненный транчинг, сильные землетрясения повторялись здесь чаще, чем в зонах сдвигов, но отличались меньшими магнитудами.
Благодарности. Авторы выражают благодарность Е.В. Пархомчук (Центр коллективного пользования “Ускорительная масс-спектрометрия” НГУ-ННЦ, г. Новосибирск, Россия) за подготовку радиоуглеродных образцов и их радиоуглеродное датирование и Е.А. Зеленину (ГИН РАН, г. Москва, Россия) за помощь в калибровке радиоуглеродных дат из зоны Хангайского разлома. Авторы признательны рецензенту А.Ф. Еманову ((Алтае-Саянский филиал Исследовательского Центра “Единая геофизическая служба Российской академии наук”, (АСФ ФИЦ ЕГС РАН), г. Новосибирск, Россия) и анонимному рецензенту за полезные комментарии и редактору М.Н. Шуплецовой (Геологический институт РАН (ГИН РАН), г. Москва, Россия) за тщательное редактирование.
Финансирование. Соотношения активных разломов с неотектонической структурой региона изучались в рамках бюджетной темы FMMG-2023-0006 Геологического института РАН. Остальные исследования и написание статьи выполнены на средства Российского научного фонда, проект № 22-17-00049.
Соблюдение норм научной этики. Авторы заявляют, что не имеют конфликта интересов.
About the authors
V. G. Trifonov
Geological Institute of the RAS
Author for correspondence.
Email: trifonov@ginras.ru
Russian Federation, Pyzhevskiy, 7, Moscow, 119017
S. A. Sokolov
Geological Institute of the RAS; Russian State Geological Prospecting University named after Sergo Ordzhonikidze (MGRI)
Email: trifonov@ginras.ru
Russian Federation, Pyzhevskiy, 7, Moscow, 119017; Miklukho-Maklay str., 23a, Moscow, 117997
A. N. Ovsyuchenko
Geological Institute of the RAS; Schmidt Institute of Physics of the Earth of the RAS
Email: trifonov@ginras.ru
Russian Federation, Pyzhevskiy, 7, Moscow, 119017; Bol’shaya Gruzinskaya str., 10, Moscow, 123242
S. Yu. Sokolov
Geological Institute of the RAS
Email: trifonov@ginras.ru
Russian Federation, Pyzhevskiy, 7, Moscow, 119017
T. Batsaikhan
Institute of Astronomy and Geophysics of Mongolian Academy of Sciences
Email: trifonov@ginras.ru
Mongolia, 13343, Ulaanbaatar
S. Demberel
Institute of Astronomy and Geophysics of Mongolian Academy of Sciences
Email: trifonov@ginras.ru
Mongolia, 13343, Ulaanbaatar
Yu. V. Butanaev
Tuvinian Institute for Exploration of Natural Resources, Siberian Branch, Russian Academy of Sciences
Email: trifonov@ginras.ru
Russian Federation, Kyzyl, Republic of Tuva, 667007
N. G. Koshevoy
Schmidt Institute of Physics of the Earth of the RAS
Email: trifonov@ginras.ru
Russian Federation, Bol’shaya Gruzinskaya str., 10, Moscow, 123242
References
- Аржанников С.Г., Аржанникова А.В. Палеосейсмогенная активизация большеозерского сегмента Эрзино-Агардагского разлома // Вулканология и сейсмология. 2009. № 2. С. 56‒66.
- Аржанникова А.В. Морфоструктурная эволюция Прибайкалья и Забайкалья в позднем мезозое и кайнозое. ‒ Дис… д.г.-м.н. ‒ Иркутск: ИЗК СО РАН, 2021. 410 с.
- Аржанникова А.В., Парфеевец А.В., Саньков В.А., Мирошниченко А.И. Позднекайнозойская кинематика активных разломов Хубсугульской впадины (юго-западный фланг Байкальской рифтовой системы) // Геология и геофизика. 2003. Т. 44. № 11. С. 1202–1224.
- Аржанникова А.В., Мельникова В.И., Радзиминович Н.А. Позднечетвертичный и современный режимы деформирования западной части Тункинской системы впадин по структурно-геоморфологическим и сейсмологическим данным // Геология и геофизика. 2007. Т. 48. № 4. С. 391–400.
- Вдовин В.В. Следы землетрясений в Белино-Бусийнгольской впадине Восточной Тувы. ‒ В кн.: Сейсмогеология восточной части Алтае-Саянской горной области. ‒ Под ред. В.П. Солоненко, В.А. Николаева ‒ Новосибирск: Наука, 1978. С. 68–72.
- Вознесенский А.В. Изучение области Хангайских землетрясений 1905 г. в Северной Монголии. ‒ Тр. Отд. физ. геогр. Геогр. Общ-ва СССР. 1962. Вып. 1. 51 с.
- Гоби-Алтайское землетрясение. ‒ Под ред. Н.А. Флоренсова, В.П. Солоненко ‒ М.: АН СССР, 1963. 391 с.
- Девяткин Е.В. Кайнозой Внутренней Азии (стратиграфия, геохронология, корреляция). ‒ Под ред. К.В. Никифоровой ‒ М.: Наука, 1981. 196 с. (Тр. Сов.-Монг. геол. эксп. Вып. 27).
- Девяткин Е.В. Внутренняя Азия. ‒ В кн.: Неотектоника, геодинамика и сейсмичность Северной Евразии. ‒ Под ред. А.Ф. Грачева ‒ М.: ИФЗ РАН, 2000. С. 92–100.
- Девяткин Е.В., Малаева Е.М., Зажигин В.С., Мурзаева В.Э., Корина Н.А., Глуховская Н.Б., Семейхан Т., Сырнев И.П., Николаева Т.В., Иванов Ю.Л., Бойшенко А.Ф., Лопатин Т.В., Шмидт Г.А., Швейский Н.И., Иванова Н.Г., Кулаков В.А., Белова В.А., Шилова Г.Н. Поздний кайнозой Монголии (стратиграфия и палеогеография). ‒ Под ред. Н.А. Логачева ‒ М.: Наука, 1989. 213 с. (Тр. Сов.-Монг. геол. эксп. Вып. 47).
- Еманов А.Ф., Еманов А.А., Фатеев А.В., Соловьев В.М., Шевкунова Е.В., Гладышев Е.А., Антонов И.А., Корабельщиков Д.Г., Подкорытова В.Г., Янкайтис В.В., Елагин С.А., Сережников Н.А., Дураченко А.В., Артемова А.И. Сейсмологические исследования на территории Алтае-Саянской горной области // Российский сейсмологический журнал. 2021. Т. 3. № 2. С. 20–51. https://doi.org/10.35540/2686-7907.2021.2.02
- Еманов А.Ф., Еманов А.А., Чечельницкий В.В., Шевкунова Е.В., Радзиминович Я.Б., Фатеев А.В., Кобелева Е.А., Гладышев Е.А., Арапов В.В., Артемова А.И., Подкорытова В.Г. Хубсугульское землетрясение 12.01.2021 г. Mw = 6.7, ML = 6.9 и афтершоки начального периода // Физика Земли. 2022. № 1. С. 83‒89. https://doi.org/10.31857/S0002333722010021
- Зорин Ю.А., Мордвинова В.В., Новоселова М.Р., Турутанов Е.Х. Плотностная неоднородность мантии под Байкальским рифтом // Изв. АН СССР. Сер. Физика Земли. 1986. № 5. С. 43–52.
- Зорин Ю.А., Новоселова М.Р., Рогожина В.А. Глубинная структура территории Монголии. ‒ Под ред. Н.А. Логачева. ‒ Новосибирск: Наука, 1982. 93 с.
- Кочетков В.М., Хилько С.Д., Зорин Ю.А. и др. Сейсмотектоника и сейсмичность Прихубсугулья. ‒ Под ред. Н.А. Логачева. ‒ Новосибирск: Наука, 1993. 184 с.
- Логачев Н.А. Об историческом ядре Байкальской рифтовой зоны // ДАН. 2001. Т. 376. № 4. С. 510–513.
- Логачев Н.А., Антощенко-Оленев И.В., Базаров Д.Б., Галкин В.И., Голдырев Г.С., Ендрихинский А.С., Золотарев А.Г., Сизиков А.И., Уфимцев Г.Ф. История развития рельефа Сибири и Дальнего Востока. Нагорья Прибайкалья и Забайкалья. ‒ Под ред. Н.А. Флоренсова. ‒ М.: Наука, 1974. 359 с.
- Лукина Н.В. Алтае-Саянская область новейшего торошения континентальной литосферы. ‒ В кн.: Неотектоника и современная геодинамика подвижных поясов. ‒ Под ред. П.Н. Кропоткина ‒ М.: Наука, 1988. С. 276–292.
- Лукьянов А.В. Горизонтальные движения по разломам, происходящие при современных катастрофических землетрясениях. ‒ В кн.: Разломы и горизонтальные движения земной коры. ‒ Под ред. А.В. Пейве. ‒ М.: АН СССР, 1963. С. 34–112.
- Мазилов В.Н., Кашик С.А., Ломоносова Т.К. Олигоценовые отложения Тункинской впадины (Байкальская рифтовая зона) // Геология и геофизика. 1993. Т. 34. № 8. С. 81–88.
- Мац В.Д., Уфимцев Г.Ф., Мандельбаум М.М., Алекшин А.М., Поспеев А.В., Шимараев М.Н., Хрустов О.М. Кайнозой Байкальскгой рифтовой впадины: строение и геологическая история. ‒ Под ред. В.Д. Маца. ‒ Новосибирск: СО РАН, 2001. 252 с.
- Моссаковский А.А., Руженцев С.В., Самыгин С.Г., Хераскова Т.Н. Центрально-Азиатский складчатый пояс: геодинамическая эволюция и история формирования // Геотектоника. 1993. № 6. С. 3–32.
- Новый каталог сильных землетрясений на территории СССР с древнейших времен до 1975 г. ‒ Под ред. Н.В. Кондорской, Н.В. Шебалина. ‒ М.: Наука, 1977. 356 с.
- Овсюченко А.Н., Дэмбэрэл С., Бутанаев Ю.В., Кошевой Н.Г., Батсайхан Ц., Баатар Н. Хубсугульское землетрясение 12.01.2021 с Mw = 6.7 в Северной Монголии: геологические эффекты и тектоническая позиция очага // ДАН. Науки о Земле. 2023. Т. 511. № 1. С. 65‒70. https://doi.org/10.31857/S2686739723600455
- Рассказов С.В., Саньков В.А., Ружич В.В., Смекалин О.П. Путеводитель геологической экскурсии в Тункинскую рифтовую долину. ‒ Иркутск: ИЗК СО РАН, 2010. 40 с.
- Смекалин О.П. Изучение палеосейсмогенных деформаций Южного Прибайкалья. ‒ Под ред. Е.А. Рогожина, В.С. Имаева ‒ М.: ИФЗ РАН, 2008. 102 с.
- Соколов С.А., Гарипова С.Т., Юшин К.И., Бутанаев Ю.В., Зеленин Е.А., Овсюченко А.Н., Мазнев С.В. Новейшая структура северного обрамления Убсунурской впадины и ее соотношение с активными разломами (республика Тыва, Россия) // Геотектоника. 2023. № 1. С. 93–112.
- Сугоракова А.М., Ярмолюк В.В., Лебедев В.И. Кайнозойский вулканизм Тувы. ‒ Отв. ред. А.Э. Изох. ‒ Кызыл: ТувИКОПР СО РАН, 2003. 92 с.
- Тимошкина Е.П., Михайлов В.О., Смирнов В.Б., Волкова М.С., Хайретдинов С.А. Модель поверхности разрыва Хубсугульского землетрясения 12.01.2021 по данным спутниковой РСА интерферометрии // Физика Земли. 2022. № 1. С. 83–89.
- Трифонов В.Г. Особенности развития активных разломов // Геотектоника. 1985. № 2. С. 16–26.
- Трифонов В.Г., Зеленин Е.А., Соколов С.Ю., Бачманов Д.М. Активная тектоника Центральной Азии // Геотектоника. 2021. № 3. С. 60–77.
- Трифонов В.Г., Макаров В.И. Активные разломы (Монголия). ‒ В кн.: Неотектоника и современная геодинамика подвижных поясов. ‒ М.: Наука, 1988. С. 239–272.
- Трифонов В.Г., Соколов С.Ю., Соколов С.А., Мазнев С.В., Юшин К.И., Demberel S. Хангайский внутримантийный плюм (Монголия): 3D модель, влияние на кайнозойскую тектонику и сравнительный анализ // Геотектоника. 2023. № 6. С. 94–129. https://doi.org/10.31857/S0016853X23060073, EDN: GFPLXF
- Федотов А.П. Структура и вещественный состав осадочного чехла Хубсугульской впадины как летопись тектоно-климатической эволюции Северной Монголии в позднем кайнозое. ‒ Автореф. дис. … д.г.-м.н. ‒ Казань: КГУ, 2007. 42 с.
- Хатчинсон Д.Р., Гольмшток А.Ю., Зоненшайн Л.П., Мур Т.К., Шольц К.А., Клитгорд Л.Д. Особенности строения осадочной толщи озера Байкал по результатам многоканальной сейсмической съемки // Геология и геофизика. 1993. Т. 34. № 10–11. С. 25–36.
- Хилько С.Д., Балжинням М. Морфоструктура и сейсмотектоника Северной Монголии. ‒ В кн.: Сейсмотектоника южных районов СССР. ‒ Под ред. И.Е. Губина. ‒ М.: Наука, 1978. С. 165–175.
- Хилько С.Д., Курушин Р.А., Кочетков В.М. и др. Землетрясения и основы сейсмического районирования Монголии. ‒ Под ред. В.П. Солоненко, Н.А. Флоренсова. ‒ М.: Наука, 1985. 225 с.
- Цыпукова С.С., Перепелов А.Б., Демонтерова Е.И., Иванов А.В., Дриль С.И., Кузьмин М.И., Травин А.В., Щербаков Ю.Д., Нузанков М.Ю., Канакин С.В. Два этапа кайнозойского щелочно-базальтового вулканизма Дархатской впадины (Северная Монголия) – геохронология, геохимия и геодинамические следствия // Геодинамика и тектонофизика. 2022. Т. 13. № 3. 0613. https://doi.org/10.5800/GT-2022-13-3-0613
- Челик Х., Трихунков Я.И., Соколов С.А., Трифонов В.Г., Зеленин Е.А., Каргиноглу Ю., Юшин К.И., Ломов В.С., Бачманов Д.М. Тектонические аспекты Восточно-Анатолийского землетрясения 06.02.2023 г. в Турции // Физика Земли. 2023. № 6. С. 5–23.
- Чипизубов А.В., Смекалин О.П. Палеосейсмодислокации и связаные с ними палеоземлетрясения по зоне Главного Саянского разлома // Геология и геофизика. 1999. Т.40. № 6. С. 936–947.
- Чипизубов А.В., Смекалин О.П., Семенов Р.М. Палеосейсмодислокации и связанные с ними палеоземлетрясения в зоне Тункинского разлома (Юго-Западное Прибайкалье) // Геология и геофизика. 2003. Т. 44. № 6. С. 587–602.
- Arjannikova A., Larroque C., Ritz J.-F., Déverchère J., Stéphan J.-F., Arjannikov S., San’kov V. Geometry and kinematics of recent deformation in the Mondy-Tunka area (south-westernmost Baikal rift zone, Mongolia-Siberia) // Terra Nova. 2004. Vol. 16. No. 5. P. 265–272.
- Arzhannikova A., Arzhannikov S., Jolivet M., Vassallo R., Chauvet A. Pliocene to Quaternary deformation in South East Sayan (Siberia): initiation of the Tertiary compressive phase in the southern termination of the Baikal Rift System // J. Asian Earth Sci. 2011. Vol. 40. P. 581–594.
- Arzhannikova A.V., Arzhannikov S.G., Chebotarev A.A., Nomin-Erdene E. Morphotectonics and paleoseismology of the North Darhad fault (SW Baikal rift, Mongolia) // J. Asian Earth Sci. 2024. Vol. 259. Art.105882. https://doi.org/10.1016/j.jseaes.2023.105882
- Arzhannikova A., Arzhannikov S., Ritz J.-F., Chebotarev A., Yakhnenko A. Earthquake geology of the Mondy fault (SW Baikal rift, Siberia) // J. Asian Earth Sci. 2023. Vol. 248. Art.105614. https://doi.org/10.1016/j.jseaes.2023.105614
- Baljinnyam I., Bayasgalan A., Borisov B.A., Cisternas A., Dem’yanovich M.G., Ganbataar L., Kochetkov V.M., Kurushin R.A., Molnar P., Philip H., Vashchilov Yu.Ya. Ruptures of major earthquakes and active deformation in Mongolia and its surrounding // Geol. Surv. Am. Mem. 1993. Vol. 181. 62 p.
- Battogtokh D., Bayasgalan A., Wang K., Ganzorig D., Bayaraa J. The 2021 Mw = 6.7 Khankh earthquake in the Khuvsgul rift, Mongolia // Mongolian Geoscientist. 2021. Vol. 26. No. 52. P. 46–61.
- Bronk Ramsey C. Bayesian analysis of radiocarbon dates // Radiocarbon. 2009. Vol. 51. No 1. P. 337–360.
- Chebotarev A., Arzhannikova A., Arzhannikov S. Long-term throw rates and landscape response to tectonic activity of the Tunka Fault (Baikal Rift) based on morphometry // Tectonophysics. 2021. Vol. 810. Art. 228864.
- Choi J.-H., Klinger Ya., Ferry M., Ritz J.-F., Kurtz R., Rizza M., Bollinger L., Davaasambuu B., Tsend-Ayush N., Demberel S. Geologic inheritance and earthquake rupture processes: The 1905 M ≥ 8 Tsetserleg-Bulnay strike-slip earthquake sequence, Mongolia // J. Geophys. Res.: Solid Earth. 2018. Vol. 123. No 2. P. 1925–1953.
- Database of Active Faults of Eurasia. ‒ Moscow: GIN RAS, 2020. http://neotec.ginras.ru/ database.html (Accessed November 10, 2023).
- Delouis B., Déverchère J., Melnikova V., Radziminovitch N., Loncke L., Larroque C., Ritz J.F., Sankov V. A reappraisal of the 1950 (Mw = 6.9) Mondy earthquake, Siberia, and its relationship to the strain pattern at the south-western end of the Baikal rift zone // Terra Nova. 2002. Vol. 14. P. 491–500.
- Freund R. Kinematics of transform and transcurrent faults // Tectonophysics. 1974. Vol. 21. P. 93–134.
- Hovsgol Drilling Project Members (A.A. Abzaeva, E.V. Bezrukova, V.A. Bychinsky, S.A. Fedenya, K. Fukishi, V.F. Geletyc, A.V. Goreglyad, E.V. Ivanov, G.V. Kalmychkov, K. Kashiwaya, T. Kawai, E.V. Kerber, M.Yu. Khomutova, G.K. Khursevich, J.-Y. Kim, M.A. Krainov, N.V. Kulagina, M.I. Kuzmin, P.P. Letunova, K. Minoura, W.-H. Nahm, Ts. Narantsetseg, Ts. Oyunchimeg, A.A. Prokopenko, H. Sakai, E.P. Solotchina, Y. Tani, L.L. Tkachenko, D. Tomurhuu, T. Watanabe). Sedimentary record from Lake Hovsgol, NW Mongolia: Results from the HDP-04 and HDP-06 drill cores // Quaternary International. 2009. Vol. 205. No. 1-2. P. 21–37. https://doi.org/10.1016/j.quaint.2009.02.008
- Li C., van der Hilst R.D., Engdahl E.R., Burdick S. A new global model for P-wave speed variations in the Earth’s mantle // Geochem. Geophys. Geosyst. G3. 2008. Vol. 9. No 5. P. 1–21.
- Liu X., Xu W., Radziminovich N.A., Fang N., Xie L. Transtensional coseismic fault slip of the 2021 Mw 6.7 Turt Earthquake and heterogeneous tectonic stress surrounding the Hovsgol Basin, Northwest Mongolia // Tectonophysics. 2022. Vol. 836. Art. 229407.
- Orkhonselenge A., Krivonogov S. K., Mino K., Kashiwaya K., Safonova I.Y., Yamamoto M., Kashima K., Nakamura T., Kim J.Y. Holocene sedimentary records from Lake Borsog, eastern shore of Lake Khuvsgul, Mongolia, and their paleoenvironmental implications // Quaternary International. 2013. Vol. 290-291. P. 95–109. https://doi.org/10.1016/j.quaint.2012.03.041
- Rasskazov S.V., Luhr J.F., Bowring S.A., Ivanov A.V., Brandt I.S., Brandt S.B., Demonterova E.I., Boven A.A., Kunk M., Housh T., Dungan M.A. Late Cenozoic volcanism in the Baikal rift system: evidence for formation of the Baikal and Khubsugul basins due to thermal impacts on the lithosphere and collision-derived tectonic // Berliner Palaobiologische Abhandlungen. 2003. Vol. 4. P. 33–48.
- Radziminovich N., Bayaraa G., Miroshnichenko A., Demberel S., Ulziibat M., Ganzorig D., Lukhnev A. Focal mechanisms of earthquakes and stress field of the crust in Mongolia and its surroundings // Geodynam. Tectonophys. 2016. Vol. 7. No. 1. P. 23–38. https://doi.org/10.5800/GT-2016-7-1-0195
- Reimer P.J., Bard E., Bayliss A., Beck J.W., Blackwell P.G., Bronk Ramsey C., Grootes P.M., Guilderson T.P., Haflidason H., Hajdas I., HattŽ, C., Heaton T.J., Hoffmann D.L., Hogg A.G., Hughen K.A., Kaiser K.F., Kromer B., Manning S.W., Niu M., Reimer R.W., Richards D.A., Scott E.M., Southon J.R., Staff R.A., Turney C.S.M., van der Plicht J. IntCal13 and Marine13 Radiocarbon Age Calibration Curves 0‒50 000 Years cal BP // Radiocarbon. 2013. Vol. 55. No. 4. P. 1869–1887.
- Reimer P.J., Austin W.E.N., Bard E., Bayliss A., Beck J.W., Blackwell P.G., Bronk, Ramsey C., Butzin M., Cheng H., Edward R.L., Friedrich M., Grootes P.M., Guilderson T.P., Hajdas I., Heaton T.J., Hogg A.G., Hughen K.A., Kromer B., Manning S.W., Muscheler R., Palmer J.G., Pearson C., Reimer R.W., Richards D.A., Scott E.M., Southon J.R., Turney C.S., van der Plicht J., Wacker L., Adolphi F., Büntgen U., Capano M., Fahrni S.M., Fogtmann- Schmidt V.M., Schulz A., Friedrich R., Köhler P., Kudsk S., Miyake F., Olsen J., Reinig F., Sakamoto M., Sookdeo A., Talamo S. The IntCal20 Northern Hemisphere Radiocarbon Age Calibration Curve (0–55 cal kBP) // Radiocarbon. 2020. Vol. 62. No. 4. P. 725–757.
- Ritz J.-F., Arzhannikova A., Vassallo R., Arzhannikov S., Larroque C., Michelot J.-L., Massault M. Characterizing the present-day activity of the Tunka and Sayan faults within their relay zone (western Baikal rift system, Russia) // Tectonics. 2018. Vol. 37. P. 1376–1392.
- Rizza M., Ritz J-F., Prentice C., Vassallo R., Braucher R., Larroque C., Arzhannikova A., Arzhannikov S., Mahan S., Massault M., Michelot J.-L., Todbileg M. Earthquake geology of the Bolnay fault (Mongolia) // Seismol. Soc. Am. Bull. 2015. Vol. 105. No. 1. P. 72–93.
- Schlupp A., Cisternas A. Source history of the 1905 great Mongolian earthquakes (Tsetserleg, Bolnay) // Geophys. J. Int. 2007. Vol. 169. No. 3. P. 1115–1131.
- Shchetnikov A.A., White D., Filinov I.A., Rutter N. Late Quaternary geology of the Tunka rift basin (Lake Baikal region), Russia // J. Asian Earth Sci. 2012. Vol. 46. P. 195–208.
- Trifonov V.G., Korzhenkov A.M., Omar Kh.M. Recent geodynamics of major strike-slip zones // Geodes. Geodynam. 2015. Vol. 6. No. 5. P. 361–383.
- Wallace R.E. Note on stream channels offset by the San Andreas fault, southern Coast Ranges, California. ‒ Proc. Conf. “Geological Problems of San Andreas Fault System”, ‒ (Stanford Univ. Publ. Geol. Sci., Stanford, USA. 1968. Vol. 11), P. 6–20.
- Catalog of earthquakes of the United Geophysical Center of RAS, http://www.ceme.gsras.ru (Accessed November 10, 2023).
Supplementary files

















