Intelligent Robust Control of Autonomous Robot: Quantum Self-Organization of Imperfect Knowledge Bases—Experiment
- Authors: Reshetnikov A.G.1,2, Ulyanov V.S.3, Ulyanov S.V.2
-
Affiliations:
- Dubna State University, Institute of System Analysis and Management, 141980, Dubna, Russia
- Joint Institute for Nuclear Research, Meshcheryakov Laboratory of Information Technologies, 141980, Dubna, Russia
- Moscow State University of Geodesy and Cartography (MIIGAiK), 105064, Moscow, Russia
- Issue: No 5 (2023)
- Pages: 127-146
- Section: ARTIFICIAL INTELLIGENCE
- URL: https://journals.rcsi.science/0002-3388/article/view/140347
- DOI: https://doi.org/10.31857/S000233882305013X
- EDN: https://elibrary.ru/OCLHQB
- ID: 140347
Cite item
Abstract
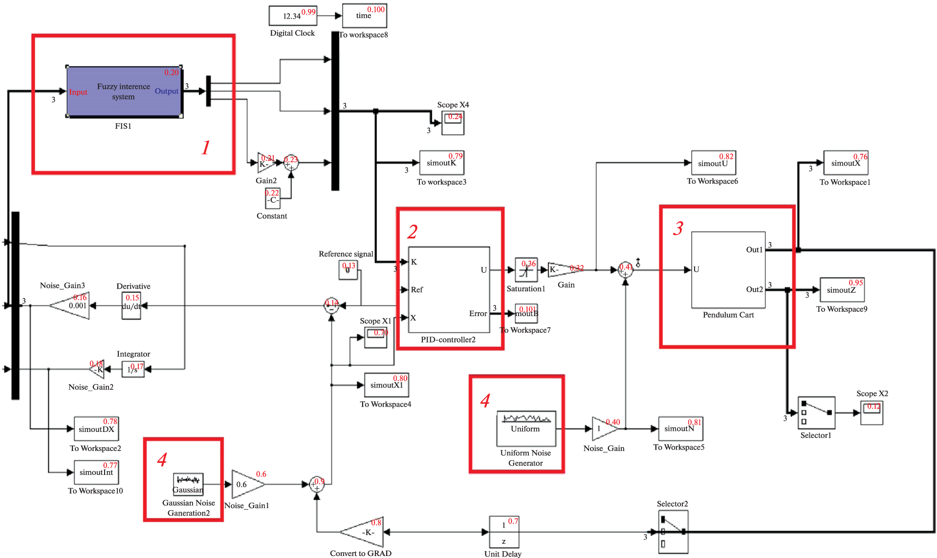
The article discusses the information technology of a robust intelligent control system design based on quantum fuzzy inference. The application of the developed design methodology is based on the quantum self-organization of fuzzy controller’s imperfect knowledge bases and leads to an increase in the robustness of intelligent control systems in unpredicted situations. The results of mathematical modeling and physical experiment are compared using the example of an autonomous robot in the form of a “cart – pole” system. Experimental confirmation of the synergetic effect existence in the robust self-organized fuzzy controller formation from a finite number of non-robust fuzzy controllers in on-line has been demonstrated. The resulting effect is based on the existence of hidden quantum information extracted from the classical states of the controller’s time-varying gain coefficients processes schedule. The derived law of quantum information thermodynamics establishes the possibility to forming a thermodynamic control force due to the extracted amount of hidden quantum information and performing additional useful work, that guarantees the achievement of the control goal based on increasing the robustness of a self-organized quantum controller. At the same time, the amount of useful work performed by the control object (at the macro level) exceeds the amount of work spent (at the micro level) by a quantum self-organized controller to extract the quantum information hidden in the responses of imperfect knowledge bases without violating the second thermodynamics information law for open quantum systems with information exchange of entangled super correlated states. A concrete example of an autonomous robot is given, demonstrating the existence of a quantum self-organization synergetic effect to imperfect knowledge bases.
About the authors
A. G. Reshetnikov
Dubna State University, Institute of System Analysis and Management, 141980, Dubna, Russia; Joint Institute for Nuclear Research, Meshcheryakov Laboratory of Information Technologies, 141980, Dubna, Russia
Email: agreshetnikov@gmail.com
Россия, г. Дубна; Россия, г. Дубна
V. S. Ulyanov
Moscow State University of Geodesy and Cartography (MIIGAiK), 105064, Moscow, Russia
Email: ulyanovik@mail.ru
Россия, Москва
S. V. Ulyanov
Joint Institute for Nuclear Research, Meshcheryakov Laboratory of Information Technologies, 141980, Dubna, Russia
Author for correspondence.
Email: ulyanovsv46_46@mail.ru
Россия, г. Дубна
References
- Ulyanov S.V. System for Intelligent Control Based on Soft Computing // US patent No 6,415,272 B1, 2003.
- Ulyanov S.V. Soft Computing Optimizer of Intelligent Control System Structures // US Patent No 7,219,087 B2, 2007.
- Ulyanov S.V. System and Method for Control Using Quantum Soft Computing // US Patent No 6,578,018 B1, 2003.
- Ulyanov S.V. Self-organizing Quantum Robust Control Methods and Systems for Situations with Uncertainty and Risk // US Patent No 8788450 B2, 2014.
- Reshetnikov A.G., Ulyanov S.V., Zrelov P.V., Zrelova D.P. INTELLIGENT COGNITIVE ROBOTICS V. III. Quantum Computational Toolkit of Quantum Self-organized Intelligent Control System Simulator: Quantum deep Learning on Quantum-inspired Neural Network and Quantum Genetic Algorithms. M.: Kurs, 2023.
- Ulyanov S.V., Litvintseva L.V., Hagiwara T. Design of Self-organized Intelligent Control System Based on Quantum Fuzzy Inference: Intelligent System of Systems Engineering Approach // Proc. IEEE Intern. Conf. on System, Man and Cybernetics (SMC’2005). Hawaii. USA, 2005. V. 4. P. 3835–3840.
- Litvintseva L.V., Ulyanov I.S., Ulyanov S.V., Ulyanov S.S. Quantum Fuzzy Inference for Knowledge Base Design in Robust Intelligent Controllers // J. Computer and Systems Sciences Intern. 2007. V. 46. № 6. P. 908–961.
- Litvintseva L.V., Ulyanov S.V. Intelligent Control System. I. Quantum Computing and Self-organization Algorithm // J. Comp. and Sys. Sciences Intern. 2009. V. 48. № 6. P. 946–984.
- Ulyanov S.V. Quantum Self-organization of Imperfect Knowledge Bases: Quantum Intelligent Force Control and Information-thermodynamic Law of Extracted Informed Useful Work. Intelligent Cognitive Robotics. V. 2. M.: Kurs, 2022.
- Бутенко А.В., Зрелов П.В., Кореньков В.В., Костромин С.А., Никифоров Д.Н., Решетников А.Г., Семашко С.В., Трубников Г.В., Ульянов С.В. Интеллектуальная система дистанционного управления давлением и расходом жидкого азота в криогенной системе сверхпроводящих магнитов: программно-аппаратная платформа // Письма в ЭЧАЯ. 2023. Т. 20. № 2. С. 247.
- Korenkov V.V., Reshetnikov A.G., Ulyanov S.V., Zrelov P.V., Zrelova D.P. Self-Organized Intelligent Quantum Controller: Quantum Deep Learning and Quantum Genetic Algorithm – QSCOptKBTM Toolkit // Proc. 6th Intern. Workshop on Deep Learning in Computational Physics (DLCP2022). Dubna, 2022.
- Ульянов С.В., Решетников Г.П. Технологии интеллектуальных вычислений: Мягкие и дробные вычисления в интеллектуальном управлении: Учебно-метод. пособие. Дубна: ОИЯИ, 2013. 244 с.
- Ульянов С.В., Решетников А.Г., Решетников Г.П. Технологии интеллектуальных вычислений: Квантовые вычисления и программирование в самоорганизующихся интеллектуальных системах управления. Дубна: ОИЯИ, 2015. 246 с.
- Ulyanov S.V., Reshetnikov A.G., Zrelova D.P. Industrial Robotic Intelligent Robust Control System: Applying Quantum Soft Computing Technologies and Quantum Software Engineering in Unpredicted Control Situations // Программные продукты и системы. 2023. V. 36. № 1. P. 197–206. https://doi.org/10.15827/0236-235X.141.197-206
- Litvintseva L.V., Karatkevich S.G., Ulyanov S.V. Intelligent Control System. II. Design of Self-organized Robust Knowledge Bases in Contingency Control Situations // J. Computer and Systems Sciences Intern. 2011. V. 50. № 2. P. 250–292.
- Ulyanov S.V., Ulyanov V.S., Reshetnikov A.G. Physical Rigidity and Mathematical Correctness of the Intelligent Robot Model: Adequacy to a Physical Object and Accuracy of Motion Dynamic System Equations – Method of Deep Machine Learning Based on Lagrangian Neural Networks // System Analysis in Science and Education. 2021. № 1. P. 1–41 (In Russ). Available from: http://sanse.ru/download/458.
- Litvintseva L.V., Ulyanov S.V., Ulyanov S.S. Design of Robust Knowledge Bases of Fuzzy Controllers for Intelligent Control of Substantially Nonlinear Dynamic Systems: II. A Soft Computing Optimizer and Robustness of Intelligent Control Systems // J. Computer and Systems Sciences Intern. 2006. V. 45. № 5. P. 744–771.
- Dong D., Chen Ch., Chen Z., Zhang Ch. Quantum Mechanics Helps in Learning for More Intelligent Robots // Chin. Phys. Lett. 2006. V. 23. № 7. P. 1691–1694.
- Lukac M., Perkowski M. Inductive Learning of Quantum Behaviors // Facta Universitatis. 2007. V. 20. № 3. P. 561–586.
- Kagan E., Ben G.I. Navigation of Quantum-controlled Mobile Robots // Recent Advances in Mobile Robotics. 2011. V. 15. P. 311–220.
- Bannikov A., Egerton S., Callaghan V., Johnson B.D. Quantum Computing: Non-deterministic Controllers for Artificial Intelligent Agents // Proc. 5th Intern. Wokshop Artif. Intell. Techniques for Ambient Intelligence (AITAm’10). Kuala Lumpur. Malasia, 2010.
- Chatzis S.P., Korkinof D., Demiris Y. A Quantum-statistical Approach Toward Robot Learning by Demonstration. // IEEE Transactions on Robotics. 2012. V. 28. № 6. P. 1371–1381.
- Mannone M., Seidita V., Chella A. Categories, Quantum Computing, and Swarm Robotics: A Case Study // Mathematics. 2022. V. 10. P. 372. https://doi.org/10.3390/ math10030372
- Li Y., Hghvami A., Dong D. Intelligent Trajectory Planning in UAV-mounted Wireless Networks: A Quantum-Inspired Reinforcement Learning Perspective // arXiv:2007.13418v2 [eess.SP] 2 Mar 2021.
- Kumar A., Pacheco D., Kaushik K., Rodrigues J. Futuristic View of the Internet of Quantum Drones: Review, Challenges and Research Agenda // Vehicular Communications. 2022. V. 36. P. 100487. https://doi.org/10.1016/j.vehcom.2022.100487
- Li J.-A., Dong D., Wei Z., Liu Y. Quantum Reinforcement Learning During Human Decision Making // Nature Human Behaviour. 2020. V. 4. P. 294–307. URL: www.nature.com/nathumbehav.
- Lamata L., Qaudrelli M., W. de Silva C., Kumar P. Quantum Mechatronics // Electronics. 2021. V. 10. P. 2483. https://doi.org/10.3390 /electronics10202483
- Qiao L.-F., Gao J., Jiao Z., Zhang Z. Quantum Go Machine // arXiv:2007.12186v1 [quant-ph] 23 Jul 2020.
- Widdows D., Rani J., Pothos E. Quantum Circuit Components for Cognitive Decision Making // arXiv:2302.03012v1 [quant-ph] 6 Feb 2023.
- Domino K., Koniorczyk M., Krawiec K., Jalowiecki K. Quantum Annealing in the NISQ Era: Railway Conflict Management // Entropy. 2023. V. 25. P. 191. https://doi.org/10.3390/ e25020191
- Huang, Z., Li Q., Zhao J., Song M. Variational Quantum Algorithm Applied to Collision Avoidance of Unmanned Aerial Vehicles // Entropy. 2022. V. 24. P. 1685; https://doi.org/10.3390/e24111685
- Atchade P., Alonso-Linaje G., Albo-Canals J., Casado-Fauli D. qRobot: A Quantum Computing Approach in Mobile Robot Order Picking and Batching Problem Solver Optimization // Algorithms. 2021. V. 14. P. 194. https://doi.org/10.3390/a14070194
- Vella F., Chella A., Gaglio S., Pilato G. A Quantum Planner for Robot Motion // Mathematics. 2022. V. 10. P. 2475.https://doi.org/10.3390/math10142475
- Korenkov V.V., Reshetnikov A.G., Ulyanov S.V., Zrelov P.V., Zrelova D.P. Self-Organized Intelligent Quantum Controller: Quantum Deep Learning and Quantum Genetic Algorithm – QSCOptKBTM Toolkit // Proc. 6th Intern. Workshop on Deep Learning in Computational Physics (DLCP2022). Dubna. JINR, 2022.
- Кореньков В.В., Решетников А.Г., Ульянов С.В., Зрелов П.В., Зрелова Д.П. Интеллектуальное роботизированное управление в экстремальных ситуациях на основе квантовых самоорганизующихся контроллеров // Сб. тез. 33-й междунар. научно-техн. конф. “Экстремальная робототехника”. С.-П., 2021. С. 224–225.
Supplementary files




























