Improved method for calculating fuel burnout in pulverized coal furnaces
- Authors: Boyko E.A.1, Pachkovsky S.V.1, Lebedev K.V.1
-
Affiliations:
- Siberian Federal University
- Issue: No 4 (2024)
- Pages: 64-87
- Section: Articles
- URL: https://journals.rcsi.science/0002-3310/article/view/273851
- DOI: https://doi.org/10.31857/S0002331024040059
- ID: 273851
Cite item
Full Text
Abstract
An improved method of engineering calculation of the degree of burnout of pulverized solid organic fuel in the flare furnaces of steam boilers is proposed, taking into account the kinetics of the processes of moisture evaporation, the release of volatile substances with a separate assessment of individual gaseous components and tar release and their combustion, secondary cracking of tars, combustion and gasification of coke residue, conversion of mineral part of the fuel, which allows for assessment and control of the implementation of material balances of individual stages, stages and, in general, the entire gross process of coal combustion, and ultimately an adequate determination of the magnitude of heat losses with mechanical and chemical incompleteness of combustion. Methodological provisions have been developed to take into account the kinetic and diffusion processes of the thermochemical transformation of coal to establish a quantitative relationship between the temperature-time characteristics of the combustion of pulverized coal particles and the local parameters of the combustion process. The technique is implemented in the form of specialized algorithmic and software and makes it possible to assess the degree of fuel burnout, both for the active combustion zone and for zones located in the cooling chamber of the combustion space during design and operational adjustment work.
Full Text
ВВЕДЕНИЕ
Совершенствованию технологии производства и потребления энергии, вырабатываемой при использовании твердых органических топлив, уделяется значительное внимание в энергетической отрасли. Создание новых и повышение эффективности существующих технологических способов сжигания углей на тепловых электростанциях основано на всесторонней оценке их состава и свойств. Расчет теплообмена и распределение температур в топочных камерах основан на использовании теплотехнических характеристик сжигаемого топлива и эмпирических закономерностей, положенных в основу нормативного метода [1].
В настоящее время для расчета топочных камер паровых котлов применяется позонная методика, сочетающая расчет теплообмена и выгорания пылеугольного факела [2–4]. Анализ результатов многочисленных расчетных исследований с использованием позонной методики позволил установить, что ранние стадии горения натурального топлива характеризуются одновременным выгоранием летучих веществ и кокса. Количество выгоревшего кокса за время параллельного горения летучих и кокса составляет для частиц размером 100 мкм около 65–75%. Оставшийся кокс горит очень медленно, вследствие чего время сгорания летучих во много раз меньше полного времени выгорания топлива. При этом расчет степени выгорания выполнялся только для зон активного горения, без учета продолжительности процессов испарения влаги и выхода летучих веществ, так как методика разрабатывалась для определения выгорания пылеугольного факела в топках паровых котлов при сжигании низкореакцонных каменных углей.
Совершенствование используемого в настоящее время метода расчета топочных камер ведется в направлении уточнения методики расчета выгорания топлива [2–4] с раздельной оценкой длительности испарения влаги, выделения и горения летучих веществ и выгорания коксового остатка. В соответствии с трактовкой начальной стадии горения пылеугольного факела, предложенной в работе [5], а также рядом зарубежных исследователей [6], влияние летучих веществ на суммарный процесс выгорания угольной пыли сводится не только к повышению температурного уровня в зоне активного горения, но и сказывается на длительности протекания стадий воспламенения и выгорания коксового остатка. В работе [7] предложена методика расчета выгорания пылеугольного факела в топочной камере паровых котлов, разбитой на две зоны – зона активного горения и зона догорания. Нульмерное рассмотрение процесса [8] предполагает введение в расчет некоторых средних или эффективных параметров. В зарубежных работах [9] предложена методика расчета параметров пылеугольного факела, основанная на экспериментальной оценке эффективных значений кинетических параметров горения угля в трубчатой печи с последующим расчетом степени выгорания по математической модели в условиях топочной камеры котельного агрегата, разработанной специалистами крупнейшей котлостроительной компанией США Combustion Engineering, Inc. Однако использование эффективных кинетических характеристик не позволяет обеспечить учет индивидуальных особенностей сжигаемого топлива и условий организации топочного процесса.
Следует отметить, что все существующие методы расчета выгорания топлива в относительной степени могут быть использованы только при решении узкого класса технологических задач и малопригодны при решении задач проектирования новых конструкций топочных камер, перевода действующих котлов на сжигание непроектного топлива и тем более при реконструкции и наладке топочно-горелочных устройств, например, при внедрении метода ступенчатого сжигания с целью уменьшения выбросов оксидов азота. Во многом это объясняется отсутствием учета в имеющихся методах расчета степени выгорания так называемой реакционной способности углей с оценкой кинетики различных стадий их термохимического превращения и индивидуальных для каждой стадии температурно-временных условий протекания процесса в топках паровых котлов.
ФИЗИКО-ХИМИЧЕСКАЯ И КИНЕТИЧЕСКАЯ МОДЕЛЬ ВЫГОРАНИЯ ПЫЛЕВИДНОГО ТОПЛИВА
Объективная расчетная оценка скорости выгорания угля в условиях топочной камеры в настоящее время возможна на основе учета кинетических характеристик отдельных стадий температурной обработки пылевидного твердого топлива, в частности, процессов испарения влаги, термической деструкции, горения и газификации коксового (нелетучего) остатка. При этом необходимо учитывать, что, как правило, в реальных технологических установках протекание этих процессов носит параллельно-последовательный характер, что создает определенные методические трудности при их определении и использовании [10].
В большей степени такой постановке задачи отвечает следующая физико-химическая модель горения угольной частицы в пылевидном состоянии (рис. 1).
Рис. 1. Механизм термохимического превращения пылеугольной частицы применительно к широкому классу технологических процессов и устройств
Согласно такой формализации процесс сушки топлива характеризуется испарением влаги из объема угольной частицы при условии движения поверхности испарения, как фронта фазового перехода, внутрь частицы и сопровождающееся повышением температуры поверхности сухого слоя. С учетом того, что влага, содержащаяся в топливе, имеет с угольным веществом различные по прочности связи целесообразно рассматривать два самостоятельных фронта испарения гигроскопической и химически связанной влаги. Причем фронт испарения химически связанной влаги отстает от фронта испарения гигроскопической влаги. По мере повышения температуры поверхностного слоя происходит процесс термической деструкции (пиролиза) органической массы, сопровождающийся выделением летучих веществ. Современные модели пиролиза рассматривают органическую массу угля как ансамбль конденсированных ароматических, гидроароматических и гетероциклических структур (кластеров), содержащих в виде заместителей различные функциональные группы. При нагреве топлива наблюдается разрыв связей, прикрепляющих функциональные группы к кольцевым кластерам, с образованием летучих газовых компонентов (преимущественно СО, СО2, Н2О, Н2, СН4, HCN, алифатические углеводороды). Одновременно с выходом легких газовых компонентов идет расщепление мостиковой структуры угля с выделением крупных молекулярных фрагментов (смол – С8Н18ּ 2Н2О).
Выделившиеся горючие газообразные летучие компоненты при достижении достаточной концентрации стехиометрической смеси реагируют в газовой фазе с кислородом воздуха до получения конечных продуктов СО2 и Н2О. Смолы при недостатке окислителя могут повторно деструктировать, образуя вторичные продукты, в частности ацетилен, бензол, водород и сажу, которые, в свою очередь, также вступают в реакцию с кислородом воздуха, генерируя продукты полного (СО2 и Н2О) и неполного горения (например, СО) с последующим их догоранием.
В процессе выделения летучих веществ и их последующего воспламенения, происходит нагрев угольной частицы, инициализирующий процесс горения нелетучей (коксовой) основы. Реакция горения кокса протекает на поверхности угольной частицы, в результате которой из газового объема кислород воздуха адсорбируется на поверхности углерода. На ней атомы кислорода вступают в химическую реакцию, образуя сложные углерод-кислородные комплексы CxOy. Последние затем распадаются с получением продуктов полного (СО2) и неполного (СО) горения. Водяные пары (Н2О) и углекислый газ (СО2), образующиеся в результате протекания процессов сушки, выхода балластных летучих, горения горючих летучих и коксовой основы топлива, а также в результате догорания неполных продуктов сгорания могут реагировать с твердой фазой, образуя СО и Н2. Эти реакции протекают по радикально-цепному механизму при непосредственном участии гидроксидов как промежуточных соединений с появлением комплекса НСОН, а затем и валентных донорно-акцепторных связей с атомарным углеродом. Вследствие соударения атомов и молекул с вакантными местами и благодаря наличию валентных сил на активных местах поверхности образуются промежуточные комплексы. Последние стимулируют электронный перенос, обеспечивая хемосорбцию газообразных компонентов на поверхность коксовой основы. Получающийся в результате вторичных реакций водород может вступать в химические реакции: с углеродом до образования неполного продукта горения (СН4) и кислородом до – Н2О. Метан в газовой фазе окисляется до СО2 и Н2О. Продукты полного (Н2О) и неполного (СО) горения могут взаимодействовать между собой, образуя СО2 и Н2.
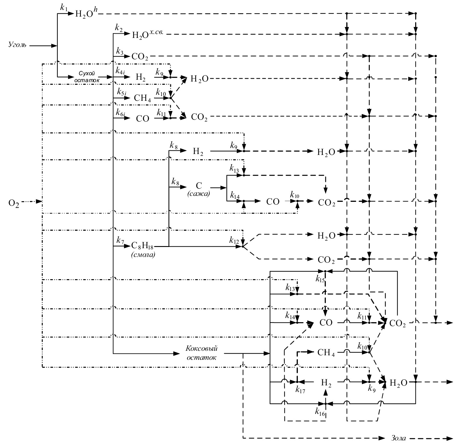
Соответствующая описанной физико-химической модели расчетная схема, обеспечивающая контроль выполнения материальных балансов отдельно взятых стадий горения угля, а также в целом всего брутто-процесса представлена на рис. 2 [11].
Рис. 2. Расчетная схема кинетических процессов термохимического превращения твердого органического топлива
Определение кинетических параметров различных процессов термохимической обработки угля учитываемых в представленных выше физико-химической модели и расчетной схеме в настоящее время может быть осуществлено только с помощью метода комплексного термического анализа топлива с последующей экстраполяцией результатов на условия реальных топочных процессов (темп нагрева 104 –106 град/с).
МЕТОДИКА ОПРЕДЕЛЕНИЯ КИНЕТИЧЕСКИХ ПАРАМЕТРОВ ИНДИВИДУАЛЬНЫХ ПРОЦЕССОВ ГОРЕНИЯ ТОПЛИВА
Комплексный термический анализ твердого топлива объединяет в рамках единой установки дериватографию и хроматографию, что позволяет наряду с суммарными характеристиками процесса нагрева навески угля (убыль массы, скорость убыли массы, изменение температуры, тепловые эффекты) получать также и динамику выделения газообразных продуктов (СО, СО2, Н2, СН4 и др.) в неизотермических условиях.
Методика оценки кинетики процессов выгорания пылевидного твердого топлива основана на обработке экспериментальных данных, полученных с помощью комплексного термического анализа, трех опытов [12]:
1) в инертной среде с газовым анализом состава выделяющихся летучих веществ по результатам которого определяются характеристики процесса испарения влаги, общий выход и состав летучих веществ. ДТГ-кривая после вычитания дифференциальной кривой суммарного выхода парогазовых компонентов преобразуется в кривую смоловыделения;
2) в окислительной среде – осуществляется выгорание нелетучего остатка, получаемого в предыдущем опыте;
3) в окислительной среде – термоокислительная деструкция исходного угольного вещества, характеризующаяся наложением процессов выделения и горения летучих веществ, а также окисления коксовой основы.
Учитывая одновременность протекания при термоокислительной деструкции двух процессов, суммарная скорость которых регистрируется в виде ДТГ-кривой, выделение процесса выхода летучих веществ (“синтетических” летучих) осуществляется путем вычитания из ДТГ-кривой процесса термоокислительной деструкции скорости окисления коксовой основы. Скорость реакции окисления нелетучего остатка определяется по результатам второго опыта и накладывается на ДТГ-кривую процесса термоокислительной деструкции, при соответствующей корректировке температурных интервалов.
Затем полученную в первом опыте суммарную кривую скорости газовыделения совмещают с выделенным при термоокислительной деструкции периодом выхода летучих веществ, пересчитывая ее при этом по отношению скоростей выделения летучих веществ в инертной и окислительной средах, принимая постоянным общее количество газового компонента. При вычитании из дифференциальной кривой процесса выделения летучих в окислительной среде соответствующей кривой газовыделения находят дифференциальную кривую смоловыделения в окислительной среде (“синтетические” смолы).
Использование вышеприведенной методики получения экспериментальных данных по результатам трех опытов комплексного термического анализа углей (термическое разложение, горение нелетучего остатка и термоокислительная деструкция) позволяет перейти к их обработке с целью определения кинетических параметров (Е и k0) многостадийных последовательно-параллельных процессов термохимического превращения топлива.
Полученные кинетические характеристики позволяют выполнить расчет констант скоростей процесса термохимического превращения топлива (k1−k17, см. рис. 2) с последующей оценкой степени выгорания топлива в условиях топочной камеры котельного агрегата [12].
МЕТОДИКА РАСЧЕТА ДЛИТЕЛЬНОСТИ СТАДИЙ ГОРЕНИЯ УГЛЯ В ПЫЛЕВИДНОМ СОСТОЯНИИ
Для практического применения результатов численного моделирования при определении степени выгорания угольного вещества, необходимо учитывать продолжительность одновременного протекания стадий воспламенения (τвк, с) и выгорания коксового остатка (τгк, с) [13]. Продолжительность воспламенения частицы τвк складывается из двух последовательных стадий: испарения влаги tс и смоловыделения в составе летучих веществ τвл, с:
, (1)
где – длительность параллельного протекания стадий испарения влаги, смоловыделения и выгорания коксового остатка, с.
Изменение δτ для нескольких расчетных вариантов приведено на рис. 3.
Рис. 3. Зависимость στ от времени воспламенения частицы бородинского угля за время пребывания частицы в зоне активного горения топки котельного агрегата БКЗ-320-140 при d0: ○ – 100 мкм; ∆ – 200 мкм; ◊ – 400 мкм; □ – 600 мкм; и: (а) ϑг: 1 – 1600°С; 2 – 1400°С; 3 – 1200°С при α = 1.2; Ар = 5%; (б) a: 1 – 1.3; 2 – 1.2; 3 – 1.1 при ϑг = 1400°С; Ар = 5 %; (в) Ар: 1 – 15%; 2 – 10%; 3 – 5% при ϑг = 1400°С; a = 1.2
Численное значение δτ, как видно из рисунка, зависит от размера частиц d0 (мкм), температуры газов ϑг (°С), значения коэффициента избытка воздуха a, зольности Ар (%) и времени воспламенения частицы τвк (с), которое, в свою очередь, определяется реакционными характеристиками рассматриваемых стадий горения угля. Значение δτ может возрастать вплоть до 0.2. Установлено, что наибольшее влияние на величину δτ оказывают диаметр и температура частицы. При увеличении диаметра со 100 до 600 мкм происходит увеличение δt в 5–7 раз. Скорость стадий горения и газификации пылеугольной частицы в топочной камере в большей степени зависит от температуры частицы ϑч, которая превышает температуру газов ϑг (рис. 4). Зависимость среднеинтегрального превышения температуры частицы над температурой газовой среды θ (°С) от размера частиц, температуры факела и зольности топлива показана на рис. 4.
Рис. 4. Изменение среднеинтегрального показателя превышения температуры частицы θ (°С) в зависимости от диаметра частиц: ϑг = 1200°C, a = 1. 1 – Ар = 0%; 2 – Ар = 4%; 3 – Ар = 6%; 4 – Ар = 10%; 5 – Ар = 26%; 6 – Ар = 30%
Аппроксимацией результатов вычислительного эксперимента (более 700 вариантов начальных условий) получены степенные зависимости многофакторной регрессии для определения расчетных параметров δt и θ:
, (2)
. (3)
На основе полученных температурно-временных зависимостей процесса термообработки топлива в пылевидном состоянии выполнено совершенствование методики проектирования топочных устройств энергетических котлов [3, 4]. Сущность предлагаемого подхода заключается в раздельной оценке и учете длительности стадий испарения влаги, смоловыделения (как основного этапа выхода летучих веществ) и горения коксового остатка. Количественная оценка степени выгорания топлива (bсг = 100 - q4, %, где q4 – величина механического недожога топлива, %) определяется в результате итеративного комплексного позонного расчета выгорания пылеугольного факела и теплообмена в топочной камере по следующему алгоритму:
– температура пылеугольной частицы (°С):
, (4)
где θ – среднеинтегральное превышение температуры частицы над температурой газовой среды, рассчитывается по уравнению (3), °С;
– длительность выгорания наиболее крупных коксовых частиц (с):
, (5)
где τвк – длительность воспламенения коксового остатка, с, см. уравнение (1).
При оценке длительности процесса воспламенения коксового остатка (τвк) продолжительность испарения влаги (τс) и смоловыделения (τсм), как основной стадии выхода летучих веществ, вычисляются по индивидуальным для каждой стадии кинетическим параметрам посредством решения системы трансцендентных уравнений, полученной на основе математического аппарата неизотермической кинетики [14]:
, (6)
, (7)
. (8)
Расчет скорости нагрева b пылеугольных частиц в условиях топочной камеры котельной агрегата осуществляется по уравнению (град/с):
. (9)
Расчет величины механического недожога на выходе из зон определяется по следующим зависимостям (%):
– в зоне активного горения:
, (10)
- в зонах, расположенных выше зоны активного горения (камере охлаждения), предложено использовать:
, (11)
где i – номер расчетной зоны по высоте топочной камеры.
Связь между временем горения коксовых частиц и распределением их по факелу (I1(xi)) осуществляется путем совместного решения системы нелинейных уравнений:
, (12)
, (13)
, (14)
где y = di/dmax; x = d1/dmax; d1, dmax – начальные размеры i-той и наиболее крупной частицы соответственно; μ, q – безразмерные параметры, определяемые по уравнениям (15) и (16); – константа скорости реакции горения коксового остатка.
, (15)
, (16)
где Кр, Wпл, Wр – принимаются по результатам опытно-промышленных испытаний; ρк, ψx, Р – принимаются по данным [11].
Расчет степени выгорания и величины механического недожога по расчетным зонам определяется по формуле:
. (17)
При определении степени выгорания пылеугольных частиц в позонном расчете топочных камер выполняется оценка изменения максимального размера пылеугольной частицы (м):
. (18)
Расчет потери тепла с химическим недожогом на выходе из зон предложено определять по следующим уравнениям (%):
– в зоне активного горения:
; (19)
– в зонах, расположенных выше зоны активного горения (камера охлаждения):
. (20)
По найденным значениям q3 определяются концентрации веществ, находящихся в дымовых газах для каждого сечения по высоте топочной камеры [15]:
Отношение объемов сухих продуктов сгорания и воздуха при a = 1:
: (21)
Отношение Z:
; (22)
Коэффициент разбавления дымовых газов:
; (23)
Содержание СО, отнесенного к объему сухих газов, %:
; (24)
Содержание Н2, отнесенного к объему сухих газов, %:
; (25)
Содержание RO2, отнесенных к объему сухих газов, %:
; (26)
Содержание О2, отнесенного к объему сухих газов:
; (27)
Содержание N2, отнесенного к объему сухих газов, %:
; (28)
Отношение объемов сухих и влажных газов при a = 1:
; (29)
Содержание , отнесенной к объему влажных газов, %:
. (30)
Для приведения к объему влажных газов концентрации CO, H2, RO2, O2, N2 домножаются на коэффициент ζ, определяемый по формуле:
. (31)
Следует отметить, что данная методика может быть использована и для других вариантов постановки задачи, например, при заданной величине механического недожога и температуре факела определить расчетным путем размеры топочной камеры. Возможно также решение задачи об оптимальном диаметре частицы для преобладающей монофракции или для наиболее крупной фракции угольной пыли при других известных величинах, или определение минимальной необходимой скорости истечения аэросмеси при заданной высоте зоны активного горения. Таким образом, предложенная методика применима как на стадии проектирования для уточнения размеров топочной камеры и ее отдельных зон, так и при эксплуатации котлов при определении оптимальных режимных условий в топочной камере с учетом реакционной способности сжигаемого топлива [16].
АЛГОРИТМ И ПРОГРАММНАЯ РЕАЛИЗАЦИЯ РАСЧЕТА ВЫГОРАНИЯ ПЫЛЕУГОЛЬНОГО ФАКЕЛА И ТЕПЛООБМЕНА В ТОПОЧНЫХ КАМЕРАХ ПАРОВЫХ КОТЛОВ
Усовершенствованная методика расчета выгорания пылеугольного факела реализована в виде программно-вычислительного комплекса [17], который позволяет выполнить расчет: тепловых потоков на поверхностях нагрева, значений температур продуктов сгорания, промежуточных и конечных концентраций реагирующих веществ в любой расчетной точке по высоте топочного пространства с одновременной возможностью диагностики причин изменения длительности и механизма протекания сложных, последовательно-параллельных физико-химических реакций горения и теплообмена. Методика также обеспечивает учет не только режимных параметров топочных устройств, таких как тонина помола, коэффициент избытка воздуха, паровая нагрузка, высота размещения факела и доля воздуха, подаваемого в виде вторичного и третичного дутья, но и индивидуальные особенности органической и минеральной части сжигаемого топлива, посредством использования данных о реакционной способности отдельных этапов термохимического превращения угля, что позволяет расширить возможности изучения топочных процессов, увеличение точности и скорости вычислений.
Программное обеспечение разработано в визуальной среде программирования Builder C++ и состоит из трех блоков: ввод исходных данных; комплексный расчет теплообмена и степени выгорания топлива в топке; визуальное представление результатов расчета. На рис. 5 представлена функционально-структурная схема вычислительного алгоритма программного комплекса. С помощью данного программного продукта реализован численный эксперимент по определению степени выгорания углей различных месторождений в условиях реальных топочных устройств. Расчет проводился для частиц размерами от dч = 100–600 мкм, температура факела варьировалась в диапазоне ϑф = 1200–1800°С, коэффициент избытка воздуха α = 1.1–1.4, зольность топлива Ар = 5–30%.
Рис. 5. Алгоритм позонного расчета степени выгорания пылеугольного факела в топках паровых котлов
На рис. 6 в качестве примера представлены результаты численного эксперимента по исследованию процесса горения частиц бородинского угля в топке котла БКЗ-320-140 с жидким шлакоудалением (ст. № 19) Красноярской ТЭЦ-1. Полученные результаты подтверждают существенную зависимость величины потерь с химическим q3 и механическим q4 недожогом от размера частицы, температуры факела, избытка воздуха и зольности топлива. Увеличение размера частицы со 100 до 600 мкм приводит к увеличению q4 в 10–15 раз, q3 – в 4–5 раза. Увеличение температуры факела с 1200 до 1800°С приводит к снижению q4 в 3–5 раз, q3 – в 1.5–2.0 раза. Оптимальное значение избытка воздуха в топке составило 1.22. Исследование влияния зольности топлива на степень его выгорания показало, что ее изменение с 5 до 15% приводит к увеличению q4 на 3–10%, q3 – на 2–8%. В зоне догорания влияние перечисленных факторов на степень выгорания частиц значительно снижается из-за пониженных температур продуктов сгорания и самой частицы: максимальное изменение q4 происходит в пределах 1.05–2.0 раза и q3 – в 1.01–1.5 раза.
Рис. 6. Изменение механической q4 химической q3 неполноты сгорания частицы от времени ее пребывания в топочной камере при dч (мкм): 1 – 100; 2 – 200; 3 – 400; 4 – 600; ϑф = 1400°С, a = 1.2 и Ар = 5%
Полученные результаты теоретических исследований были сопоставлены с результатами экспериментальных исследований процесса выгорания пылевидного угля в промышленных установках, в частности, на котле БКЗ-320-140 (ст. №19) Красноярской ТЭЦ-1.
Топочная камера парового котла полуоткрытого типа предназначена для сжигания бородинских углей с жидким шлакоудалением. Камера горения выполнена в виде двух сообщающихся восьмигранных предтопков, каждый из которых оборудован четырьмя угловыми прямоточными пылеугольными горелками. Котел оснащен четырьмя индивидуальными системами пылеприготовления с молотковыми мельницами и газовой сушкой топлива.
При проведении экспериментальных исследований определялись следующие параметры: расход и температура первичного и вторичного воздуха по тракту; температура в ядре факела по высоте топки и по газовому тракту котла; состав дымовых газов; содержание горючих в уносе и шлаке. Измерение температуры топочных газов осуществлялось при помощи визуального пирометра серии «Проминь-КХ1». Для зондирования топочной камеры использовался водоохлаждаемый трехточечный пылегазозаборный зонд типовой конструкции ВТИ длиной 4.3 м. Анализ топочных газов выполнялся непосредственно в точке отбора с использованием переносного газоанализатора «ДАГ-500» при прямом и обратном ходе зонда.
В результате опытно-промышленных испытаний котла (Дк/Дкном = 0.7–0.9; = 1.09–1.51; R90 =34–49%; Wпл =17.5–25.1%; Wр = 31.5–33.4%; Ар = 3.9–6.4%; = 15 800–16 665 кДж/кг) получены зависимости изменения температуры топочных газов, величины механического недожога, содержания Н2, СО, О2, СН4, NOx и RO2 – по высоте топки.
Установлено, что горение частиц бородинского угля среднеинтегрального размера 250 мкм в зоне активного горения происходит преимущественно в промежуточной области. При определении длительности выделения и выгорания газовых компонентов летучих веществ, выгорания коксового остатка бородинского угля совместно с теплотехническими и кинетическими характеристиками угля были использованы для объяснения причин возникновения на котле тепловых потерь с химическим и механическим недожогом. Выявлено, что причиной появления тепловых потерь с химическим недожогом является затяжное выделение водорода и оксида углерода в пристенных и угловых зонах топочной камеры, где устойчивое воспламенение и интенсивное горение газовых смесей затрудненно вследствие низкой концентрации горючих газов и кислорода (CH2 < 0.02%,CCO ≈ 0.01–0.06%, ≈ 3.0–10.0%). Минимальное значение тепловых потерь с химическим недожогом q3 ≈ 0.1% соответствует коэффициенту избытка воздуха = 1.21–1.27. Время пребывания газов в зоне активного горения сопоставимо с длительностью смоловыделения. С угрублением помола угольной пыли процесс деструкции топлива затягивается, увеличивается диффузионное сопротивление процессу подвода окислителя к коксовому остатку, снижается степень его выгорания и температура факела. Аналогично проявляет себя изменение зольности топлива.
На рис. 7–9 представлено сопоставление основных экспериментальных и расчетных характеристик выгорания пылеугольного факела в топочной камере парового котла БКЗ-320-140 (ст. №19) Красноярской ТЭЦ-1.
Рис. 7. Зависимость механической неполноты сгорания топлива от коэффициента избытка воздуха на выходе из зоны активного горения: сплошная линия – расчет; эксперимент: (а) ○ – ϑф = 1200°С; □ – ϑф = 1400°С; ∆ – ϑф = 1600°С при Ар = 5%; (б) ○ – Ар = 15%; □ – Ар = 10%; ∆ – Ар = 5 % при ϑф = 1400°С
Рис. 8. Зависимость величины механического недожога от тонкости помола и температурного уровня в зоне активного горения котла БКЗ-320-140: (а) – = 1510°С; (б) – = 1486°С; коэффициент полидисперсности, n: × – 0.9; – 1.0; ∆ – 1.1; ○ – 1.2; • – 1.3
Рис. 9. Зависимость степени выгорания и температуры газов на выходе из зоны активного горения котла БКЗ-320-140 от тонкости помола бородинского угля с учетом раздельной оценки длительности процессов горения топлива: × – βсг, %; о – , °С
Оптимальная тонкость помола бородинского угля при сжигании в топке котла БКЗ-320-140 составляет R90 = 40–45%. Внутритопочными исследованиями котельного агрегата при сжигании бородинского угля подтверждена возможность варьирования тонкости помола угольной пыли для обеспечения необходимых по условиям шлакования и жидкого шлакоудаления, степени выгорания и уровня температур газов на выходе из топки и в зоне активного горения.
На рис. 10 представлено сопоставление основных экспериментальных и расчетных характеристик выгорания пылеугольного факела в топочной камере парового котла БКЗ-320-140 (ст. №19) Красноярской ТЭЦ-1.
Рис. 10. Изменение: (а) степени выгорания топлива; (б) химической неполноты сгорания; (в) диаметра частицы бородинского угля от времени пребывания в топочной камере котла БКЗ-320-140 при α = 1.2, Ар = 5%, d0 = 250 мкм и ϑф: –– расчет; эксперимент: ○ – 1200°С; □ – 1400°С; ∆ – 1600°С
Как видно из графиков, расчетные и опытные значения параметров топочного процесса при сжигании бородинского угля в котле БКЗ-320-140 ЖШУ имеют хорошую сопоставимость: при = 1.2 и ϑф = 1600°С – расчетное значение потери тепла с механическим недожогом q4 = 6.4%, опытное – q4 = 6.2% (см. рис. 8). Практически совпадают значения потерь тепла с химическим недожогом: расчетное – q3 = 0.4%, опытное – q3 = 0.55% (рис. 11) за время пребывание угольной пыли в топочной камере котла τпр = 3 с при ϑф = 1600°С. Предельное отклонение расчетных и опытных значений не превышает 5–7%, что свидетельствует о высокой точности усовершенствованной инженерной методики позонного расчета степени выгорания пылеугольного факела в топочных камерах паровых котлов.
Рис. 11. Изменение концентрации оксида углерода и водорода за время пребывания частицы в топочной камере котла БКЗ-320-140. Расчет: СО – сплошная линия и Н2 – пунктирная линия; эксперимент: ○ – ϑф = 1200°С; □ – ϑф = 1400°С; ∆ – ϑф = 1600°С при Ар = 5%, α = 1.2
Расчет степени выгорания bсг бородинского угля (с раздельной оценкой длительности испарения влаги, выделения летучих веществ и горения коксового остатка) в топочной камере котла по усовершенствованной методике позволил также разработать ряд практических рекомендаций по повышению эксплуатационной надежности и тепловой эффективности работы топочных камер котлов БКЗ-320-140 Красноярской ТЭЦ-1: уточнены пределы изменения тонкости помола Rопт, обеспечивающие необходимый уровень температуры газов в зависимости от качества сжигаемого бородинского угля и его реакционной способности.
Так, при Аd = 5.8–9.4% Rопт = 37–42%. В этом же диапазоне Rопт наблюдалось снижение температуры газов на выходе из топки . При R90 > 42% достижима минимальная βсг = 0.95 при одновременном снижении ϑг до 1520°С. Таким образом, при R90 до 55 %, рекомендуемом при сжигании бурых углей, максимально достижимы величины βсг = 0.95 и ϑф = 1520°С, что явно ограничивает работу котла по условию нормального жидкого шлакоудаления при повышении зольности топлива сверх проектных значений (Аd = 9.0%). При R90 = 47.0–49.5% температура практически мало отличается от температур газов, измеренных на уровне горелок. При тонком помоле в зоне активного горения достигается более высокий уровень температур, однако средняя температура факела ϑф близка к . Следует отметить, что значения q4, рассчитанные по в зависимости от остатка на сите R90 и степени полидисперсности n, соответствуют значениям q4, определенным с раздельной оценкой длительности выделения летучих веществ и горения нелетучего (коксового) остатка.
Совместное использование расчетных методик позонного расчета теплообмена топочных камер и динамики выгорания пылевидного твердого топлива позволило выполнить аналитические исследования рабочих процессов топочных устройств большого класса котельных агрегатов (КВ-ТК-100-150-6, БКЗ-75-90, БКЗ-320-140, БКЗ-420-140, БКЗ-500-140, БКЗ-640-140, ПК-38, ТПП-804, П-57, П-67) при сжигании углей различных месторождений (бородинского, назаровского, березовского, кузнецкого, экибастузского) [18]. Примеры схем разбивки топочных камер котлов БКЗ-220-100, БКЗ-320-140, БКЗ-420-140, БКЗ-500-140 и П-67 на расчетные зоны по высоте представлены на рис. 12.
Рис. 12. Схемы разбивки топок на расчетные зоны: (а) – БКЗ-210-100; (б) – БКЗ-320-140; (в) – БКЗ-420-140; (г) – БКЗ-500-140; (д) – П-67
При определении необходимого объема расчетов топочной камеры для каждого из вышеперечисленных котлов и углей исходили из необходимости определения зависимости степени выгорания по зонам топки от следующих основных факторов: температуры в зоне, значения коэффициента избытка воздуха (концентрации кислорода), тонины помола и времени пребывания топлива в зоне. В качестве контрольного принято сечение на выходе из соответствующей зоны.
Реализованная в виде автоматизированного расчетного комплекса усовершенствованная методика оценки выгорания пылевидного топлива позволяет учесть не только режимные параметры топочных устройств, такие как тонина помола, коэффициент избытка воздуха, нагрузка, высота размещения факела и доля воздуха, подаваемого в виде вторичного и третичного дутья, но и индивидуальные особенности органической и минеральной части сжигаемого топлива, посредством использования данных о реакционной способности отдельных этапов термохимического превращения угля. Получено хорошее совпадение аналитических и экспериментальных данных (рис. 13, коэффициент корреляции составил 0.993–0.995).
Рис. 13. Сопоставление расчетных (сплошная линия, 1 – БКЗ-210-100; 2 – БКЗ-320-130; 3 – БКЗ-500-130; 4 – П-67) и экспериментальных значений (маркер) степени выгорания угля от величины 1/qv
Как следует из представленных зависимостей, наиболее интенсивно топливо выгорает на котле БКЗ-210-140, оборудованном одним ярусом горелок. На котле БКЗ-500-140 процесс выгорания протекает более медленно, так как на котле горелочные устройства расположены по высоте в три яруса и топливо вводится на каждом ярусе порционно. На котле П-67 в зоне активного горения темп выгорания наблюдается наименьший. Вероятно это связано с масштабным фактором и поздним воспламенением топлива. Подача свежих порций топлива на каждом ярусе приводит к снижению степени выгорания топлива βсг. Это еще раз свидетельствует о необходимости интенсификации процессов воспламенения топлива и перемешивания реагирующих сред в топке котла П-67.
ЗАКЛЮЧЕНИЕ
- Усовершенствована расчетная схема и математическая модель термохимического преобразования угольного вещества, учитывающие кинетику процессов испарения влаги, выхода летучих веществ с раздельной оценкой индивидуальных газообразных компонентов и смоловыделения и их горения, вторичного крекинга смол, газификации коксового остатка, превращения минеральной части топлива, что позволяет обеспечить оценку и контроль выполнения материальных балансов отдельно взятых этапов, стадий и в целом всего брутто-процесса горения бурого угля.
- Модифицирована диффузионно-кинетическая модель горения и тепломассообмена пылеугольных частиц в газовом потоке в части учета особенностей органической и минеральной части сжигаемого топлива, а также тепловых экзо- и эндоэффектов, что позволяет определить степень зависимости индивидуальных процессов выгорания углей от их теплофизических характеристик, концентрации реагирующих веществ, температуры газов и частицы, избытка воздуха, зольности и размеров пылеугольных частиц. Разработаны методические положения по учету кинетических и диффузионных процессов термохимического превращения бурых углей для установления количественной взаимосвязи между температурно-временными характеристиками выгорания пылеугольных частиц и локальными параметрами топочного процесса.
- Получены в аналитическом виде температурно-временные зависимости среднеинтегрального превышения температуры угольной частицы над температурой газов и длительности параллельно-последовательного протекания процессов испарения влаги, выхода летучих веществ и выгорания коксового остатка от зольности топлива и размера частиц, продолжительности стадии воспламенения коксового остатка, температуры факела и избытка воздуха, что позволило повысить точность определения степени выгорания угля в пылевидном состоянии в условиях реальных топочных процессов. Установлено, что время воспламенения коксового остатка, как стадии выгорания пылеугольных частиц, сопоставимо с суммарной длительностью протекания процессов сушки и смоловыделения. В качестве показателя температурной обработки пылеугольных частиц предложено использовать величину среднего превышения температуры частицы над температурой топочной среды. В отличие от класса мелких частиц, где это превышение меньше зависит от температуры среды, для крупных частиц (более 500 мкм) оно имеет наибольшие значения при низких температурах облучателя.
- Сопоставлением результатов расчета по усовершенствованной методике проектирования топочных устройств энергетических котлов в части раздельной оценки и взаимного учета длительности протекания процессов испарения влаги, смоловыделения и горения коксового остатка в зависимости от температурного режима пылеугольной частицы с данными экспериментальных исследований получено подтверждение высокой результативности расчетной оценки величин тепловых потерь с механической и химической неполнотой горения углей. Методика позволяет выполнять расчет степени выгорания топлива, как для зоны активного горения, так и для зон, расположенных в камере охлаждения топочного пространства.
- Разработано и внедрено в практику выполнения проектных работ и режимно-наладочных мероприятий специализированное алгоритмическое и программное обеспечение, реализующее усовершенствованную методику позонного расчета теплообмена и выгорания пылеугольного факела в топках паровых котлов, которая позволяет учесть не только режимные параметры топочных устройств, такие как тонина помола, коэффициент избытка воздуха, нагрузка, высота размещения факела и доля воздуха, подаваемого в виде вторичного и третичного дутья, но и индивидуальные особенности органической и минеральной части сжигаемого топлива, посредством использования данных о реакционной способности отдельных стадий термохимического превращения угля.
Обозначения
τ | – время полного выгорания твердого органического топлива, с |
τc | – длительность стадии испарения влаги (сушки), с |
τвл | – длительность стадии выхода летучих веществ, с |
τсм | – длительность смоловыделения, с |
τгл | – длительность стадии горения летучих веществ, с |
τгк | – длительность стадии выгорания и газификации коксовой основы, с |
τпр | – время пребывания угольных частиц в топочной камере с учетом их скорости витания, с |
τвк | – продолжительность воспламенения частицы, с |
∆τ | – абсолютный показатель длительности параллельного протекания стадий, с |
δτ | – относительный показатель длительности параллельного протекания стадий |
Н2Оh | – гигроскопическая влага, % |
Н2Ох.св. | – химически связанная влага, % |
Cр | – содержание углерода в топливе на рабочую массу, % |
Нр | – содержание водорода в топливе на рабочую массу, % |
Nр | – содержание азота в топливе на рабочую массу, % |
Vр | – выход летучих веществ топлива на рабочую массу, % |
Kр | – содержание коксового остатка на рабочую массу, % |
Ар | – зольность на рабочую массу, % |
Аd | – зольность на сухую массу, % |
Wр | – содержание влаги на рабочую массу исходного топлива, % |
Wпл | – содержание влаги угольной пыли, % |
– максимальное содержание трехатомных газов, % | |
Е | – энергия активации, кДж/моль |
k | – константа скорости реакции, (для реакции первого порядка – 1/с, для реакции второго порядка – 1/(М·с), для реакций третьего порядка 1/(М2·с)) |
k0 | – предэкспоненциальный множитель, 1/с |
kгк | – константа скорости реакции горения коксового остатка, м/с |
b | – скорость нагрева пылеугольных частиц в условиях топочной камеры котельного агрегата, град/с |
R | – универсальная газовая постоянная, Дж/(моль·К) |
R90 | – остаток на сите с размером на сите 90 мкм |
ϑг | – температура газов, °С |
ϑф | – температура пылеугольного факела, °С |
ϑч | – температура пылеугольной частицы, °С |
– средняя температура частицы, °С | |
– температура газов на выходе из зоны активного горения, °С | |
– температура газов на выходе из топки, °С | |
Tmax | – температура, соответствующая максимальной скорости реакции, °С |
Tн | – температура начала реакции, °С |
ωmax | – максимальная скорость реакции, м/с |
2∆Т | – ширина максимума дифференциальной кривой на половине его высоты (то есть на ωmax/2), К |
θ | – среднеинтегральное превышение температуры частицы над температурой газовой среды, °С |
d0 | – начальный размер частицы, мкм |
dч | – размер частицы, мкм |
dmax | – максимальный диаметр частицы, определяемый по рассевочной кривой |
n | – коэффициент полидисперсности, определенный по остаткам на двух характерных ситах |
m | – постоянная тонины помола в законе Розина–Раммлера, определенная по остаткам на двух характерных ситах |
ψξ | – коэффициент формы (с учетом вспучивания) коксовых частиц |
m, q | – безразмерные параметры |
λг | – коэффициент теплопроводности газов, Вт/(м×К) |
lт | – коэффициент теплопроводности топлива, определяемый по средней температуре частицы (К), Вт/(м×К) |
α | – коэффициент температуропроводности топлива, определяемый по средней температуре частицы (К), м2/с |
α | – коэффициента избытка воздуха в топочной камере |
– коэффициент избытка воздуха на выходе из пароперегревателя | |
bсг | – степень выгорания топлива, % |
q3 | – потеря тепла с химическим недожогом, % |
q4 | – потеря тепла с механическим недожогом, % |
Qк | – теплота сгорания коксового остатка, Дж/кг |
– низшая теплота сгорания топлива на рабочую массу, Дж/кг | |
I1 | – интегральная функция, учитывающая соотношение начальных и текущих размеров наиболее крупных частиц и зависящая от продолжительности горения коксового остатка |
I2 | – комплекс по которому рассчитывается время выгорания коксовых частиц заданного размера |
– теоретический объем воздуха для сжигания 1 кг кокса (углерода), равен 8.89 нм3/кг | |
– теоретический объем воздуха, м3/кг | |
V0 | – расход воздуха, м3/ч |
– отношение объемов сухих и влажных газов | |
ρк | – плотность коксового остатка, кг/м3 |
Р | – давление в зоне активного горения, Па |
Дк | – паропроизводительность котла, т/ч |
– номинальная паропроизводительность котла, т/ч | |
– расчетный расход топлива на котел, т/ч | |
– относительная высота расположения расчетных зон топки | |
з.а.г. | – зона активного горения |
з.д. | – зона догорания |
qv | – теплонапряжение топочного объема, МВт/м3 |
ζ | – коэффициент для приведения к объему влажных газов концентрации CO, H2, RO2, O2, N2 |
D | – коэффициент диффузии |
NuD | – диффузионный критерий Нуссельта |
About the authors
E. A. Boyko
Siberian Federal University
Author for correspondence.
Email: EBoiko@sfu-kras.ru
Russian Federation, Krasnoyarsk
S. V. Pachkovsky
Siberian Federal University
Email: p-sv@mail.ru
Russian Federation, Krasnoyarsk
K. V. Lebedev
Siberian Federal University
Email: konstantin.lebedev.2000@gmail.com
Russian Federation, Krasnoyarsk
References
- Тепловой расчет котельных агрегатов (нормативный метод). Изд. 3-е, перераб. и дополнен. СПб.: НПО ЦКТИ, 1998. С. 257.
- Померанцев В.В. Основы практической теории горения / В.В. Померанцев, К.М. Арефьев, Д.Б. Ахмедов и др. Л.: Энергоатомиздат, 1986. С. 312.
- Проектирование топок с жидким шлакоудалением (руководящие указания и дополнения к нормативному методу теплового расчета котельных агрегатов) / Под ред. Ю.Л. Маршака, В.В. Митора. М.: ВТИ, 1983. С 102.
- Проектирование топок с твердым шлакоудалением (руководящие указания и дополнения к нормативному методу теплового расчета котельных агрегатов) / Под ред. В.В. Митора, Ю.Л. Маршака. Л.: ЦКТИ, 1981. С. 118.
- Бабий В.И. Горение угольной пыли и расчет пылеугольного факела / В.И. Бабий, Ю.Ф. Куваев. М.: Энергоатомиздат, 1986. С. 209.
- Hanbaba P. Nichtisoterme Reactionskinetik der Kohlenpyrolyse / P. Hanbaba, H. Juntgen, W. Peters // Brenstoff-Chemie, 1968. № 49. P. 368–376.
- Шатиль А.А. Расчетная оценка устойчивости факельного горения твердых топлив в топке котлов // Теплоэнергетика, 1990. № 4. С. 2–6.
- Вулис Л.А. Тепловой режим горения. М.–Л.: Госэнергоиздат, 1954.
- Nsakala N., Patel R.L., Borio R.W. An Advanced Methodology for Prediction of carbon loss in Commercial Pulverized Coal-Fired Boilers. ASME / IEEE Joint Power Generation Conference // Combustion Engineering, Windsor, TIS-8211 Portland, Oregon, 1986. P. 867–882.
- Варнатц Ю., Маас У., Диблл Р. Горение. Физические и химические аспекты, моделирование, эксперименты, образование загрязняющих веществ. Пер. с англ. Под ред. П.А. Власова. М.: Физматлит, 2003. С. 352.
- Бойко Е.А., Пачковский С.В. Диффузионно-кинетическая модель горения и тепломассобмена пылеугольных частиц в газовом потоке // Химия твердого топлива, 2008. № 6. С. 3–13.
- Бойко Е.А. Реакционная способность энергетических углей // Красноярск: ИПЦ СФУ, 2011. C. 606.
- Виленский Т.В. Динамика горения пылевидного топлива: (исследования на электронных вычислительных машинах) / Т.В. Виленский, Д.М. Хзмалян. М.: Энергия, 1978. С. 248.
- Бойко Е.А., Страшников А.В. Теоретическое обобщение и развитие математического аппарата неизотермической кинетики // Известия РАН. Энергетика, 2021. № 2. С. 97–118.
- Шатиль А.А. Топочные процессы и устройства (исследования и расчет) / А.А. Шатиль. СПб.: АООТ «НПО ЦКТИ», 1997. С. 183.
- Бойко Е.А., Страшников А.В. Кинетика термохимического превращения твердого топлива при высокоскоростном нагреве // Известия РАН. Энергетика, 2021. № 4. С. 103–126.
- Бойко Е.А., Пачковский С.В., Шишмарев П.В., Ровенский Д.П., Янов С.Р. Программно-вычислительный комплекс для расчета выгорания и теплообмена в пылеугольных топках паровых котлов. Свидетельство о государственной регистрации программ для ЭВМ № 2008613017. 2008 г.
- Бойко Е.А., Пачковский С.В., Вольнев В.Н., Сургутский Д.В. Имитационный динамический тренажер для отработки процессов в топочных устройствах паровых котлов // Теплоэнергетика, 2022. № 4. С. 81–92.
Supplementary files















