Обзор математических моделей систем накопления энергии для моделирования электроэнергетических систем. Часть II
- Авторы: Разживин И.А.1, Суворов А.А.1, Андреев М.В.1, Уфа Р.А.1, Аскаров А.Б.1
-
Учреждения:
- Федеральное государственное автономное образовательное учреждение высшего образования “Национальный исследовательский Томский политехнический университет”
- Выпуск: № 3 (2023)
- Страницы: 34-56
- Раздел: Статьи
- URL: https://journals.rcsi.science/0002-3310/article/view/136955
- DOI: https://doi.org/10.31857/S000233102303007X
- EDN: https://elibrary.ru/TBBYWM
- ID: 136955
Цитировать
Полный текст
Аннотация
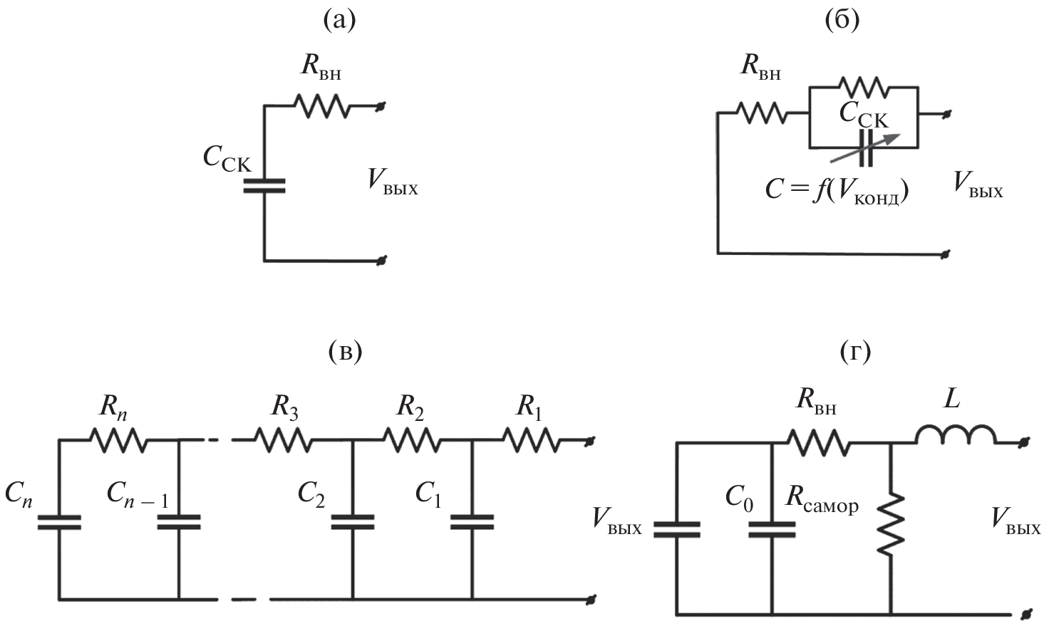
С развитием электроэнергетических систем (ЭЭС) с преобладанием возобновляемых источников энергии становится актуальным применение систем накопления энергии (СНЭ). При увеличении мощности применяемых СНЭ и доли их использования в ЭЭС они начинают оказывать существенное влияние на динамические свойства ЭЭС. Соответственно, решая задачи проектирования и эксплуатации ЭЭС с СНЭ, необходимым становится анализ и учет специфики их функционирования. Поскольку основной способ получения обозначенной информации математическое моделирование, то возникает вопрос адекватности подходов и способов воспроизведения процессов в СНЭ в составе ЭЭС. В первой части статьи были рассмотрены детальные математические модели основных элементов СНЭ. В рамках второй части статьи представлен анализ математических моделей разной степени детализации СНЭ в зависимости от типа накопителя энергии и ряда других факторов. Также в статье представлен обзор применяемых подходов к упрощению моделей СНЭ и их математическое описание. Рассматриваются области применения таких моделей. Кроме этого, представлен анализ ограничений и недостатков, связанных с упрощением моделей. Статья является обзорной и может помочь в выборе математической модели СНЭ для решения необходимых задач.
Об авторах
И. А. Разживин
Федеральное государственное автономное образовательное учреждение высшего образования“Национальный исследовательский Томский политехнический университет”
Автор, ответственный за переписку.
Email: lionrash@tpu.ru
Россия, Томск
А. А. Суворов
Федеральное государственное автономное образовательное учреждение высшего образования“Национальный исследовательский Томский политехнический университет”
Email: lionrash@tpu.ru
Россия, Томск
М. В. Андреев
Федеральное государственное автономное образовательное учреждение высшего образования“Национальный исследовательский Томский политехнический университет”
Email: lionrash@tpu.ru
Россия, Томск
Р. А. Уфа
Федеральное государственное автономное образовательное учреждение высшего образования“Национальный исследовательский Томский политехнический университет”
Email: lionrash@tpu.ru
Россия, Томск
А. Б. Аскаров
Федеральное государственное автономное образовательное учреждение высшего образования“Национальный исследовательский Томский политехнический университет”
Email: lionrash@tpu.ru
Россия, Томск
Список литературы
- Tamilselvi S., Gunasundari S., Karuppiah N. A Review on Battery Modelling Techniques. Sustainability, 2021. 13. № 18: 10042. https://doi.org/10.3390/su131810042
- Hidalgo-Reyes J.I., Gómez-Aguilar J.F., Escobar-Jiménez R.F. Classical and fractional-order modeling of equivalent electrical circuits for supercapacitors and batteries, energy management strategies for hybrid systems and methods for the state of charge estimation: A state of the art review. Microelectronics Journal, 2019. V. 85. P. 109–128. https://doi.org/10.1016/j.mejo.2019.02.006.6
- Molina M.G. Dynamic Modelling and Control Design of Advanced Energy Storage for Power System Applications, In Dynamic Modelling, edited by Alisson Brito. London: IntechOpen, 2010. https://doi.org/10.5772/7092
- Jankovic Z., Novakovic B., Bhavaraju V., Nasiri A. Average modeling of a three-phase inverter for integration in a microgrid, IEEE Energy Conversion Congress and Exposition (ECCE), 2014. P. 793–799. https://doi.org/10.1109/ECCE.2014.6953477
- Rodriguez J.P. Dynamic Averaged Models of VSC-Based HVDC Systems for Electromagnetic Transient Programs. PhD Thesis. University of Montreal; 2013.
- Farrokhabadi M., König S., Cañizares C.A., Bhattacharya K. Battery Energy Storage System Models for Microgrid Stability Analysis and Dynamic Simulation, in IEEE Transactions on Power Systems, V. 33. № 2. P. 2301–2312. March 2018. https://doi.org/10.1109/TPWRS.2017.2740163
- Mousavi G.S.M., Nikdel M. Various battery models for various simulation studies and applications, Renewable and Sustainable Energy Reviews, 2014. V. 32. P. 477–485. https://doi.org/10.1016/j.rser.2014.01.048
- Kim Y.-H., Ha H.-D. Design of interface circuits with electrical battery models, in IEEE Transactions on Industrial Electronics, 1997. V. 44. № 1. P. 81–86. https://doi.org/10.1109/41.557502
- Dürr M., Cruden A., Gair S. Dynamic model of a lead acid battery for use in a domestic fuel cell system. Journal of Power Sources, 2006. V. 161. Iss. 2. P. 1400–1411. https://doi.org/10.1016/j.jpowsour.2005.12.075
- Cun J.P., Fiorina J.N., Fraisse M., Mabboux H. The experience of a UPS company in advanced battery monitoring, Proceedings of Intelec’96 – International Telecommunications Energy Conference, 1996. P. 646–653. https://doi.org/10.1109/INTLEC.1996.573404
- Pang S., Farrell J., Du J., Barth M. Battery state-of-charge estimation, Proceedings of the 2001 American Control Conference. (Cat. No.01CH37148), 2001. V. 2. P. 1644–1649. https://doi.org/10.1109/ACC.2001.945964
- Chan H.L. A new battery model for use with battery energy storage systems and electric vehicles power systems, IEEE Power Engineering Society Winter Meeting. Conference Proceedings (Cat. No.00CH37077), 2000. V. 1. P. 470–475. https://doi.org/10.1109/PESW.2000.850009
- Daowd M., Omar N., Verbrugge B., Van den Bossche P., Van Mierlo J. Battery Models Parameter Estimation based on Matlab: Simulink.; 2013.
- Daowd M., Omar N., Verbrugge B. Battery models parameters estimation based on Matlab/ Simulink, the 25th world bat. hybrid and FC elec. Veh. Symp. & exh., 2010.
- Williamson S., Rimmalapudi S., Emadi A.C. Electrical modeling of renewable energy sources and energy storage devices. J Power Electron 2004. 4 (2).
- Zhan C.-J., Wu X.G., Kromlidis S. Two electrical models of the lead-acid battery used in a dynamic voltage restorer, IEE Proceedings – Generation, Transmission and Distribution, 2003. 150. (2). P. 175–182. https://doi.org/10.1049/ip-gtd:20030124
- Hegazy O., Barrero R., Mierlo J.V. An Advanced Power Electronics Interface for Electric Vehicles Applications, in IEEE Transactions on Power Electronics, 2013. V. 28. № 12. P. 5508–5521. https://doi.org/10.1109/TPEL.2013.2256469
- Naseri F., Karimi S., Farjah E., Schaltz E. Supercapacitor management system: A comprehensive review of modeling, estimation, balancing, and protection techniques, Renewable and Sustainable Energy Reviews, 2022. V. 155. https://doi.org/10.1016/j.rser.2021.111913
- Ban S., Zhang J., Zhang L. Charging and discharging electrochemical supercapacitors in the presence of both parallel leakage process and electrochemical decomposition of solvent, Electrochimica Acta, 2013. V. 90. P. 542–549. https://doi.org/10.1016/j.electacta.2012.12.056
- Naseri F., Farjah E., Ghanbari T. Online Parameter Estimation for Supercapacitor State-of-Energy and State-of-Health Determination in Vehicular Applications, in IEEE Transactions on Industrial Electronics, 2020. V. 67. № 9. P. 7963–7972. https://doi.org/10.1109/TIE.2019.2941151
- Cahela D.R., Tatarchuk B.J. Overview of electrochemical double layer capacitors, Proceedings of the IECON’97 23rd International Conference on Industrial Electronics, Control, and Instrumentation (Cat. No.97CH36066), 1997. V. 3. P. 1068–1073. https://doi.org/10.1109/IECON.1997.668430.
- Spyker R.L., Nelms R.M. Classical equivalent circuit parameters for a double-layer capacitor, in IEEE Transactions on Aerospace and Electronic Systems, 2000. V. 36. № 3. P. 829–836. https://doi.org/10.1109/7.869502
- Spyker R.L. Application of double-layer capacitors in power electronic systems. Ph.D. dissertation. Auburn University, 1997.
- Nelms R.M., Cahela D.R., Tatarchuk B.J. Modeling double-layer capacitor behavior using ladder circuits, in IEEE Transactions on Aerospace and Electronic Systems, 2003. V. 39. № 2. P. 430–438. https://doi.org/10.1109/TAES.2003.1207255
- Zubieta L., Bonert R. Characterization of double-layer capacitors for power electronics applications, in IEEE Transactions on Industry Applications, 2000. V. 36. № 1. P. 199–205. https://doi.org/10.1109/28.821816
- Funaki T., Hikihara T. Characterization and Modeling of the Voltage Dependency of Capacitance and Impedance Frequency Characteristics of Packed EDLCs, in IEEE Transactions on Power Electronics, 2008. V. 23. № 3. P. 1518–1525. https://doi.org/10.1109/TPEL.2008.921156
- Rafik F., Gualous H., Gallay R. Frequency, thermal and voltage supercapacitor characterization and modeling, Journal of Power Sources, 2007. V. 165. Iss. 2. P. 928–934. https://doi.org/10.1016/j.jpowsour.2006.12.021
- Zhang Y., Yang H. Modeling and characterization of supercapacitors for wireless sensor network applications, Journal of Power Sources, 2011. V. 196. Iss. 8. P. 4128–4135. https://doi.org/10.1016/j.jpowsour.2010.11.152
- Qu D., Shi H. Studies of activated carbons used in double-layer capacitors, Journal of Power Sources, 1998. V. 74. Iss. 1. P. 99–107. https://doi.org/10.1016/S0378-7753(98)00038-X
- Pean C., Rotenberg B., Simon P. Multi-scale modelling of supercapacitors: From molecular simulations to a transmission line model, Journal of Power Sources, 2016. V. 326. P. 680–685. https://doi.org/10.1016/j.jpowsour.2016.03.095
- Jiya I.N., Gurusinghe N., Gows R. Electrical Circuit Modelling of Double Layer Capacitors for Power Electronics and Energy Storage Applications: A Review. Electronics 2018. V. 7. № 11 P. 268. https://doi.org/10.3390/electronics7110268
- Saha P., Dey S., Khanra M. Modeling and State-of-Charge Estimation of Supercapacitor Considering Leakage Effect, in IEEE Transactions on Industrial Electronics, 2020. V. 67. № 1. P. 350–357. https://doi.org/10.1109/TIE.2019.2897506
- Alvarez V., Garcia A.F., Ramos-Paja C.A., Saavedra-Montes A.J., Arango E.I. Design of a low power system based on fuel cells. Revista EIA. 2012. V. 17. P. 85–103.
- Belhaj F.Z., El Fadil H., El Idrissi Z. New Equivalent Electrical Model of a Fuel Cell and Comparative Study of Several Existing Models with Experimental Data from the PEMFC Nexa 1200 W Micromachines 2021. V. 12. № 9. P. 1047. https://doi.org/10.3390/mi12091047
- Kundur P. Power System Stability and Control. McGraw-Hill Professional. 1994.
- Ise T., Murakami Y., Tsuji K. Simultaneous Active and Reactive Power Control of Superconducting Magnet Energy Storage Using GTO Converter. IEEE Trans. on PWRD 1986. V. 1. № 1. P. 143–150.
- Mosca C., Arrigo F., Mazza A. Mitigation of frequency stability issues in low inertia power systems using synchronous compensators and battery energy storage systems. IET Gener. Transm. Distrib., 2019. V. 13. P. 3951–3959. https://doi.org/10.1049/iet-gtd.2018.7008
- Akram U., Nadarajah M., Shah R., Milano F. A review on rapid responsive energy storage technologies for frequency regulation in modern power systems, Renewable and Sustainable Energy Reviews, 2020. V. 120. https://doi.org/10.1016/j.rser.2019.109626
- WECC battery storage dynamic modeling guideline, WECC Modeling and Validation Work Group. Salt Lake City. UT. USA. Rep., 2016. P. 1–38.
- WECC Battery Storage Guideline updates_ Bo 4-5-17 SLT 4-7-17 XX SC
- WECC Modeling and Validation Working Group, “WECC Type 4 Wind Turbine Generator Model – Phase II” January 23, 2013.
- WECC Modeling and Validation Working Group, “WECC Solar Plant Dynamic Modeling Guidelines” May 8, 2014.
- WECC Second Generation Wind Turbine Models, January 23, 2014.
- Pourbeik P., Sanchez-Gasca J.J., Senthil J., Weber J., Ellis A., Williams S., Seman S., Bolton K., Miller N., Nelson R.J., Nayebi K., Clark K., Tacke S. and Lu S. Value and Limitations of the Positive Sequence Generic Models of Renewable Energy Systems, WECC Modeling and Validation Working Group.
- Calero F., Cañizares C.A. and Bhattacharya K. Dynamic Modeling of Battery Energy Storage and Applications in Transmission Systems, in IEEE Transactions on Smart Grid, 2021. V. 12. № 1. P. 589–598. https://doi.org/10.1109/TSG.2020.3016298
- Ortega Á., Milano F. Generalized Model of VSC-Based Energy Storage Systems for Transient Stability Analysis, in IEEE Transactions on Power Systems, 2016. V. 31. № 5. P. 3369–3380. https://doi.org/10.1109/TPWRS.2015.2496217
- Choi J.-W., Sul S.-K. Inverter output voltage synthesis using novel dead time compensation, in IEEE Transactions on Power Electronics, 1996. V. 11. № 2. P. 221–227. https://doi.org/10.1109/63.486169
- Chiniforoosh S. et al. Definitions and Applications of Dynamic Average Models for Analysis of Power Systems, in IEEE Transactions on Power Delivery, 2010. V. 25. № 4. P. 2655–2669. https://doi.org/10.1109/TPWRD.2010.2043859
- Sanders S.R., Noworolski J.M., Liu X.Z., Verghese G.C. Generalized averaging method for power conversion circuits, in IEEE Transactions on Power Electronics, 1991. V. 6. № 2. P. 251–259. https://doi.org/10.1109/63.76811
- Sanders S.R., Verghese G.C. Synthesis of averaged circuit models for switched power converters, in IEEE Transactions on Circuits and Systems, 1991. V. 38. № 8. P. 905–915. https://doi.org/10.1109/31.85632
- Peralta J., Saad H., Dennetière S., Mahseredjian J. Dynamic performance of average-value models for multi-terminal VSC-HVDC systems, IEEE Power and Energy Society General Meeting, 2012. P. 1–8. https://doi.org/10.1109/PESGM.2012.6345610.
- Calero F., Cañizares C.A. and Bhattacharya K. Detailed and Average Battery Energy Storage Model Comparison, 2019 IEEE PES Innovative Smart Grid Technologies Europe (ISGT-Europe), 2019. P. 1–5. https://doi.org/10.1109/ISGTEurope.2019.8905772
- Rajashekara K. Propulsion System Strategies for Fuel Cell Vehicles, Tech. Rep., Energenix Ctr., Delphi Automotive Syst., 2000.
- Fuel Cell Control, Ltd., Tech. Rep., DC–DC Converter Module 2006 [Online]. Available: http://www.fuelcellcontrol.com/dcconverter.html [accessed 12 March 2022].
- Chen M., Rincon-Mora G.A. Accurate electrical battery model capable of predicting runtime and I–V performance, in IEEE Transactions on Energy Conversion, 2006. V. 21. № 2. P. 504–511. https://doi.org/10.1109/TEC.2006.874229
- Chen L., Liu Y., Arsoy A.B. Detailed modeling of superconducting magnetic energy storage (SMES) system, in IEEE Transactions on Power Delivery, 2006. V. 21. № 2. P. 699–710. https://doi.org/10.1109/TPWRD.2005.864075
- Andreev M. et al. A Hybrid Model of Type-4 Wind Turbine – Concept and Implementation for Power System Simulation. 2020 IEEE PES Innovative Smart Grid Technologies Europe (ISGT-Europe), 2020. P. 799–803. https://doi.org/10.1109/ISGT-Europe47291.2020.9248860
- Andreev M.V. et al. Hybrid Real-Time Simulator of Large-Scale Power Systems, in IEEE Transactions on Power Systems, March 2019. V. 34. № 2. P. 1404–1415. https://doi.org/10.1109/TPWRS.2018.2876668
- Friede W., Rael S., Davat B. Mathematical model and characterization of the transient behavior of a PEM fuel cell, in IEEE Transactions on Power Electronics, 2004. V. 19. № 5. P. 1234–1241. https://doi.org/10.1109/TPEL.2004.833449
- Li J., Cheng Y., Jia M. An electrochemical–thermal model based on dynamic responses for lithium iron phosphate battery, Journal of Power Sources, 2014. V. 255. P. 130–143. https://doi.org/10.1016/j.jpowsour.2014.01.007
- Freeborn T.J., Maundy B., Elwakil A.S. Fractional-order models of supercapacitors, batteries and fuel cells: a survey. Mater Renew Sustain Energy 2015. https://doi.org/10.1007/s40243-015-0052-y
- Ramadesigan V., Northrop P.W.C., De S., Santhanagopalan S., Braatz R.D., Subramanian V.R. Modeling and Simulation of Lithium-Ion Batteries from a Systems Engineering Perspective. J. Electrochem. Soc. 2012. 159. R31–R45. https://doi.org/10.1149/2.018203jes
- Huria T., Ceraolo M., Gazzarri J., Jackey R. High fidelity electrical model with thermal dependence for characterization and simulation of high power lithium battery cells, IEEE International Electric Vehicle Conference, 2012. P. 1–8. https://doi.org/10.1109/IEVC.2012.6183271
- Motapon S.N., Lupien-Bedard A., Dessaint L. A Generic Electrothermal Li-ion Battery Model for Rapid Evaluation of Cell Temperature Temporal Evolution, in IEEE Transactions on Industrial Electronics, 2017. V. 64. № 2. P. 998–1008. https://doi.org/10.1109/TIE.2016.2618363
- Li S., Ke B. Study of battery modeling using mathematical and circuit oriented approaches, IEEE Power and Energy Society General Meeting, 2011. P. 1–8. https://doi.org/10.1109/PES.2011.6039230
Дополнительные файлы
















