On the Issue of Determining the Efficiency of Expander-Generator Units
- Authors: Klimenko A.V.1, Agababov V.S.2, Petin S.N.3
- 
							Affiliations: 
							- Federal State Autonomous Educational Institution higher education “National Research Technological University “MISiS”
- OOO “PSK Energomontazh”
- National Research University “MPEI”
 
- Issue: No 1 (2023)
- Pages: 3-17
- Section: Articles
- URL: https://journals.rcsi.science/0002-3310/article/view/136939
- DOI: https://doi.org/10.31857/S0002331023010053
- EDN: https://elibrary.ru/LVTYNH
- ID: 136939
Cite item
Full Text
Abstract
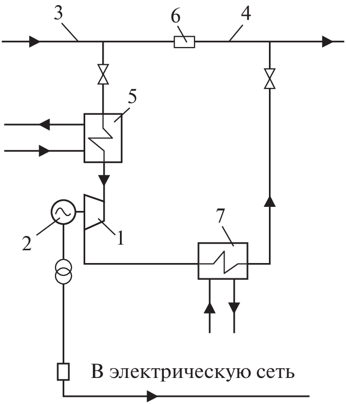
Methodological issues of determining the thermodynamic efficiency of expander-generator units as separate technological objects, as well as when they are used at enterprises of various types, are considered. It is shown that when determining the thermodynamic efficiency of the use of DGA at thermal power plants (TPP), a systematic approach is required, taking into account the effect of DGA on the efficiency of the main equipment of TPP. Dependences are given that make it possible to determine the effect of DGA on the thermodynamic efficiency of power plants of various types (CPP and CHPP) under various operating conditions.
About the authors
A. V. Klimenko
Federal State Autonomous Educational Institution higher education“National Research Technological University “MISiS”
														Email: spetin@yandex.ru
				                					                																			                												                								Russia, Moscow						
V. S. Agababov
OOO “PSK Energomontazh”
							Author for correspondence.
							Email: spetin@yandex.ru
				                					                																			                												                								Russia, Moscow						
S. N. Petin
National Research University “MPEI”
														Email: spetin@yandex.ru
				                					                																			                												                								Russia, Moscow						
References
- Кириллин В.А., Сычев В.В., Шейндлин А.Е. Техническая термодинамика, М., “Энергия”, 1968, 472 с. с илл.
- Куличихин В.В. Бесперспективность использования детандер-генераторных агрегатов на тепловых электростанциях / Куличихин В.В. / Надежность и безопасность энергетики. 2018. Т. 11. № 2. С. 161–166.
- Куличихин В.В. Детандер-генераторные агрегаты в энергетике России. Мифы и реальность / Куличихин В.В., Тюняев М.В. / Надежность и безопасность энергетики. 2016. № 4 (35). С. 62–69.
- Агабабов В.С. Влияние детандер-генераторных агрегатов на тепловую экономичность тепловых электрических станций: диссертация … доктора технических наук: 05.14.14 / Агабабов Владимир Сергеевич; НИУ “МЭИ”. Москва, 2003. С. 354
- Охотин В.С. Термодинамический анализ детандер-генераторных агрегатов (ДГА) в схеме паротурбинных установок с подогревом газа паром из отбора турбины / Охотин В.С. / Вестник МЭИ. 2004. № 4. С. 34–40.
- Охотин В.С. Детандер-генераторные агрегаты (ДГА) в схеме конденсационных и теплофикационных паротурбинных установок с подогревом газа паром из отбора турбины (термодинамический анализ) / Охотин В.С. / Новое в российской энергетике. 2005. № 2. С. 23–30.
- Бушин П.С. Опытно-промышленная газотурбинная расширительная станция на Среднеуральской ГРЭС / Бушин П.С. / Энергетическое строительство. 1995. № 4. С. 57.
- Каршакова Л. Опыт эксплуатации турбодетандера и перспективы применения его в Беларуси. Сообщение инж.-тех. Лукомльской ГРЭС на семинаре “Новые направления в энергоэффективных технологиях и оборудовании”, 16 мая 2002 г. в рамках форума “Белпромэкспо”.
- Базыленко А.А. Энергетическая характеристика детандер-генераторной установки Лукомльской ГРЭС / Базыленко А.А. / Энергия и менеджмент. 2006. № 3. С. 18–23.
- Зенович-Лешкевич-Ольпинский Ю.А. Повышение эффективности использования детандер-генераторных установок на тепловых электростанциях / Зенович-Лешкевич-Ольпинский Ю.А., Карницкий Н.Б., Зенович-Лешкевич-Ольпинская А.Ю. / Надежность и безопасность энергетики. 2015. № 3 (30). С. 56–60.
- Агабабов В.С. Применение детандер-генераторных агрегатов в парогазовых установках сбросного типа / Агабабов В.С., Корягин А.В. / Промышленная энергетика. 2004. № 10. С. 45–48.
- Гуськов Ю.Л. Опыт эксплуатации детандер-генераторного агрегата на ТЭЦ–21 Мосэнерго / Гуськов Ю.Л., Малянов В.В., Давыдов Ю.Я., Агабабов В.С., Корягин А.В. / Электрические станции. – 2003. № 12. С. 15–17.
 
				
			 
					 
						 
						 
						 
						 
				



